Каталог запасных частей к технике: Автокран КС-4562. Механизм подъема стрелы
1
2
3
4
4
5
6
7
8
9
10
10
11
12
13
14
15
16
17
18
18
19
20
20
21
21
22
22
23
24
25
26
26
27
28
29
30
31
32
33
34
35
36
37
38
39
39
40
40
41
42
43
44
45
46
47
48
49
50
51
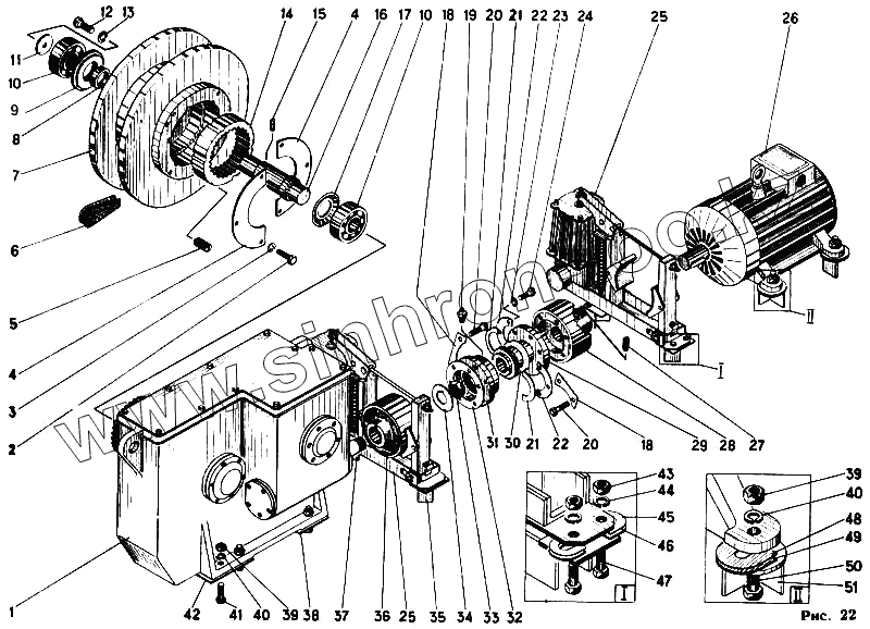
| Позиция на иллюстрации | Заводской номер детали | Название детали | |
|---|---|---|---|
| 1 | 4561А.305.01.000 | Редуктор | |
| 2 | 7796.10.20 | Болт | |
| 3 | 6402.65.10 | Шайба | |
| 4 | 4362.309.00.06 | Крышка разъема | |
| 5 | 162.305.00.57 | Винт | |
| 6 | 162.302.00.17А | Клин | |
| 7 | 162.305.00.09А | Барабан | |
| 8 | 162.305.00.21А | Втулка распорная | |
| 9 | 162.309.00.29А | Крышка | |
| 10 | 5720.16.13 | Подшипник | |
| 11 | 162.309.00.36 | Шайба торцовая | |
| 12 | 7796.12.30 | Болт | |
| 13 | 6402.65.12 | Шайба | |
| 14 | 162.305.00.48 | Венец зубчатый | |
| 15 | 3128.2.08.16 | Штифт | |
| 16 | 162.305.00.39 | Вал | |
| 17 | 162.309.00.25 | Шайба | |
| 18 | 162.305.00.46 | Шайба замок | |
| 19 | 19853.01.2 | Масленка | |
| 20 | 7796.12.40 | Болт | |
| 21 | 4561А.305.00.009 | Полукольцо | |
| 22 | 4561А.305.00.010 | Крышка | |
| 23 | 6402.65.06 | Шайба | |
| 24 | 7798.08.16 | Болт | |
| 25 | ТГ-200 | Тормоз | |
| 26 | МТКF 311-8У2 | Электродвигатель | |
| 27 | 1478.08.20 | Винт | |
| 28 | 4561А.305.00.002 | Шхив тормозной | |
| 29 | 4561А.305.00.008 | Втулка зубчатая | |
| 30 | 288.105.78.12 | Кольцо | |
| 31 | 4561А.305.00.005 | Полумуфта ведущая | |
| 32 | 162.305.00.40 | Прокладка | |
| 33 | 5916.36.02 | Гайка | |
| 34 | 4561А.305.00.007 | Шайба | |
| 35 | 4561.305.30.000 | Подставка тормоза | |
| 36 | 4561.305.00.001 | Шкив тормозной | |
| 37 | 4561А.305.40.000 | Подставка тормоза | |
| 38 | 162.305.00.53 | Прокладка редуктора | |
| 39 | 5915.20 | Гайка | |
| 40 | 6402.65.20 | Шайба | |
| 41 | 7795.20.90 | Болт | |
| 42 | 162.305.00.52 | Прокладка редуктора | |
| 43 | 5915.16 | Гайка | |
| 44 | 6402.65.16 | Шайба | |
| 45 | 162.305.00.26Б | Прокладка | |
| 46 | 162.305.00.55 | Прокладка | |
| 47 | 7796.16.40 | Болт | |
| 48 | 162.305.00.56 | Прокладка | |
| 49 | 162.305.00.24А | Прокладка | |
| 50 | 7796.20.70 | Болт | |
| 51 | 162.305.04Б | Подставка электродвигателя |
Содержащиеся в справочниках-каталогах запасные части и детали не предлагаются к продаже, а носят исключительно информационный характер