Каталог запасных частей к технике: Автокран КС-4562. Лебедка вспомогательного подъема
1
2
3
4
5
6
7
8
9
10
11
12
13
14
15
15
16
17
18
19
20
21
22
22
23
24
25
26
27
28
29
30
31
32
33
34
35
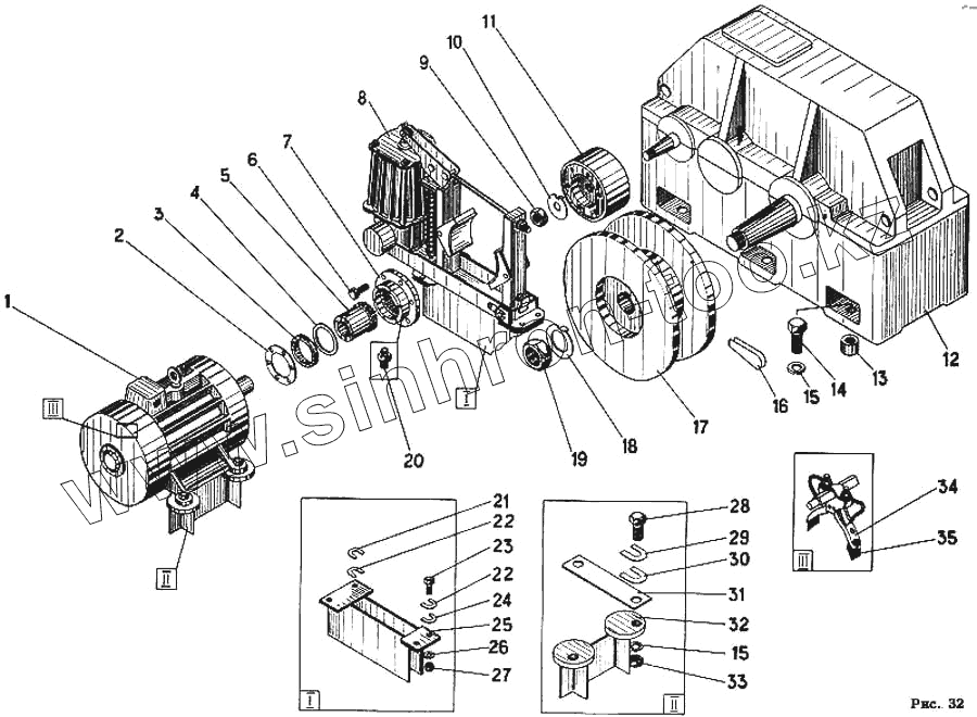
| Позиция на иллюстрации | Заводской номер детали | Название детали | |
|---|---|---|---|
| 1 | Электродвигатель | Электродвигатель | |
| 2 | 4561А.305.00.010 | Крышка | |
| 3 | 288.105.78.12 | Кольцо | |
| 4 | 4561А.305.00.009 | Полукольцо | |
| 5 | 4561А.305.00.004 | Втулка зубчатая | |
| 6 | 7796.12.30 | Болт | |
| 7 | 4561А.305.00.005 | Полумуфта ведущая | |
| 8 | ТКГ-200 | Тормоз | |
| 9 | Дет. редуктора | Гайка | |
| 10 | Дет. редуктора | Гайка | |
| 11 | 4561А.326.00.002 | Шкив тормозной | |
| 12 | Ц2У-250-31,5-11КУ2 | Редуктор | |
| 13 | 4561А.326.00.010 | Платик | |
| 14 | 7795.20.70 | Болт | |
| 15 | 6402.65.20 | Шайба | |
| 16 | 4561А.326.00.003 | Клин | |
| 17 | 4561А.326.00.001 | Барабан | |
| 18 | Дет. редуктора | Гайка | |
| 19 | Дет. редуктора | Гайка | |
| 20 | 19853.01.2 | Масленка | |
| 21 | 162.305.00.26Б | Прокладка | |
| 22 | 162.305.00.26Б | Прокладка | |
| 23 | 7796.16.40 | Болт | |
| 24 | 162.305.00.26Б | Прокладка | |
| 25 | 4561А.325.30.000 | Подставка тормоза | |
| 26 | 6402.65.16 | Шайба | |
| 27 | 5915.16 | Гайка | |
| 28 | 7796.20.60 | Болт | |
| 29 | 162.305.00.24А | Прокладка | |
| 30 | 162.305.00.56 | Прокладка | |
| 31 | 4561А.316.00.006 | Пластина | |
| 32 | 4561А.326.05.000 | Подставка электродвигателя | |
| 33 | 5915.20 | Гайка | |
| 34 | 5ТД.112.035-2 | Щеткодержатель | |
| 35 | 8ТД.578.001-2 | Щетка М1 |
Содержащиеся в справочниках-каталогах запасные части и детали не предлагаются к продаже, а носят исключительно информационный характер