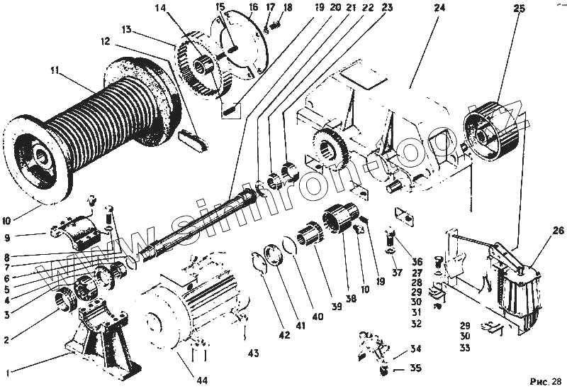
Каталог запасных частей к технике: Автокран КС-4562. Лебедка механизма главного подъема
1
2
3
4
5
6
7
8
9
10
10
11
12
13
14
15
16
17
18
19
19
20
21
22
23
24
25
26
27
28
29
29
30
30
31
32
33
34
35
36
37
38
39
40
41
42
43
44
| Позиция на иллюстрации | Заводской номер детали | Название детали | |
|---|---|---|---|
| 1 | 4562.309.00.001 | Кронштейн | |
| 2 | 162.309.00.33 | Втулка распорная | |
| 3 | 5720.16.13 | Подшипник | |
| 4 | 162.309.00.29А | Крышка | |
| 5 | 162.309.00.23А | Втулка упорная | |
| 6 | 162.309.00.27А | Шайба | |
| 7 | 7795.20.90 | Болт | |
| 8 | 6402.65.20 | Шайба | |
| 9 | 162.309.00.32 | Крышка подшипника | |
| 10 | 19853.01.2 | Масленка | |
| 11 | 4561А.309.01.000 | Барабан | |
| 12 | 162.302.00.17А | Клин | |
| 13 | 4561А.339.00.005 | Венец зубчатый | |
| 14 | 162.309.00.38 | Втулка | |
| 15 | 162.305.00.57 | Винт | |
| 16 | 162.309.00.22 | Крышка | |
| 17 | 6402.65.08 | Шайба | |
| 18 | 7796.08.20 | Болт | |
| 19 | 1478.08.20 | Винт | |
| 20 | 4561А.339.00.010 | Вал барабана | |
| 21 | 162.329.00.005 | Шайба | |
| 22 | 3635.50.ШС | Подшипник | |
| 23 | 162.309.00.19А | Втулка | |
| 24 | 1Ц2У-315Н-31,5-32М-У2 | Редуктор | |
| 25 | 4562.309.00.007 | Шкив тормозной | |
| 26 | ТКГ-300М | Тормоз | |
| 27 | 7796.16.40 | Болт | |
| 28 | 6402.65.16 | Шайба | |
| 29 | 162.305.00.56 | Прокладка | |
| 30 | 162.316.00.13 | Прокладка | |
| 31 | 4562.309.01.000 | Подставка тормоза | |
| 32 | 5915.16 | Гайка | |
| 33 | 4562.309.02.000 | Подставка тормоза | |
| 34 | 5ТД.112.035-3 | Щеткодержатель | |
| 35 | 8ТД.578.001-3 | Щетка М1 | |
| 36 | 7795.24.120 | Болт | |
| 37 | 6402.65.24 | Шайба | |
| 38 | 4562.309.00.003 | Полумуфта зубчатая | |
| 39 | 4562.309.00.004 | Втулка зубчатая | |
| 40 | 162.309.00.43 | Кольцо | |
| 41 | 162.309.00.41 | Кольцо уплотняющее | |
| 42 | 162.309.00.42 | Крышка | |
| 43 | 4562.309.03.000 | Подставка электродвигателя | |
| 44 | МТF 411-6У1 | Электродвигатель |
Содержащиеся в справочниках-каталогах запасные части и детали не предлагаются к продаже, а носят исключительно информационный характер