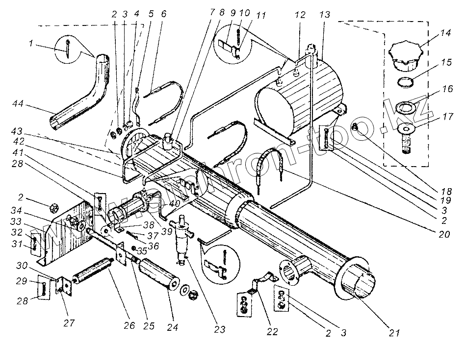
Каталог запасных частей к технике: Автокран КС-3577. Установка отопителя КС-3577.55.000
1
2
2
2
2
3
3
3
4
5
6
7
8
9
10
11
12
13
14
15
16
17
18
19
20
21
22
23
24
25
26
27
28
28
29
30
31
32
33
34
35
36
37
38
39
40
41
42
43
44
| Позиция на иллюстрации | Заводской номер детали | Название детали | |
|---|---|---|---|
| 1 | [Шплинт 5х60.016 ГОСТ397-79] | Шплинт 5х60.016 ГОСТ397-79 | |
| 2 | [Гайка М8.5.019 ГОСТ5915-70] | Гайка М8.5.019 ГОСТ5915-70 | |
| 3 | [Шайба 8.65Г.019 ГОСТ6402-70] | Шайба 8.65Г.019 ГОСТ6402-70 | |
| 4 | КС-3577.55.008 | Втулка | |
| 5 | КС-3577.55.007 | Скоба | |
| 6 | КС-3577.55.300 | Хомут | |
| 7 | [Отопитель 030.134] | Отопитель 030.134 | |
| 8 | КС-3577.55.003 | Рукав 6x14-10 | |
| 9 | КС-3577.55.015 | Лента 5-1x160-3 | |
| 10 | [Шплинт 4х18.016 ГОСТ397-79] | Шплинт 4х18.016 ГОСТ397-79 | |
| 11 | КС-3577.55.016 | Пряжка | |
| 12 | КС-3577.55.001 | Рукав 6x14-10 | |
| 13 | КС-3577.55.500 | Бензобак | |
| 14 | КС-3577.55.231 | Крышка | |
| 15 | КС-3577.55.232 | Колпачок | |
| 16 | КС-3577.55.233 | Прокладка | |
| 17 | КС-3577.55.220 | Фильтр в сборе | |
| 18 | [Пробка 2-2 МК12.20Ц9хр ГОСТ12717-78] | Пробка 2-2 МК12.20Ц9хр ГОСТ12717-78 | |
| 19 | [Болт М8х20.46.019 ГОСТ7798-70] | Болт М8х20.46.019 ГОСТ7798-70 | |
| 20 | КС-3577.55.400 | Хомут | |
| 21 | КС-3577.55.100-01 | Воздуховод | |
| 22 | КС-3577.55.012 | Скоба | |
| 23 | 966-8106300 | Бензоотстойник | |
| 24 | КС-3577.55.014 | Шпилька | |
| 25 | [Шпилька] | Шпилька | |
| 26 | 0865-2030 | Электросопротивление 0,65 Ом | |
| 27 | [Гайка М4] | Гайка М4 | |
| 28 | [Шайба 4.65Г 016 ГОСТ6402-70] | Шайба 4.65Г 016 ГОСТ6402-70 | |
| 29 | [Винт М4х816Г] | Винт М4х816Г | |
| 30 | [Кронштейн] | Кронштейн | |
| 31 | [Шайба 6.65Г.019 ГОСТ6402-70] | Шайба 6.65Г.019 ГОСТ6402-70 | |
| 32 | [Винт В1М6х10.46.019 ГОСТ17473-80] | Винт В1М6х10.46.019 ГОСТ17473-80 | |
| 33 | КС-3577.55.011 | Кронштейн | |
| 34 | [Прокладка] | Прокладка | |
| 35 | [Гайка М6.5.019 ГОСТ5916-70] | Гайка М6.5.019 ГОСТ5916-70 | |
| 36 | 201419-П29 | Винт М6-6gх22.222528-П29 | |
| 37 | [Шайба 6.65Г.019 ГОСТ6402-70] | Шайба 6.65Г.019 ГОСТ6402-70 | |
| 38 | [Кронштейн бензонасоса 015-3080] | Кронштейн бензонасоса 015-3080 | |
| 39 | [Бензонасос БН203] | Бензонасос БН203 | |
| 40 | КС-3577.55.002 | Рукав 6x14-10 | |
| 41 | [Болт] | Болт | |
| 42 | [Рукав] | Рукав | |
| 43 | КС-3577.55.006 | Крышка | |
| 44 | КС-3577.55.009 | Труба |
Содержащиеся в справочниках-каталогах запасные части и детали не предлагаются к продаже, а носят исключительно информационный характер