Каталог запасных частей к технике: Автокран КС-3576. Установка отопителя КС-3577.55.000-01
КС-3577.55.000-01
1
2
2
2
2
3
3
3
4
5
6
7
8
9
10
11
12
13
14
15
16
17
18
19
20
21
22
23
24
25
26
27
28
28
29
30
31
32
33
34
36
37
38
39
40
41
42
43
44
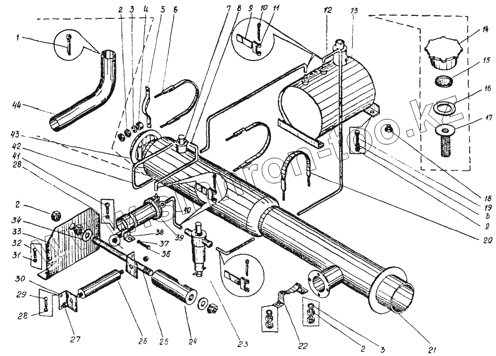
| Позиция на иллюстрации | Заводской номер детали | Название детали | |
|---|---|---|---|
| КС-3577.55.000-01 | КС-3577.55.000-01 | Установка отопителя | |
| 1 | ГОСТ 397-79 | Шплинт 1,6x10 | |
| 2 | ГОСТ 5915-70 | Гайка M12 | |
| 3 | ГОСТ 6402-70 | Шайба 4.65Г | |
| 4 | КС-3577.55.008 | Втулка | |
| 5 | КС-3577.55.007 | Скоба | |
| 6 | КС-3577.55.300 | Хомут | |
| 7 | ТУ 37.001.381-73 | Отопитель 030-В4 | |
| 8 | КС-3577.55.003 | Рукав 6x14-10 | |
| 9 | KC-3577.55.015 | Лента | |
| 10 | ГОСТ 397-79 | Шплинт 1,6x10 | |
| 11 | КС-3577.55.016 | Пряжка | |
| 12 | КС-3577.55.001 | Рукав 6x14-10 | |
| 13 | КС-3577.55.500 | Бензобак | |
| 14 | КС-3577.55.231 | Крышка | |
| 15 | КС-3577.55.232 | Колпачок | |
| 16 | КС-3577.55.233 | Прокладка | |
| 17 | КС-3577.65.22С | Фильтр в оборе | |
| 18 | ГОСТ 12717-78 | Пробка 2-2МК12.20.Ц9Хр | |
| 19 | ГОСТ 7799-70 | Болт M8-8gx20.46.019 | |
| 20 | КС-3577.55.400 | Хомут | |
| 21 | КС-3577.55.100-01 | Воздуховод | |
| 22 | КС-3577.55.012 | Скоба | |
| 23 | 968-8106300-02 | Бензоотстойник | |
| 24 | ПЭ-50-5,1 Ом | Резистор ПЭ-50-5,1 Ом | |
| 25 | КС-3577.55.014 | Шпилька | |
| 26 | ОВ65-2030 | Сопротивление 0,65 Ом | |
| 27 | Гайка М4 | Гайка М4 | |
| 28 | Шайба 4 | Шайба 4 | |
| 29 | Винт М4х8 | Винт М4х8 | |
| 30 | Кронштейн | Кронштейн | |
| 31 | ГОСТ 6402-70 | Шайба 4.65Г | |
| 32 | ГОСТ 17473-80 | Винт B1 М4-8gх10 | |
| 33 | КС-3577.55.011 | Кронштейн | |
| 34 | КС-3577.55.013 | Прокладка | |
| 35 | Гайка М6 | Гайка М6 | |
| 36 | Болт М6х18 | Болт М6х18 | |
| 37 | Шайба 6,65Г | Шайба 6,65Г | |
| 38 | 015-3080 | Кронштейн бензонасоса | |
| 39 | БН200-А2 | Бензонасос БН200-А2 (БК203) | |
| 40 | КС-3577.55.002 | Рукав 6x14-10 | |
| 41 | ГОСТ 17473-80 | Винт B1 М4-8gх10 | |
| 42 | КС-3577.55.004 | Рукав 6x14-10 | |
| 43 | КС-3577.55.006 | Крышка | |
| 44 | КС-3577.55.009 | Труба |
Содержащиеся в справочниках-каталогах запасные части и детали не предлагаются к продаже, а носят исключительно информационный характер