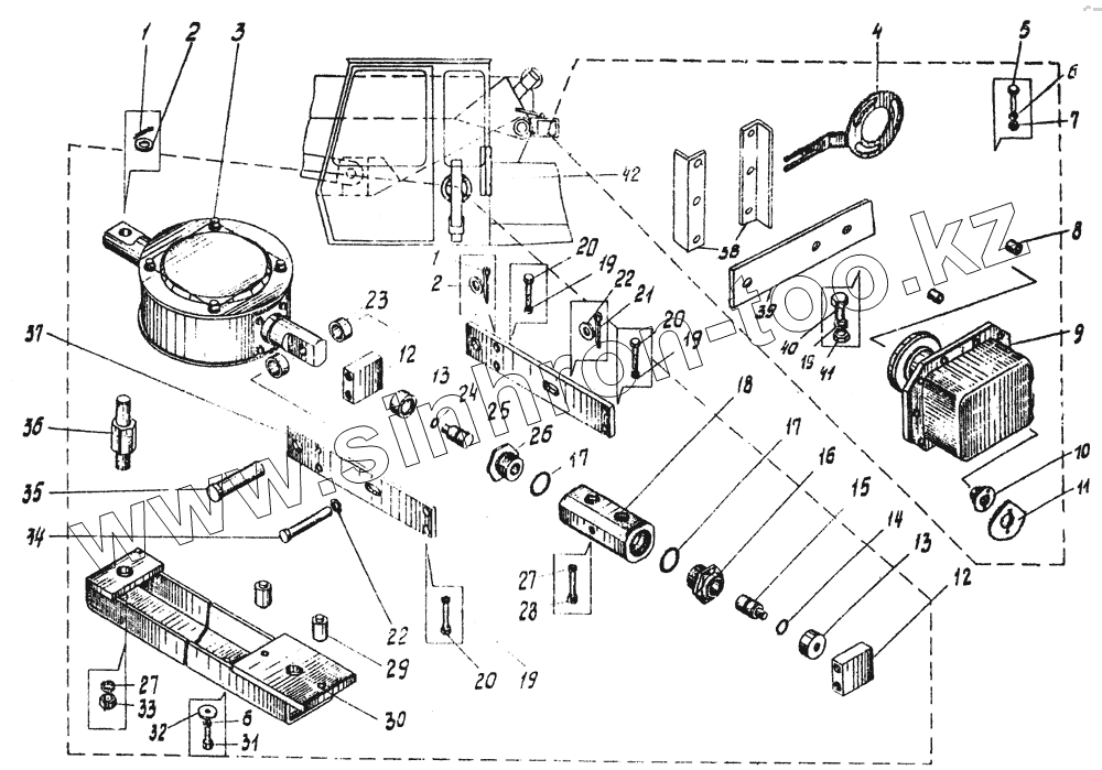
Каталог запасных частей к технике: Автокран КС-3576. Установка ограничителя грузоподъемности КС-3576-1.80.700
КС-3576-1.80.700
1
1
2
2
3
4
5
6
6
7
8
9
10
11
12
12
13
13
14
15
16
17
17
18
19
19
19
19
20
20
20
21
22
22
23
24
25
26
27
27
28
29
30
32
33
34
35
36
37
38
39
40
41
42
| Позиция на иллюстрации | Заводской номер детали | Название детали | |
|---|---|---|---|
| КС-3576-1.80.700 | КС-3576-1.80.700 | Установка ограничителя грузоподъемности | |
| KС-3576-1.80.701 | KС-3576-1.80.701 | Пластина | |
| КС-3571.80.780-1-0 | КС-3571.80.780-1-0 | Привод датчика усилий | |
| 1 | ГОСТ 397-79 | Шплинт 1,6x10 | |
| 2 | ГОСТ 11371-78 | Шайба 4 | |
| 3 | Датчик усилий | Датчик усилий | |
| 4 | KC-2573.80.710-1 | Рычаг | |
| 5 | ГОСТ 7798-70 | Болт М12х45 | |
| 6 | ГОСТ 6402-70 | Шайба 4.65Г | |
| 7 | ГОСТ 5915-70 | Гайка M12 | |
| 8 | KC-2573.80.701-1 | Втулка | |
| 9 | KC-3572.80.710-1 | Датчик угла | |
| 10 | KC-3572.80.751-1 | Втулка | |
| 11 | KC-3572.80.711-1 | Кулачок | |
| 12 | KC-3571.50.788 | Пластина | |
| 13 | KC-3571.50.786 | Уплотнение | |
| 14 | ГОСТ 9833-73 | Кольцо уплотнительное 011-015-25-2-2 | |
| 15 | KC-3571.50.784-1-02 | Плунжер | |
| 16 | KC-3571.50.783-1-02 | Штуцер | |
| 17 | ГОСТ 9833-73 | Кольцо уплотнительное 011-015-25-2-2 | |
| 18 | KC-3571.50.781-1 | Корпус | |
| 19 | ГОСТ 6402-70 | Шайба 4.65Г | |
| 20 | ГОСТ 7798-70 | Болт М12х45 | |
| 21 | ГОСТ 397-79 | Шплинт 1,6x10 | |
| 22 | ГОСТ 11371-78 | Шайба 4 | |
| 23 | KC-3571.50.785 | Кольцо | |
| 24 | ГОСТ 9833-73 | Кольцо уплотнительное 011-015-25-2-2 | |
| 25 | KC-3571.50.784-1-01 | Плунжер | |
| 26 | KC-3571.50.783-1-01 | Штуцер | |
| 27 | ГОСТ 6402-70 | Шайба 4.65Г | |
| 28 | ГОСТ 7798-70 | Болт М12х45 | |
| 29 | KC-3571.50.789 | Ось | |
| 30 | KC-3571.50.790 | Рама | |
| 32 | ГОСТ 11371-78 | Шайба 4 | |
| 33 | ГОСТ 5915-70 | Гайка M12 | |
| 34 | ГОСТ 9650-71 | Ось 22-8х5x20 | |
| 35 | ГОСТ 9650-71 | Ось 22-8х5x20 | |
| 36 | KC-3571.50.787 | Ось | |
| 37 | KC-3571.50.782 | Пластина | |
| 38 | KС-3576-1.80.702 | Уголок | |
| 39 | ГОСТ 7798-70 | Болт М12х45 | |
| 40 | ГОСТ 7798-70 | Болт М12х45 | |
| 41 | ГОСТ 5915-70 | Гайка M12 | |
| 42 | КС-3572.80.740-1 | Релейный блок |
Содержащиеся в справочниках-каталогах запасные части и детали не предлагаются к продаже, а носят исключительно информационный характер