Каталог запасных частей к технике: Автокран КС-3576. Установка насоса КС-3576.14.200
KC-3576.14.200
1
1
2
3
4
5
5
6
7
7
8
9
10
11
12
13
14
15
16
17
18
19
20
21
21
22
22
23
24
25
26
27
28
29
30
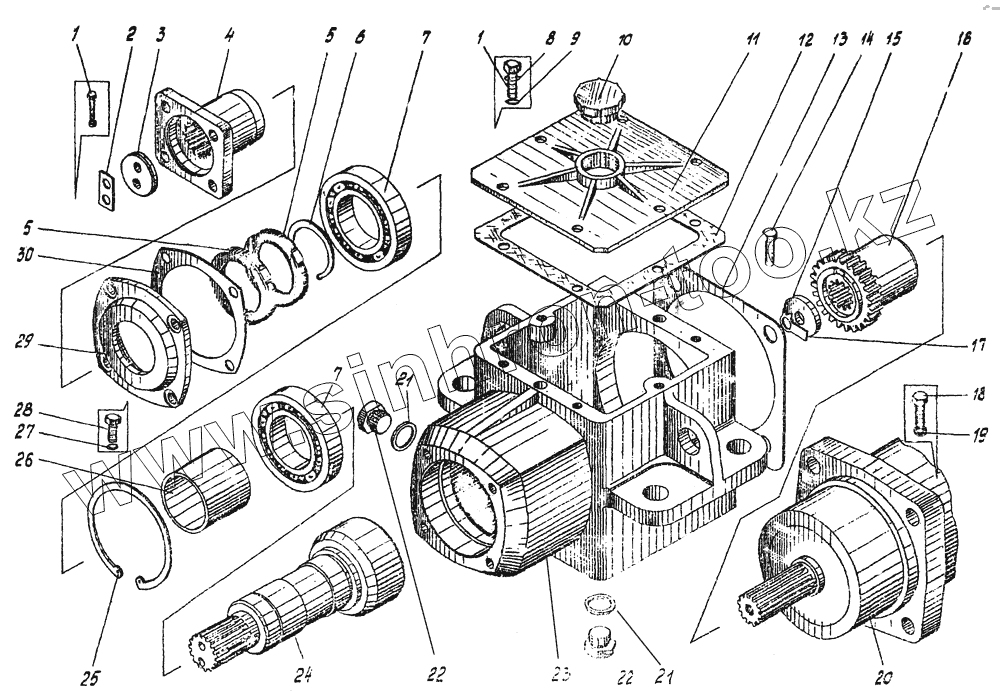
| Позиция на иллюстрации | Заводской номер детали | Название детали | |
|---|---|---|---|
| KC-3576.14.200 | KC-3576.14.200 | Установка насоса | |
| 1 | СТП 154-33 | Болт М8x20.46.019 | |
| 2 | СТП 220-42 | Планка закрепительная 42x20.019 | |
| 3 | СТП 220-22 | Шайба упорная 50.019 | |
| 4 | KC-2573.14.203 | Фланец | |
| 5 | СТП 030-12 | Манжета 1,2-60x85-1 | |
| 6 | СТП 292-13 | Кольцо Б.60 | |
| 7 | ГОСТ 8338-75 | Подшипник 212 | |
| 8 | СТП 213-05 | Шайба 8.65Г.019 | |
| 9 | Шайба 8.01.019 | Шайба 8.01.019 | |
| 10 | KC-2573.14.205 | Пробка | |
| 11 | КС-3572.14.214 | Крышка | |
| 12 | КС-3572.14.208 | Прокладка | |
| 13 | KC-2573.14.207 | Прокладка | |
| 14 | СТП 154-31 | Болт М12x25.46.019 | |
| 15 | KC-3572.14.213 | Шайба | |
| 16 | KC-3572.14.211 | Полумуфта | |
| 17 | СТП 224-06 | Шайба 12.01.019 | |
| 18 | СТП 154-49 | Болт М16x50.46.019 | |
| 19 | СТП 224-08 | Шайба 16.01.019 | |
| 20 | 210.25Б.16.21В | Насос 210.25Б.16.21В | |
| 21 | KC-3577.14.115 | Прокладка | |
| 22 | КС-3577.85.004 | Заглушка | |
| 23 | КС-3572.14.205 | Корпус | |
| 24 | KC-3572.14.204 | Вал | |
| 25 | СТП 291-30 | Кольцо Б.110 | |
| 26 | KC-3572.14.209 | Втулка | |
| 27 | СТП 213-06 | Шайба 10.65Г.019 | |
| 28 | СТП 154-72 | Болт М10х30.46.019 | |
| 29 | KC-3572.14.206 | Крышка | |
| 30 | KC-2573.14.206 | Прокладка |
Содержащиеся в справочниках-каталогах запасные части и детали не предлагаются к продаже, а носят исключительно информационный характер