Каталог запасных частей к технике: Автокран КС-3576. Токосъемник КС-3576.80.200
КС-3576.80.200
1
2
3
3
3
3
4
4
5
6
7
8
9
10
10
11
11
12
12
12
13
14
15
16
17
18
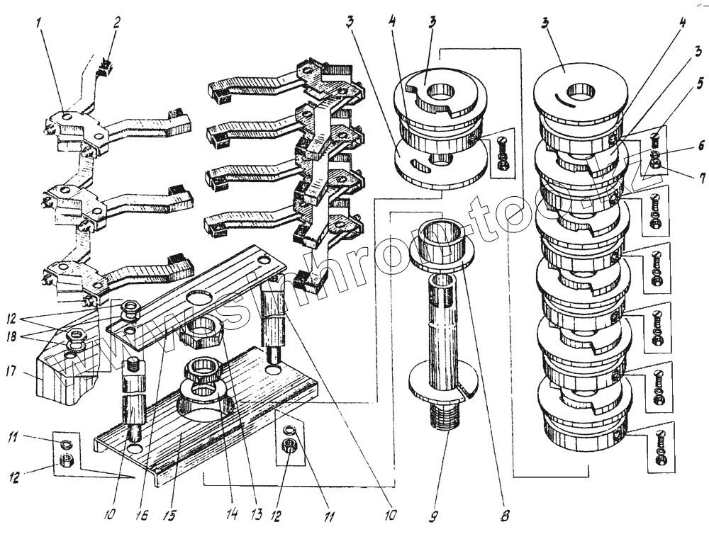
| Позиция на иллюстрации | Заводской номер детали | Название детали | |
|---|---|---|---|
| КС-3576.80.200 | КС-3576.80.200 | Токосъемник | |
| 1 | У.042.000 | Щеткодержатель | |
| 2 | ГОСТ 2332-75 | Щетка МГ | |
| 3 | КС-3576.80.205 | Кольцо | |
| 4 | КС-3577.80.201 | Кольцо | |
| 5 | ГОСТ 17475-80 | Винт М5х10 | |
| 6 | ГОСТ 6402-70 | Шайба 4.65Г | |
| 7 | ГОСТ 5915-70 | Гайка M12 | |
| 8 | KC-3576.80.204 | Втулка | |
| 9 | KC-3576.80.210 | Ось | |
| 10 | КС-3576.80.230 | Стойка | |
| 11 | ГОСТ 6402-70 | Шайба 4.65Г | |
| 12 | ГОСТ 5915-70 | Гайка M12 | |
| 13 | КС-3576.80.201 | Гайка | |
| 14 | КС-3576.80.202 | Шайба | |
| 15 | КС-3576.80.240 | Траверса | |
| 16 | КС-3576.80.203 | Пластина | |
| 17 | КС-3576.80.220 | Кожух | |
| 18 | ГОСТ 11371-78 | Шайба 4 |
Содержащиеся в справочниках-каталогах запасные части и детали не предлагаются к продаже, а носят исключительно информационный характер