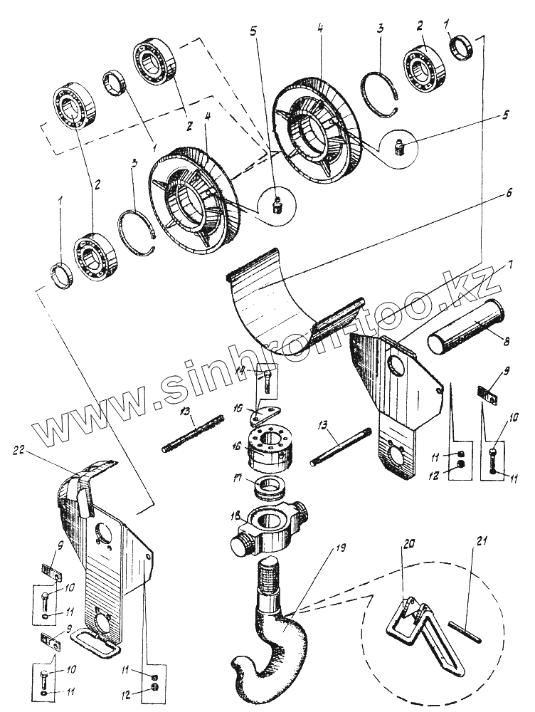
Каталог запасных частей к технике: Автокран КС-3576. Крюковая подвеска КС-3576.63.300
КС-3576.63.300
1
1
1
2
2
2
3
3
4
4
5
5
6
7
8
9
9
9
10
10
10
11
11
11
11
11
12
12
13
13
14
15
16
17
18
19
20
21
22
| Позиция на иллюстрации | Заводской номер детали | Название детали | |
|---|---|---|---|
| КС-3576.63.300 | КС-3576.63.300 | Крюковая подвеска | |
| 1 | КС-3577.63.103 | Втулка | |
| 2 | ГОСТ 7242-81 | Подшипник 60314 | |
| 3 | КС-3577.63.272 | Кольцо | |
| 4 | KC-3577.63.271 | Блок | |
| 5 | ГОСТ 19853-74 | Масленка 1.2.Ц6Хр | |
| 6 | КС-3577.63.306 | Кожух | |
| 7 | КС-3576.63.340 | Обойма | |
| 8 | КС-3577.63.309 | Ось | |
| 9 | ОСТ 22-124-71 | Оседержатель 40-60 | |
| 10 | ГОСТ 7796-70 | Болт M8х16.46.019 | |
| 11 | ГОСТ 6402-70 | Шайба 4.65Г | |
| 12 | ГОСТ 6915-70 | Гайка M12.5.019 | |
| 13 | СТП 0230-17 | Шпилька М12х249.03.019 | |
| 14 | ГОСТ 7798-70 | Болт М12х45 | |
| 15 | КС-3577.63.353 | Планка | |
| 16 | КС-3577.63.370 | Гайка | |
| 17 | ГОСТ 6874-75 | Подшипник 0212 | |
| 18 | КС-3577.63.355 | Траверса | |
| 19 | КС-357.7.63.357 | Крюк | |
| 20 | ГОСТ 12840-80 | Скоба 17-2/1 | |
| 21 | ГОСТ 10774-80 | Штифт 12x120.36.019 | |
| 22 | КС-3576.63.330 | Обойма |
Содержащиеся в справочниках-каталогах запасные части и детали не предлагаются к продаже, а носят исключительно информационный характер