Вернуться на главную
Поиск
Каталоги запчастей к технике
Спецтехника
Автокран
КС-3576
Кран двухходовой У034.00.000-8
Каталог запасных частей к технике: Автокран КС-3576. Кран двухходовой У034.00.000-8
zoom-in
zoom-out
enlarge
shrink
circle-right
circle-left
file-text2
info
cart
Тип техники
Не выбрано
Легковые автомобили
Грузовые автомобили и прицепы
Автобусы
Сельхозтехника
Спецтехника
Двигатели
Мототехника
Марка
Не выбрано
Ammann
BOMAG
CARMIX
CASE IH
Changlin
ChengGong
Dimex
Doosan
DYNAPAC
Foton
HAMM
Hidromek
Hitachi
Hyundai
JCB
JLG
John Deere
Komatsu
LIEBHERR
LiuGong
Lonking (LongGong)
Luneng
MANITOU
Mitsuber
New Holland
PENGPU
RM-Terex
SANY
SDLG
SEM
Shantui
Shehwa HBXG
Soosan
TIGARBO
VOGELE
Volvo
WAY
WIRTGEN
XCMG
XGMA
Xiamen
YTO
Yuchai
Zoomlion
Автокран
АЗСМ
Алтайлесмаш
Амкодор
АОМЗ
Атек
АТЗ
Балканкар Рекорд
БелАЗ
Беловеж
Борекс
Брянский Арсенал
Булат
ВЭКС
ГАЗ
Геомаш
Гидромаш
Донекс
Дормаш
Дормашина
Дорэлектромаш
ДЭЗ
ЕлАЗ
ЗЗГТ
Ижнефтемаш
Канаш-электрокар
КЗКТ
ККЗ
Клевер
Клинцовский автокрановый завод
КМЗ
КМЗ 1 Мая
Ковровец
Коммаш
Кранэкс
КЭЗ
КЭМЗ
ЛЗА
МАЗ
МЗИК
МЗКМ
МЗКТ
Михневский РМЗ
МоАЗ
Мозырский МЗ
МТЗ
ОЗП
Онежец
ПАО "ТЗА"
ППС Детва
Промтрактор
ПТЗ
Раскат
СпецАгрегат
ТВЭКС
ТТМ
УВЗ
Угличмаш
УЗТМ
ХТЗ
ЧЗКМ
ЧСДМ
ЧТЗ
ЭКСКО
ЭКСМАШ
ЮрМаш
Модель
Не выбрано
КС-3571 (2002)
КС-35714 (2002)
КС-35715 (2002)
КС-3574 (2002)
КС-3576 (2002)
КС-3577 (2003)
КС-4562
КС-45717К-1
КС-45717К-1 (вариант) (2010)
КС-6973А (2002)
Схема
>
Не выбрано
Установка кабины КС-3576.52.000
Установка отопителя КС-3577.55.000-01
Облицовка КС-3576.38.000-1
Установка выносных опор КС-3576.31.000
Привод насоса КС-3576.14.000
Установка насоса КС-3576.14.200
Гидрооборудование неповоротной части КС-3576.83.000
Гидрозамок односторонний КС-3577.83.200
Соединение вращающееся КС-3577.83.000-02
Установка гидробака КС-3576.83.500
Гидробак КС-3576.83.530
Насос ручной КС-3572.83.710
Гидроцилиндр Ц22А.000
Цилиндр КС-3572.34.100
Гидрооборудование поворотной части КС-3576.84.000
Гидромотор 310.112.00
Фильтр линейный У4910.46.000
Гидрораспределитель У063.00.000-3
Клапан обратный управляемый КС-3577.84.700, КС-3577.84.700-01
Гидрораспределитель У469006901
Гидроцилиндр Ц51.000-1
Клапан У067.00.000
Кран двухходовой У034.00.000-8
Клапан аварийный КС-2572А-1.84.080-1, Кран двухходовой У034.00.000-9
Гидроцилиндр У31.08.000-1-03
Лебедка КС-3576.26.000
Тормоз КС-3576.26.300-01
Размыкатель тормоза КС-3577.26.310-1
Редуктор 1Ц2У-250
Механизм поворота КС-3577.28.000-1
Установка рамы КС-3576.30.000
Механизм блокировки подвески КС-3576.34.000
Установка выдвижной стрелы КС-3576-1.61.000
Стрела выдвижная (основание выдвижной стрелы) КС-3576-1.61.100
Стрела выдвижная (секция выдвижной стрелы) КС-3576-1.61.100
Установка телескопической стрелы КС-3576.63.000
Стрела телескопическая (секция стрелы) КС-3576.63.100
Стрела телескопическая (основание стрелы) КС-3576.63.100
Крюковая подвеска КС-3576.63.300
Указатель грузоподъемности КС-3576.63.400
Ограничитель подъема крюка КС-3576.80.400
Установка ограничителя грузоподъемности КС-3576.80.700
Установка ограничителя грузоподъемности КС-3576-1.80.700
Установка прибора УАС-1 КС-3576.80.900
Привод управления крановыми операциями КС-2573.70.000
Привод управления крановыми операциями КС-2573-1.70.000
Привод управления двигателем КС-3576.72.000
Токосъемник КС-3576.80.200
Кабельная разводка КС-3576.80.600
Щиток приборов КС-3576.80.100
Щиток приборов КС-3576-1.80.100
Установка приборов освещения и сигнализации КС-3576.80.300
Комплект инструмента и принадлежностей КС-3576.91.150
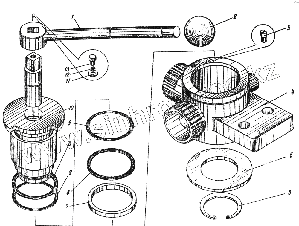
У034.00.000-8
У034.00.000-8
1
2
3
4
5
6
7
8
8
9
9
10
11
12
13
Позиция на иллюстрации
Заводской номер детали
Название детали
У034.00.000-8
У034.00.000-8
Кран двухходовой
У034.00.000-8
У034.00.000-8
Кран двухходовой
1
У034.20.000
Ручка
2
СТП 0024-03
Ручка 40
3
У034.00.004
Упор
4
У034.00.006-8
Обойма
5
У034.00.003
Шайба
6
ГОСТ 13942-68
Кольцо В40
7
У034.00.000-1
Шайба
8
KC-3577.83.311
Кольцо защитное
9
ГОСТ 9833-73
Кольцо уплотнительное 011-015-25-2-2
10
У034.10.000-1
Корпус
11
КС-3571.42.011
Шайба
12
ГОСТ 6402-70
Шайба 4.65Г
13
ГОСТ 7798-70
Болт М12х45
Содержащиеся в справочниках-каталогах запасные части и детали не предлагаются к продаже, а носят исключительно информационный характер
Дополнительная информация
×
Название:
Номер:
Примечание: