Каталог запасных частей к технике: Автокран КС-3574. Лебедка грузовая КС-3577.26.000-3
2
8
8
55
55
55
56
56
58
59
60
61
62
63
64
65
66
66
67
68
69
70
71
72
72
72
73
74
74
75
75
76
77
78
78
78
79
79
80
81
82
83
84
86
87
88
89
90
91
92
93
94
94
95
96
97
98
99
100
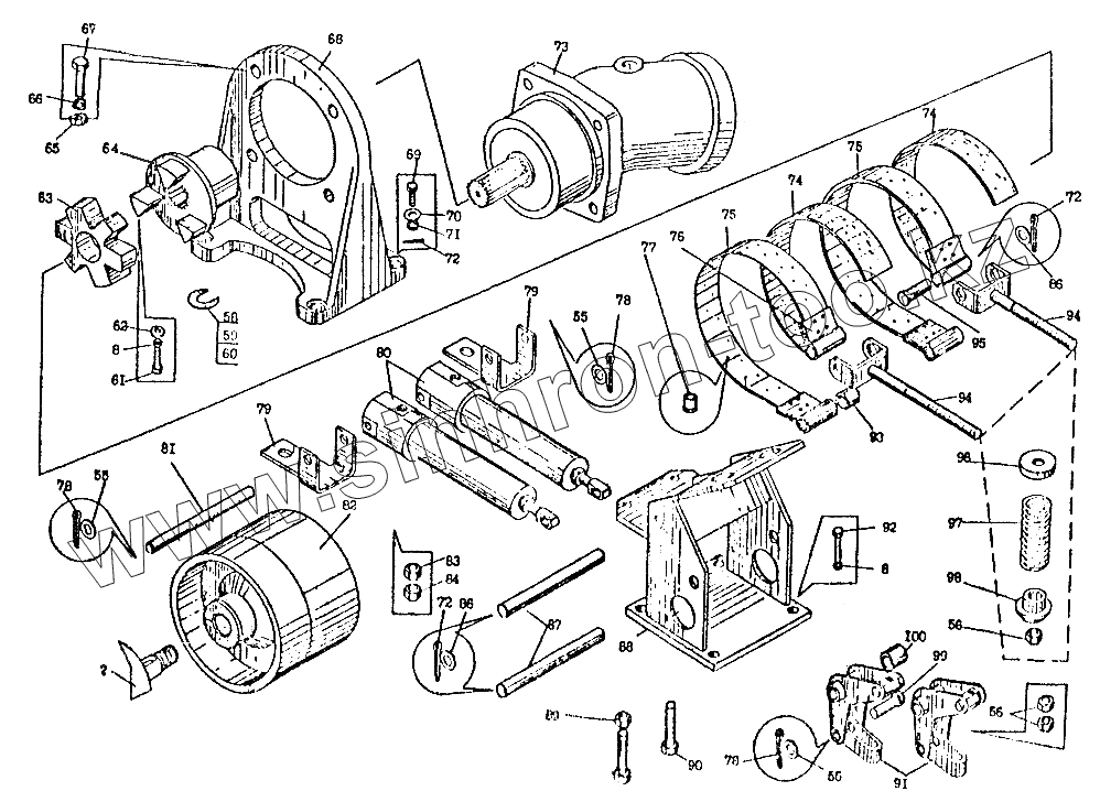
| Позиция на иллюстрации | Заводской номер детали | Название детали | |
|---|---|---|---|
| 2 | 1Ц2У-250-31,5-11У1 | Редуктор | |
| 8 | [Шайба 12.65Г.019 ГОСТ6402-70] | Шайба 12.65Г.019 ГОСТ6402-70 | |
| 55 | [Шайба 12.01.08кп.019 ГОСТ11371-78] | Шайба 12.01.08кп.019 ГОСТ11371-78 | |
| 56 | [Гайка М12-6Н.5.019 ГОСТ5915-70] | Гайка М12-6Н.5.019 ГОСТ5915-70 | |
| 58 | КС-3577.26.013 | Прокладка | |
| 59 | КС-3577.26.013-01 | Прокладка | |
| 60 | КС-3577.26.013-02 | Прокладка | |
| 61 | [Болт М12-8gх25.46.019 ГОСТ7798-70] | Болт М12-8gх25.46.019 ГОСТ7798-70 | |
| 62 | КС-3577.26.016 | Шайба | |
| 63 | КС-3577.26.032-3 | Звездочка | |
| 64 | КС-3577.26.024-1 | Полумуфта | |
| 65 | [Гайка М16-6Н.5.019 ГОСТ5915-70] | Гайка М16-6Н.5.019 ГОСТ5915-70 | |
| 66 | [Шайба 16.65Г.019 ГОСТ6402-70] | Шайба 16.65Г.019 ГОСТ6402-70 | |
| 67 | [Болт М16-8gх65.46.01 ГОСТ7798-70] | Болт М16-8gх65.46.01 ГОСТ7798-70 | |
| 68 | КС-3577.26.007 | Кронштейн | |
| 69 | КС-2573.26.008 | Болт | |
| 70 | КС-3577.26.011 | Шайба | |
| 71 | [Гайка М16.5.019 ГОСТ5918-73] | Гайка М16.5.019 ГОСТ5918-73 | |
| 72 | [Шплинт 4.0х25.016 ГОСТ397-79] | Шплинт 4.0х25.016 ГОСТ397-79 | |
| 73 | [Гидромотор 3031.112.00] | Гидромотор 3031.112.00 | |
| 74 | КС-3577.26.342 | Накладка | |
| 75 | КС-3577.26.341 | Лента | |
| 76 | КС-3577.26.343 | Петля | |
| 77 | [Заклепка трубчатая 6х8] | Заклепка трубчатая 6х8 | |
| 78 | [Шплинт 3,2х20.016 ГОСТ397-79] | Шплинт 3,2х20.016 ГОСТ397-79 | |
| 79 | КС-3577.26.305 | Основание | |
| 80 | КС-3577.26.310-1 | Размыкатель тормоза | |
| 81 | [Ось 1,2х12х180.45Ц9хр ГОСТ9650-80] | Ось 1,2х12х180.45Ц9хр ГОСТ9650-80 | |
| 82 | КС-3577.26.600-3 | Шкив | |
| 83 | [Гайка М24х2,5.019 ГОСТ5915-70] | Гайка М24х2,5.019 ГОСТ5915-70 | |
| 84 | КС-3577.26.002-3 | Гайка | |
| 86 | [Шайба 16.02.ВСт3пс.019 ГОСТ11371-78] | Шайба 16.02.ВСт3пс.019 ГОСТ11371-78 | |
| 87 | [Ось 1,2-16х180.45Ц9хр ГОСТ9650-80] | Ось 1,2-16х180.45Ц9хр ГОСТ9650-80 | |
| 88 | КС-3577.26.360 | Кронштейн | |
| 89 | [Гайка М10-6Н.5.019 ГОСТ5915-70] | Гайка М10-6Н.5.019 ГОСТ5915-70 | |
| 90 | [Винт ВМ10-8gх50.14Н.019 ГОСТ1483-75] | Винт ВМ10-8gх50.14Н.019 ГОСТ1483-75 | |
| 91 | КС-3577.26.350 | Рычаг | |
| 92 | [Болт М12-8gх65.46.20.019 ГОСТ7798-70] | Болт М12-8gх65.46.20.019 ГОСТ7798-70 | |
| 93 | КС-3577.26.307 | Кольцо | |
| 94 | КС-3577.26.370 | Тяга | |
| 95 | [Ось 6-16.80.45.Ц9хр ГОСТ9650-80] | Ось 6-16.80.45.Ц9хр ГОСТ9650-80 | |
| 96 | КС-3577.26.302 | Тарелка | |
| 97 | КС-3577.26.301 | Пружина | |
| 98 | КС-3577.26.308 | Втулка | |
| 99 | [Ось 6-12х45.20.Ц9хр ГОСТ9650-80] | Ось 6-12х45.20.Ц9хр ГОСТ9650-80 | |
| 100 | КС-3577.26.306 | Кольцо |
Содержащиеся в справочниках-каталогах запасные части и детали не предлагаются к продаже, а носят исключительно информационный характер