Каталог запасных частей к технике: Автокран КС-3574. Лебедка грузовая КС-3577.26.000-3
1
1
2
3
4
5
6
7
8
8
9
10
11
12
13
14
15
16
17
17
18
19
20
21
22
23
24
25
25
26
26
27
28
29
30
31
32
33
34
35
36
37
38
39
40
42
43
44
45
46
47
48
49
50
51
52
53
54
55
56
57
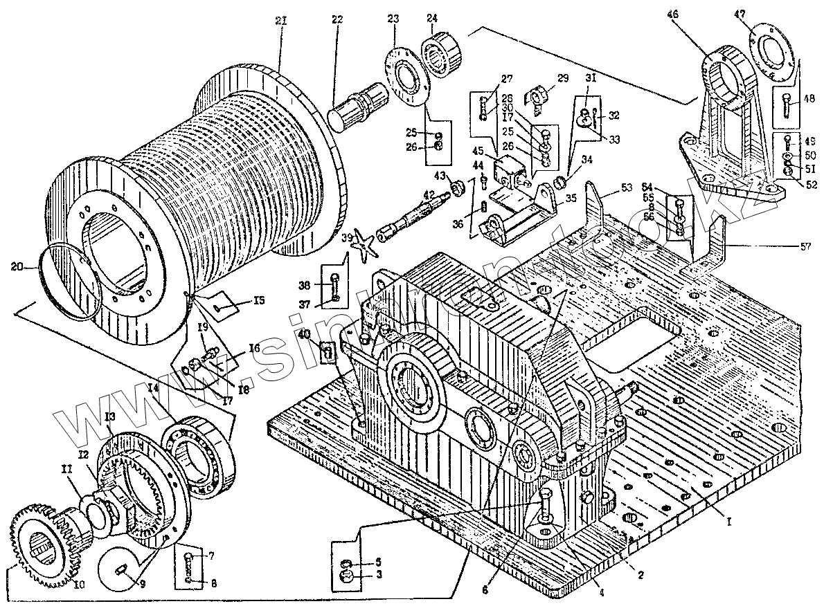
| Позиция на иллюстрации | Заводской номер детали | Название детали | |
|---|---|---|---|
| 1 | КС-3574.26.001-4 | Плита | |
| 1 | КС-3574.26.010 | Плита | |
| 2 | 1Ц2У-250-31,5-11У1 | Редуктор | |
| 3 | [Гайка М24-6Н.5.019 ГОСТ5915-70] | Гайка М24-6Н.5.019 ГОСТ5915-70 | |
| 4 | [Шайба 24.02.ВСт3пс.019 ГОСТ11371-78] | Шайба 24.02.ВСт3пс.019 ГОСТ11371-78 | |
| 5 | [Шайба 24.65Г.019 ГОСТ6402-70] | Шайба 24.65Г.019 ГОСТ6402-70 | |
| 6 | [Болт М24-8gх90.46.20.019 ГОСТ7798-70] | Болт М24-8gх90.46.20.019 ГОСТ7798-70 | |
| 7 | [Болт М12-8gх40.46.019 ГОСТ7798-70] | Болт М12-8gх40.46.019 ГОСТ7798-70 | |
| 8 | [Шайба 12.65Г.019 ГОСТ6402-70] | Шайба 12.65Г.019 ГОСТ6402-70 | |
| 9 | КС-3577.26.203 | Штифт | |
| 10 | КС-3577.26.027-3 | Полумуфта зубчатая | |
| 11 | КС-3577.26.009 | Шайба | |
| 12 | КС-3577.26.008 | Гайка | |
| 13 | КС-3577.26.111-3 | Полумуфта зубчатая | |
| 14 | [Подшипник 1224Л ГОСТ5720-75] | Подшипник 1224Л ГОСТ5720-75 | |
| 15 | [Винт М4х8.46.01.9 ГОСТ1476-75] | Винт М4х8.46.01.9 ГОСТ1476-75 | |
| 16 | [Шплинт 2х20.016 ГОСТ397-79] | Шплинт 2х20.016 ГОСТ397-79 | |
| 17 | [Шайба 8.01.08кп.019 ГОСТ11371-78] | Шайба 8.01.08кп.019 ГОСТ11371-78 | |
| 18 | КС-3577.80.503 | Ролик | |
| 19 | КС-3577.80.502 | Палец | |
| 20 | [Кольцо 1В215 ГОСТ13941-80] | Кольцо 1В215 ГОСТ13941-80 | |
| 21 | КС-3577.26.105 | Барабан | |
| 22 | КС-3577.26.107-3 | Ось | |
| 23 | КС-3577.26.026-01 | Крышка | |
| 24 | [Подшипник 3610 ГОСТ5721-75] | Подшипник 3610 ГОСТ5721-75 | |
| 25 | [Шайба 8.65Г.019 ГОСТ6402-70] | Шайба 8.65Г.019 ГОСТ6402-70 | |
| 26 | [Гайка М8-6Н.5.019 ГОСТ5915-70] | Гайка М8-6Н.5.019 ГОСТ5915-70 | |
| 27 | [Винт М5х45.46.019 ГОСТ17473-80] | Винт М5х45.46.019 ГОСТ17473-80 | |
| 28 | [Шайба 5.65Г.019 ГОСТ6402-70] | Шайба 5.65Г.019 ГОСТ6402-70 | |
| 29 | КС-3577.80.520 | Гайка | |
| 30 | [Болт М8-8gх45.46.20.019 ГОСТ7798-70] | Болт М8-8gх45.46.20.019 ГОСТ7798-70 | |
| 31 | [Гайка М10.5.019 ГОСТ5918-73] | Гайка М10.5.019 ГОСТ5918-73 | |
| 32 | [Шплинт 2,5х25.016 ГОСТ397-79] | Шплинт 2,5х25.016 ГОСТ397-79 | |
| 33 | [Шайба 10.01.019 ГОСТ11371-78] | Шайба 10.01.019 ГОСТ11371-78 | |
| 34 | КС-3577.80.506 | Втулка | |
| 35 | КС-3577.80.510 | Основание | |
| 36 | КС-3577.80.507 | Пружина | |
| 37 | [Шайба 6.65Г.019 ГОСТ6402-70] | Шайба 6.65Г.019 ГОСТ6402-70 | |
| 38 | [Болт М6х16.46.019 ГОСТ7798-70] | Болт М6х16.46.019 ГОСТ7798-70 | |
| 39 | КС-3577.80.509 | Звездочка | |
| 40 | КС-2573.26.011 | Втулка | |
| 42 | КС-3577.80.501 | Винт | |
| 43 | КС-3577.80.505 | Втулка | |
| 44 | КС-3577.80.504 | Собачка | |
| 45 | [Выключатель путевой конечный ВПК 2111У2] | Выключатель путевой конечный ВПК 2111У2 | |
| 46 | КС-3577.26.017-2 | Кронштейн | |
| 47 | КС-3577.26.026 | Крышка | |
| 48 | [Болт М8-8gх60.46.20.019 ГОСТ7798-70] | Болт М8-8gх60.46.20.019 ГОСТ7798-70 | |
| 49 | [Болт М20-8gх80.46.20.019 ГОСТ7798-70] | Болт М20-8gх80.46.20.019 ГОСТ7798-70 | |
| 50 | [Шайба 20.02ВСт3пс.019 ГОСТ11371-78] | Шайба 20.02ВСт3пс.019 ГОСТ11371-78 | |
| 51 | [Шайба 20.65Г.019 ГОСТ6402-70] | Шайба 20.65Г.019 ГОСТ6402-70 | |
| 52 | [Гайка М20-6Н.5.019 ГОСТ5915-70] | Гайка М20-6Н.5.019 ГОСТ5915-70 | |
| 53 | КС-3577.26.004-3 | Кронштейн | |
| 54 | [Болт М12-8gх50.46.20.019 ГОСТ7798-70] | Болт М12-8gх50.46.20.019 ГОСТ7798-70 | |
| 55 | [Шайба 12.01.08кп.019 ГОСТ11371-78] | Шайба 12.01.08кп.019 ГОСТ11371-78 | |
| 56 | [Гайка М12-6Н.5.019 ГОСТ5915-70] | Гайка М12-6Н.5.019 ГОСТ5915-70 | |
| 57 | КС-3577.26.005-3 | Кронштейн |
Содержащиеся в справочниках-каталогах запасные части и детали не предлагаются к продаже, а носят исключительно информационный характер