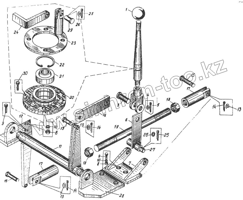
Каталог запасных частей к технике: Автокран КС-3571. Управление приводом насоса КС-3562А.18.000 СБ
КС-3562А.18.000СБ
1
2
3
4
5
6
7
8
8
9
9
10
10
11
12
13
13
13
14
14
14
15
15
15
16
17
17
18
18
19
20
21
22
23
24
25
25
26
26
27
28
29
30
| Позиция на иллюстрации | Заводской номер детали | Название детали | |
|---|---|---|---|
| КС-3562А.18.000СБ | КС-3562А.18.000СБ | Управление приводом насоса | |
| 1 | KC-3571.12.006 | Ручка | |
| 2 | KC-3562A.13.070 | Рычаг | |
| 3 | 22-12Х5х36.20Ц9Хр ГОСТ 9650-71 | Ось | |
| 4 | 12-02.019 ГОСТ 11371-68 | Шайба | |
| 5 | 3,2x20.20.019 ГОСТ 397-66 | Шплинт | |
| 6 | KC-3562A.18.050 | Рычаг | |
| 7 | KC-3562A.18.030 | Кронштейн | |
| 8 | M10.5.019 ГОСТ 5915-70 | Гайка | |
| 9 | M10x30.46.019 ГОСТ 7798-70 | Болт | |
| 10 | 10.65Г.019 ГОСТ 6402-70 | Шайба | |
| 11 | KC-3562A.18.080 | Рычаг | |
| 12 | KC-3562A.18.010 | Кронштейн | |
| 13 | 8.01.019 ГОСТ 11371-68 | Шайба | |
| 14 | 2x20.20.019 ГОСТ 397-66 | Шплинт | |
| 15 | 22-8Х5х25.20Ц9Хр ГОСТ 9650-71 | Ось | |
| 16 | KС-3562A.18.002 | Тяга | |
| 17 | KС-3562A.13.012 | Вилка | |
| 18 | M6.5.019 ГОСТ 5915-70 | Гайка | |
| 19 | KC-3562A.18.001 | Тяга | |
| 20 | KC-3562A.13.006 | Корпус | |
| 21 | 2ШМ-20 ГОСТ 3635-54 | Подшипник | |
| 22 | Б47 ГОСТ 13943-68 | Кольцо | |
| 23 | KC-3562A.18.020 | Кронштейн | |
| 24 | КС-3562А.13.013 | Стопор | |
| 25 | 2,5x16.20.019 ГОСТ 397-66 | Шплинт | |
| 26 | 10-01.019 ГОСТ 11371-68 | Шайба | |
| 27 | 22-10Х5х65.20.Ц9Хр ГОСТ 9650-71 | Ось | |
| 28 | KC-3562A.18.040 | Кронштейн | |
| 29 | 22-10Х5х25.20.Ц9Хр ГОСТ 9650-71 | Ось | |
| 30 | M10x35.46.019 ГОСТ 7798-70 | Болт |
Содержащиеся в справочниках-каталогах запасные части и детали не предлагаются к продаже, а носят исключительно информационный характер