Каталог запасных частей к технике: Автокран КС-35715. Механизм поворота КС-3577.28.000-1
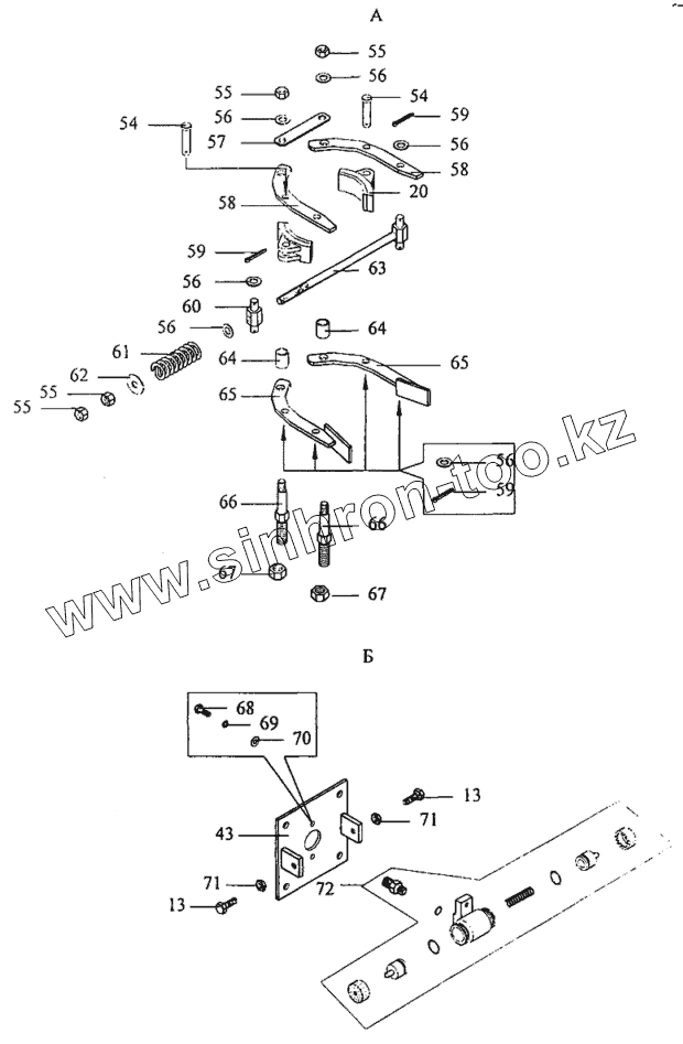
13
13
20
43
54
54
55
55
55
55
56
56
56
56
56
56
57
58
58
59
59
59
60
61
62
63
64
64
65
65
66
66
67
67
68
69
70
71
71
72
| Позиция на иллюстрации | Заводской номер детали | Название детали | |
|---|---|---|---|
| 13 | [Болт М10-8gх30.46.20.019 ГОСТ7798-70] | Болт М10-8gх30.46.20.019 ГОСТ7798-70 | |
| 20 | КС-3577.28.030 | Колодка | |
| 43 | КС-3577.28.150-1 | Кронштейн | |
| 54 | КС-3577.28.108 | Ось | |
| 55 | [Гайка М12-6Н.5.019 ГОСТ5915-70] | Гайка М12-6Н.5.019 ГОСТ5915-70 | |
| 56 | [Шайба 12.01.08кп.019 ГОСТ11371-78] | Шайба 12.01.08кп.019 ГОСТ11371-78 | |
| 57 | КС-3577.28.123 | Планка | |
| 58 | КС-3577.28.131 | Рычаг | |
| 59 | [Шплинт 4х32.016 ГОСТ397-79] | Шплинт 4х32.016 ГОСТ397-79 | |
| 60 | КС-3577.28.116 | Траверса | |
| 61 | КС-3577.28.117 | Пружина | |
| 62 | КС-3577.71.014 | Шайба | |
| 63 | КС-3577.28.040 | Тяга | |
| 64 | КС-3577.28.129 | Втулка | |
| 65 | КС-3577.28.130 | Рычаг в сборе | |
| 66 | КС-3577.28.128 | Ось | |
| 67 | [Гайка М16-6Н.5.019 ГОСТ5915-70] | Гайка М16-6Н.5.019 ГОСТ5915-70 | |
| 68 | [Болт М8-8gх20.46.20.019 ГОСТ7798-70] | Болт М8-8gх20.46.20.019 ГОСТ7798-70 | |
| 69 | [Шайба 8.65Г.019 ГОСТ6402-70] | Шайба 8.65Г.019 ГОСТ6402-70 | |
| 70 | [Шайба 8.01.08кп.019 ГОСТ11371-78] | Шайба 8.01.08кп.019 ГОСТ11371-78 | |
| 71 | [Гайка М10-6Н.04.019 ГОСТ5916-70] | Гайка М10-6Н.04.019 ГОСТ5916-70 | |
| 72 | КС-3577.28.200 | Размыкатель тормоза |
Содержащиеся в справочниках-каталогах запасные части и детали не предлагаются к продаже, а носят исключительно информационный характер