Каталог запасных частей к технике: Автокран КС-35715. Механизм поворота КС-3577.28.000-1
1
1
2
3
4
5
6
7
8
9
9
10
11
11
12
12
13
13
13
14
14
14
14
14
14
14
15
16
17
18
19
20
21
22
23
24
25
26
27
28
29
29
30
31
32
33
34
35
36
37
37
38
38
39
40
41
42
43
44
45
46
46
47
48
49
50
51
52
53
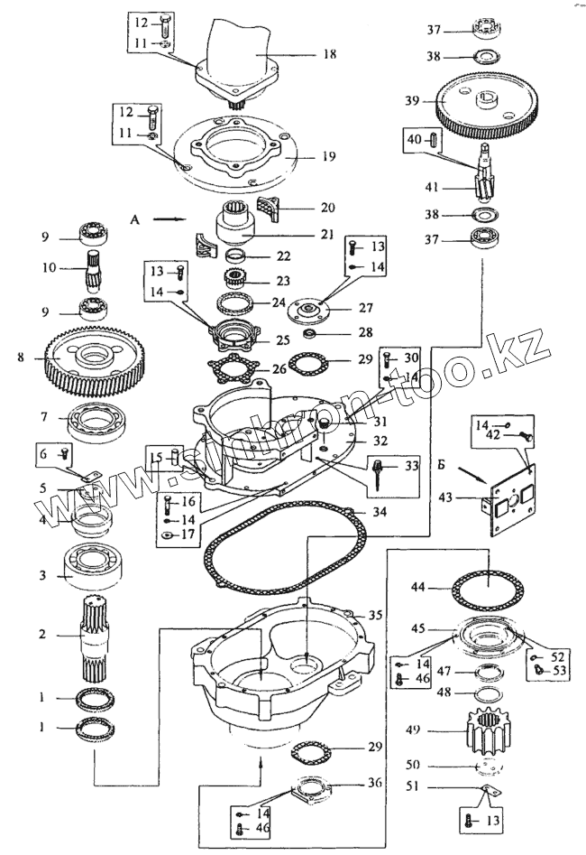
| Позиция на иллюстрации | Заводской номер детали | Название детали | |
|---|---|---|---|
| 1 | [Манжета 1.2-75х100-1 ГОСТ8752-79] | Манжета 1.2-75х100-1 ГОСТ8752-79 | |
| 2 | КС-3577.28.093-3 | Вал | |
| 3 | 3614 | Подшипник ГОСТ5721-75 | |
| 4 | КС-3577.28.096 | Втулка | |
| 5 | КС-3577.28.145 | Шайба | |
| 6 | [Болт М10-8gх25.46.20.019 ГОСТ7796-70] | Болт М10-8gх25.46.20.019 ГОСТ7796-70 | |
| 7 | 217 | Подшипник ГОСТ8338-75 | |
| 8 | КС-3577.28.097-3 | Колесо зубчатое | |
| 9 | 1606 | Подшипник ГОСТ28428-90 | |
| 10 | КС-3577.28.101-1 | Вал-шестерня | |
| 11 | [Шайба 16.65Г.019 ГОСТ6402-70] | Шайба 16.65Г.019 ГОСТ6402-70 | |
| 12 | [Болт М16-8gх45.46.20.019 ГОСТ7798-70] | Болт М16-8gх45.46.20.019 ГОСТ7798-70 | |
| 13 | [Болт М10-8gх30.46.20.019 ГОСТ7798-70] | Болт М10-8gх30.46.20.019 ГОСТ7798-70 | |
| 14 | [Шайба 10.65Г.019 ГОСТ6402-70] | Шайба 10.65Г.019 ГОСТ6402-70 | |
| 15 | [Штифт 2.16х40 ГОСТ3128-70] | Штифт 2.16х40 ГОСТ3128-70 | |
| 16 | [Болт М10-8gх45.46.20.019 ГОСТ7798-70] | Болт М10-8gх45.46.20.019 ГОСТ7798-70 | |
| 17 | [Шайба 10.01.08кп.019 ГОСТ11371-78] | Шайба 10.01.08кп.019 ГОСТ11371-78 | |
| 18 | 310.3.112-00 | Гидромотор | |
| 19 | КС-3577.28.125-2 | Фланец | |
| 20 | КС-3577.28.030 | Колодка | |
| 21 | КС-3577.28.126-1 | Шкив тормозной | |
| 22 | КС-3577.28.112-1 | Кольцо | |
| 23 | КС-3577.28.104 | Полумуфта | |
| 24 | [Манжета 1.2-70х95-1 ГОСТ8752-79] | Манжета 1.2-70х95-1 ГОСТ8752-79 | |
| 25 | КС-3577.28.082-1 | Крышка | |
| 26 | КС-3577.28.084 | Прокладка | |
| 27 | КС-3577.28.072-1 | Крышка | |
| 28 | [Манжета 3-32х20-6 ГОСТ14896-84] | Манжета 3-32х20-6 ГОСТ14896-84 | |
| 29 | КС-3577.28.086 | Прокладка | |
| 30 | [Болт М10-8gх35.46.20.019 ГОСТ7798-70] | Болт М10-8gх35.46.20.019 ГОСТ7798-70 | |
| 31 | КС-3577.28.074 | Пробка | |
| 32 | КС-3577.28.081 | Верхняя часть корпуса | |
| 33 | КС-3577.28.103 | Указатель уровня масла | |
| 34 | КС-3577.28.106 | Прокладка | |
| 35 | КС-3577.28.102 | Нижняя часть корпуса | |
| 36 | КС-3577.28.121-1 | Крышка | |
| 37 | 306К5 | Подшипник ГОСТ8338-75 | |
| 38 | КС-3577.28.105 | Маслоотражатель | |
| 39 | КС-3577.28.083-3 | Колесо зубчатое | |
| 40 | [Шпонка 10х8х40 ГОСТ23360-78] | Шпонка 10х8х40 ГОСТ23360-78 | |
| 41 | КС-3577.28.073-3 | Вал-шестерня | |
| 42 | [Болт М10-8gх20.46.20.019 ГОСТ7798-70] | Болт М10-8gх20.46.20.019 ГОСТ7798-70 | |
| 43 | КС-3577.28.150-1 | Кронштейн | |
| 44 | КС-3577.28.088 | Прокладка | |
| 45 | КС-3577.28.087-1 | Крышка | |
| 46 | [Болт М10-8gх25.46.20.019 ГОСТ7798-70] | Болт М10-8gх25.46.20.019 ГОСТ7798-70 | |
| 47 | КС-3577.28.075 | Шайба | |
| 48 | КС-3577.28.094 | Шайба регулировочная | |
| 49 | КС-3577.28.092-1 | Шестерня | |
| 50 | У2.11.63.013-01 | Шайба упорная | |
| 51 | У2.12.63.014-01 | Шайба упорная | |
| 52 | КС-3577.28.091 | Прокладка | |
| 53 | КС-3577.83.092 | Пробка |
Содержащиеся в справочниках-каталогах запасные части и детали не предлагаются к продаже, а носят исключительно информационный характер