Вернуться на главную
Поиск
Каталоги запчастей к технике
Спецтехника
Автокран
КС-35715
Кран двухпозиционный У.034.00.000-11
Каталог запасных частей к технике: Автокран КС-35715. Кран двухпозиционный У.034.00.000-11
zoom-in
zoom-out
enlarge
shrink
circle-right
circle-left
file-text2
info
cart
Тип техники
Не выбрано
Легковые автомобили
Грузовые автомобили и прицепы
Автобусы
Сельхозтехника
Спецтехника
Двигатели
Мототехника
Марка
Не выбрано
Ammann
BOMAG
CARMIX
CASE IH
Changlin
ChengGong
Dimex
Doosan
DYNAPAC
Foton
HAMM
Hidromek
Hitachi
Hyundai
JCB
JLG
John Deere
Komatsu
LIEBHERR
LiuGong
Lonking (LongGong)
Luneng
MANITOU
Mitsuber
New Holland
PENGPU
RM-Terex
SANY
SDLG
SEM
Shantui
Shehwa HBXG
Soosan
TIGARBO
VOGELE
Volvo
WAY
WIRTGEN
XCMG
XGMA
Xiamen
YTO
Yuchai
Zoomlion
Автокран
АЗСМ
Алтайлесмаш
Амкодор
АОМЗ
Атек
АТЗ
Балканкар Рекорд
БелАЗ
Беловеж
Борекс
Брянский Арсенал
Булат
ВЭКС
ГАЗ
Геомаш
Гидромаш
Донекс
Дормаш
Дормашина
Дорэлектромаш
ДЭЗ
ЕлАЗ
ЗЗГТ
Ижнефтемаш
Канаш-электрокар
КЗКТ
ККЗ
Клевер
Клинцовский автокрановый завод
КМЗ
КМЗ 1 Мая
Ковровец
Коммаш
Кранэкс
КЭЗ
КЭМЗ
ЛЗА
МАЗ
МЗИК
МЗКМ
МЗКТ
Михневский РМЗ
МоАЗ
Мозырский МЗ
МТЗ
ОЗП
Онежец
ПАО "ТЗА"
ППС Детва
Промтрактор
ПТЗ
Раскат
СпецАгрегат
ТВЭКС
ТТМ
УВЗ
Угличмаш
УЗТМ
ХТЗ
ЧЗКМ
ЧСДМ
ЧТЗ
ЭКСКО
ЭКСМАШ
ЮрМаш
Модель
Не выбрано
КС-3571 (2002)
КС-35714 (2002)
КС-35715 (2002)
КС-3574 (2002)
КС-3576 (2002)
КС-3577 (2003)
КС-4562
КС-45717К-1
КС-45717К-1 (вариант) (2010)
КС-6973А (2002)
Схема
>
Не выбрано
Установка кабины КС-35714.52.000-02
Установка отопителя КС35714.55.000
Рама поворотная с механизмами КС-35414.50.000
Рама поворотная КС-35714.50.100
Коробка отбора мощности КС-35715.14.100
Установка нижней рамы КС-35715.30.000
Рама опорная КС-35715.30.500
Установка выносных опор КС-35714.31.000
Опора в сборе КС-35714.31.050
Установка опоры поворотной КС-35714.17.000
Установка запасного колеса КС-35715.90.000
Приводы управления крановыми операциями КС-3577.70.000
Приводы управления крановыми операциями КС-3577.70.000
Привод управления двигателем КС-35715.72.000
Механизм блокировки подвески КС-3577А.35.000
Пневмооборудование шасси КС-35715.85.000
Гидрооборудование поворотной части
Клапан "ИЛИ" КС-3577.84.540-1
Клапан обратный управляемый КС-3577.84.700-1
Гидрораспределитель У.063.00.000-3-01
Гидрораспределитель
Гидроблок уравновешивания У3.20.10.000-2
Гидроблок уравновешивания У3.20.10.000
Гидроцилиндр КС-35714.63.900-04
Гидроцилиндр КС-4572А.63.400-2
Гидрооборудование неповоротной части КС-35715.83.000-1
Соединение вращающееся КС-3577.83.300-02
Насос ручной КС-45717.83.700-1
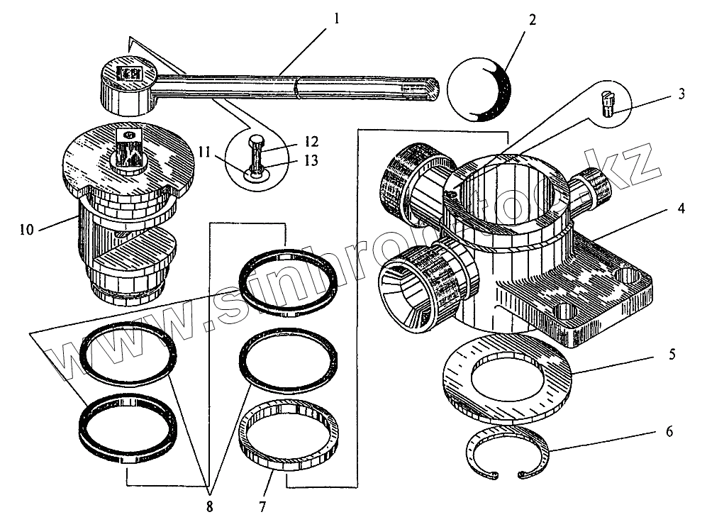
Кран двухпозиционный У.034.00.000-11
Гидрораспределитель У3.19.00.000
Гидроцилиндр КС-3577А.35.020
Гидроцилиндр Ц22А.000
Гидроцилиндр КС-3574.31.300-1
Гидрозамок КС-3577.83.200
Привод насоса КС-35715.14.000
Клапан аварийный КС-3577.84.400
Электрооборудование КС-35715.81.000
Токосъемник КС-35714.80.200-01
Ограничитель подъема крюка
Ограничитель подъема стрелы
Установка приборов безопасности КС-35714.81.800
Щиток приборов КС-35714.80.350
Установка телескопической стрелы КС-35714.63.000
Установка телескопической стрелы КС-35714.63.000
Установка телескопической стрелы КС-35714.63.000
Установка телескопической стрелы КС-35714.63.000
Установка телескопической стрелы КС-35714.63.000
Подвеска крюковая КС-3578.63.300
Установка гуська КС-35714.62.000
Установка гуська КС-35714.62.000
Подвеска крюковая КС-3577А.66.300
Механизм поворота КС-3577.28.000-1
Механизм поворота КС-3577.28.000-1
Размыкатель тормоза КС-3577.28.200
Лебедка грузовая КС-35714.26.000
Барабан в сборе КС-35714.26.100
Ограничитель опускания крюка КС-35714.26.500
Тормоз КС-3577.26.500-01
Размыкатель тормоза КС-3577.26.310-1
Установка прижимного ролика КС-35714.56.000
Редуктор КС-35714.26.700
Установка противовеса КС-35715.94.000
Кожух КС-35714.53.000-02
Установка креномера КС-3574.93.000
Установка креномера КС-3574.93.000
Кран автомобильный КС-35715.00.000
Инструмент и принадлежности КС-35714.91.000
1
2
3
4
5
6
7
8
9
10
11
12
13
Позиция на иллюстрации
Заводской номер детали
Название детали
1
У.034.20.000-9
Ручка
2
[Ручка 40]
Ручка 40
3
У.034.00.004
Упор
4
У.034.00.006-7
Обойма
5
У.034.00.003
Шайба
6
[Кольцо В40 ГОСТ13942-68]
Кольцо В40 ГОСТ13942-68
7
У.034.00.001-1
Шайба
8
КС-3577.83.311
Кольцо защитное
9
[Кольцо 046-052-36-2-2 ГОСТ9833-73]
Кольцо 046-052-36-2-2 ГОСТ9833-73
10
У.034.00.002-9
Корпус
11
КС-3571.42.011
Шайба
12
[Болт М8-8gх20.46.20.019 ГОСТ7798-70]
Болт М8-8gх20.46.20.019 ГОСТ7798-70
13
[Шайба 8.65Г.019 ГОСТ6402-70]
Шайба 8.65Г.019 ГОСТ6402-70
Содержащиеся в справочниках-каталогах запасные части и детали не предлагаются к продаже, а носят исключительно информационный характер
Дополнительная информация
×
Название:
Номер:
Примечание: