Каталог запасных частей к технике: Автокран КС-35715. Гидрораспределитель У3.19.00.000
1
2
2
2
3
4
5
6
7
7
8
8
9
10
11
11
11
12
13
14
15
16
16
17
17
17
18
19
19
20
21
22
23
24
24
25
26
27
28
29
30
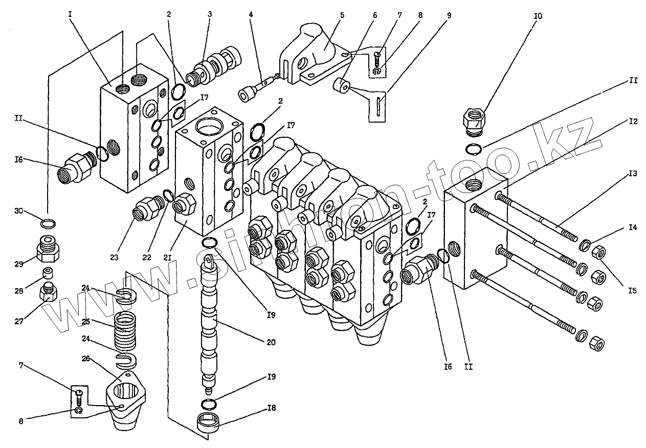
| Позиция на иллюстрации | Заводской номер детали | Название детали | |
|---|---|---|---|
| 1 | У3.19.10.001 | Корпус напорной секции | |
| 2 | [Кольцо 030-035-30-2-2 ГОСТ9833-73] | Кольцо 030-035-30-2-2 ГОСТ9833-73 | |
| 3 | 510.20.10 | Клапан предохранительный | |
| 4 | У3.19.20.005 | Рычаг | |
| 5 | У3.19.20.003 | Крышка | |
| 6 | У3.19.20.006 | Ось | |
| 7 | [Винт М8-8gх16.46.019 ГОСТ11738-84] | Винт М8-8gх16.46.019 ГОСТ11738-84 | |
| 8 | [Шайба 8.65Г.019 ГОСТ6402-70] | Шайба 8.65Г.019 ГОСТ6402-70 | |
| 9 | У3.19.20.007 | Штифт | |
| 10 | У3.19.00.003 | Пробка | |
| 11 | [Кольцо 021-025-2-2 ГОСТ9833-73] | Кольцо 021-025-2-2 ГОСТ9833-73 | |
| 12 | У3.19.00.001 | Корпус сливной секции | |
| 13 | У3.19.00.002 | Шпилька | |
| 14 | [Шайба 10.65Г.019 ГОСТ6402-70] | Шайба 10.65Г.019 ГОСТ6402-70 | |
| 15 | [Гайка М10-7Н.5.019 ГОСТ5915-70] | Гайка М10-7Н.5.019 ГОСТ5915-70 | |
| 16 | КС-3577.84.008 | Штуцер | |
| 17 | [Кольцо 018-022-25-2-2 ГОСТ9833-73] | Кольцо 018-022-25-2-2 ГОСТ9833-73 | |
| 18 | У3.19.20.008 | Втулка | |
| 19 | [Кольцо 025-030-30-2-2 ГОСТ9833-73] | Кольцо 025-030-30-2-2 ГОСТ9833-73 | |
| 20 | У3.19.20.002 | Золотник | |
| 21 | У3.19.20.001 | Корпус рабочей секции | |
| 22 | [Кольцо 011-015-25-2-2 ГОСТ9833-73] | Кольцо 011-015-25-2-2 ГОСТ9833-73 | |
| 23 | КС-3577.83.027 | Штуцер | |
| 24 | У.061.20.016 | Шайба | |
| 25 | У3.19.20.009 | Пружина | |
| 26 | У3.19.20.004 | Крышка | |
| 27 | У3.19.10.003 | Пробка | |
| 28 | КС-3577.83.094-1 | Шайба | |
| 29 | У3.19.10.002 | Штуцер | |
| 30 | КС-3577.83.043 | Шайба |
Содержащиеся в справочниках-каталогах запасные части и детали не предлагаются к продаже, а носят исключительно информационный характер