Каталог запасных частей к технике: Автокран КС-35714. Установка отопителя КС35714.55.000
1
1
1
2
3
4
5
6
6
6
7
7
7
8
8
8
9
10
11
12
13
14
14
15
15
16
17
18
19
20
21
22
23
24
25
26
27
28
29
29
30
31
32
33
34
35
36
37
38
39
40
41
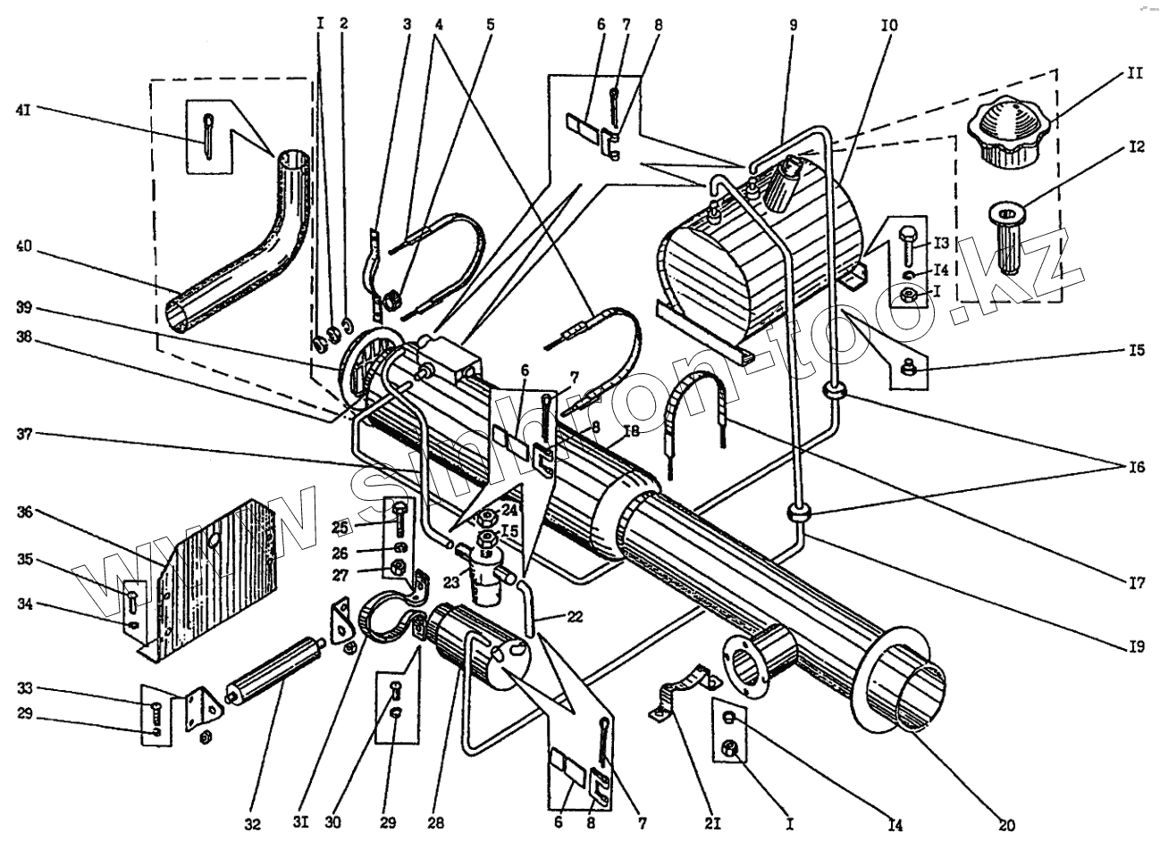
| Позиция на иллюстрации | Заводской номер детали | Название детали | |
|---|---|---|---|
| 1 | [Гайка М8-7Н.5.019 ГОСТ5915-70] | Гайка М8-7Н.5.019 ГОСТ5915-70 | |
| 2 | [Шайба 8.02.Ст3пс.019 ГОСТ11371-78] | Шайба 8.02.Ст3пс.019 ГОСТ11371-78 | |
| 3 | КС-3577.55.007 | Скоба | |
| 4 | КС-3577.55.300 | Хомут | |
| 5 | КС-3577.55.008 | Втулка | |
| 6 | КС-3577.55.015 | Лента 5-1x160-3 | |
| 7 | [Шплинт 4x18.016 ГОСТ397-79] | Шплинт 4x18.016 ГОСТ397-79 | |
| 8 | КС-3577.55.016 | Пряжка | |
| 9 | КС-35714.55.001 | Рукав 6x14-10 (L=750мм) | |
| 10 | КС-35714.55.500 | Бензобак | |
| 11 | КС-3577.55.230 | Крышка горловины в сборе | |
| 12 | КС-3577.55.220 | Фильтр в сборе | |
| 13 | [Болт М8-8gх20.46.20.019 ГОСТ7798-70] | Болт М8-8gх20.46.20.019 ГОСТ7798-70 | |
| 14 | [Шайба 8.65Г.019 ГОСТ6402-70] | Шайба 8.65Г.019 ГОСТ6402-70 | |
| 15 | [Шайба 8.65Г.019 ГОСТ6402-70] | Шайба 8.65Г.019 ГОСТ6402-70 | |
| 16 | [Втулка изолирующая 16х10] | Втулка изолирующая 16х10 | |
| 17 | КС-3577.55.400 | Хомут | |
| 18 | 030-В4 | Отопительная установка | |
| 19 | КС-35714.55.002 | Рукав 6x14-10 (L=950мм) | |
| 20 | КС-3577.55.100-01 | Воздуховод | |
| 21 | КС-3577.55.012 | Скоба | |
| 22 | КС-3577.55.002 | Рукав 6x14-10 | |
| 23 | 968-8106300 | Бензоотстойник | |
| 24 | [Гайка М8х1-7Н.5.019 ГОСТ5915-70] | Гайка М8х1-7Н.5.019 ГОСТ5915-70 | |
| 25 | 201419-П29 | Винт М6-6gх22.222528-П29 | |
| 26 | [Шайба 6.65Г.016 ГОСТ6402-70] | Шайба 6.65Г.016 ГОСТ6402-70 | |
| 27 | [Гайка М6-6Н ОСТ 37.001.124-75] | Гайка М6-6Н ОСТ 37.001.124-75 | |
| 28 | БН203-10 | Бензонасос | |
| 29 | [Шайба 4.65Г.016 ГОСТ6402-70] | Шайба 4.65Г.016 ГОСТ6402-70 | |
| 30 | [Винт М4-8gх16.46.016 ГОСТ17473-80] | Винт М4-8gх16.46.016 ГОСТ17473-80 | |
| 31 | 015-3080 | Кронштейн бензонасоса | |
| 32 | 0865-2030 | Электросопротивление 0,65 Ом | |
| 33 | 850361-П29 | Винт М4х5 | |
| 34 | [Шайба 6.65Г.019 ГОСТ6402-70] | Шайба 6.65Г.019 ГОСТ6402-70 | |
| 35 | [Винт М6-8gх12.46.019 ГОСТ17473-80] | Винт М6-8gх12.46.019 ГОСТ17473-80 | |
| 36 | КС-3577.55.011 | Кронштейн | |
| 37 | КС-3577.55.003 | Рукав 6x14-10 | |
| 38 | КС-3577.55.005-1 | Труба | |
| 39 | КС-3577.55.006 | Крышка | |
| 40 | КС-3577.55.009 | Труба | |
| 41 | [Шплинт 5x63.016 ГОСТ397-79] | Шплинт 5x63.016 ГОСТ397-79 |
Содержащиеся в справочниках-каталогах запасные части и детали не предлагаются к продаже, а носят исключительно информационный характер