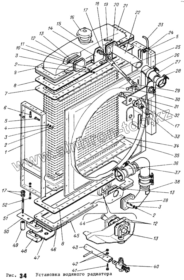
Каталог запасных частей к технике: АТЗ ТТ-4М. Установка водяного радиатора
1
2
3
4
5
6
7
8
9
10
11
12
13
14
15
16
17
18
19
20
21
22
23
24
25
26
27
28
29
30
31
32
33
34
35
36
37
38
39
40
41
42
43
44
45
46
47
48
49
50
51
52
| Позиция на иллюстрации | Заводской номер детали | Название детали | |
|---|---|---|---|
| МО4У.13.003-2 | МО4У.13.003-2 | Радиатор водяной | |
| 1 | 85У.13.053-1 | Стойка | |
| 2 | Гайка М8-6Н.6.016 ГОСТ 5915-70 | Гайка М8-6Н.6.016 ГОСТ 5915-70 | |
| 3 | Шайба 8Т 65Г 096 ГОСТ 6402-70 | Шайба 8Т 65Г 096 ГОСТ 6402-70 | |
| 4 | Шайба 8.01.016 ГОСТ 11371-78 | Шайба 8.01.016 ГОСТ 11371-78 | |
| 5 | Болт М8-6gх16.88.016 ГОСТ 7796-70 | Болт М8-6gх16.88.016 ГОСТ 7796-70 | |
| 6 | Болт М8-6gх25.88.016 ГОСТ 7796-70 | Болт М8-6gх25.88.016 ГОСТ 7796-70 | |
| 7 | 77У.13.016-2 | Сердцевина водяного радиатора | |
| 8 | МО4У.13.118 | Прокладка баков | |
| 9 | МО4У.13.121 | Накладка угловая | |
| 10 | Шпилька М8-6gх25.66.016 ГОСТ 22038-76 | Шпилька М8-6gх25.66.016 ГОСТ 22038-76 | |
| 11 | 85У.13.313 | Заглушка | |
| 12 | МО4У.13.133 | Прокладка | |
| 13 | МО4У.13.109-1 | Фланец | |
| 14 | МО4У.13.198 | Кронштейн | |
| 15 | 85У.13.260 | Горловина с трубкой | |
| 16 | А21.01.270 | Крышка | |
| 17 | Гайка М12-6Н.6А.016 ГОСТ 5916-70 | Гайка М12-6Н.6А.016 ГОСТ 5916-70 | |
| 18 | МО4.13.127-2 | Проушина | |
| 19 | Рукав-деталь 7-13-40-015(1,5) ОСТ 38.05. | Рукав-деталь 7-13-40-015(1,5) ОСТ 38.05.325-83 | |
| 20 | Шплинт 3,2-20.016 ГОСТ 397-79 | Шплинт 3,2-20.016 ГОСТ 397-79 | |
| 21 | 85У.13.301-3 | Бак радиатора верхний | |
| 22 | 85У-13.303 | Патрубок верхнего бака | |
| 23 | МТ4У.13.337-1 | Трубка. пароотводящая | |
| 24 | 150У.13.237 | Скоба | |
| 25 | МТ4.13.130 | Тяга | |
| 26 | Гайка М12х1,25-6Н.6.016 ГОСТ 5915-70 | Гайка М12х1,25-6Н.6.016 ГОСТ 5915-70 | |
| 27 | МТ4.13.134 | Муфта | |
| 28 | МО4.13.035 | Хомут | |
| 29 | А40-17-1 | Вилка | |
| 30 | Т4.40.106 | Ось | |
| 31 | Болт М12-6gх25.88.016 ГОСТ 7796-70 | Болт М12-6gх25.88.016 ГОСТ 7796-70 | |
| 32 | МТ4.13.033 | Кронштейн | |
| 33 | МТ4.13.132 | Гайка специальная | |
| 34 | МО4У.13.123 | Накладка внутренняя | |
| 35 | МТ4.13.015 | Кожух вентилятора | |
| 36 | МО4.13.160 | Муфта | |
| 37 | МО4.13.136-1 | Патрубок переходной нижний | |
| 38 | 85У.13.312-1 | Патрубок нижнего бака | |
| 39 | Шпилька М8-6gх35.66.016 ГОСТ 22038-76 | Шпилька М8-6gх35.66.016 ГОСТ 22038-76 | |
| 40 | 01-176000 | Кран | |
| 41 | Болт М6-6gх30.88.016 ГОСТ 7798-70 | Болт М6-6gх30.88.016 ГОСТ 7798-70 | |
| 42 | Гайка М6-6Н.6.016 ГОСТ 5915-70 | Гайка М6-6Н.6.016 ГОСТ 5915-70 | |
| 43 | МТ4.13.005 | Вороток | |
| 44 | МТ4.13.035 | Фланец | |
| 45 | МО4У.13.122 | Накладка наружная | |
| 46 | 85У.13.311-3 | Бак радиатора нижний | |
| 47 | МО4У.13.220 | Опора радиатора | |
| 48 | МО4.13.171 | Подушка | |
| 49 | МО4.13.169 | Втулка | |
| 50 | МО4.13.170 | Накладка | |
| 51 | Шпилька М12-6gх55.88.016 ГОСТ 22034-76 | Шпилька М12-6gх55.88.016 ГОСТ 22034-76 | |
| 52 | Болт М8-6gх30.88.016 ГОСТ 7796-70 | Болт М8-6gх30.88.016 ГОСТ 7796-70 |
Содержащиеся в справочниках-каталогах запасные части и детали не предлагаются к продаже, а носят исключительно информационный характер