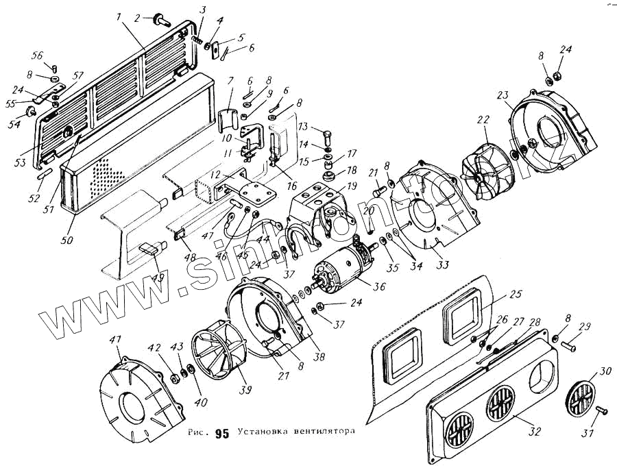
Каталог запасных частей к технике: АТЗ ТТ-4М. Установка вентилятора
1
2
3
4
5
6
7
8
9
10
11
12
13
14
15
16
17
18
19
20
21
22
23
24
25
26
27
28
29
30
31
32
33
34
35
36
37
38
39
40
41
42
43
44
45
46
47
48
49
50
51
52
53
54
55
56
57
| Позиция на иллюстрации | Заводской номер детали | Название детали | |
|---|---|---|---|
| 1 | МТ4.66.004 | Лист крышки | |
| 2 | МТ4.66.005 | Кнопка | |
| 3 | МТ4.66.111 | Пружина | |
| 4 | МТ4.66.109 | Шайба упорная | |
| 5 | МТ4.66.112 | Планка | |
| 6 | Шплинт 1,6х12.016 ГОСТ 397-79 | Шплинт 1,6х12.016 ГОСТ 397-79 | |
| 7 | МТ4.66.143 | Защелка | |
| 8 | Шайба 6.01.016 ГОСТ 11371-78 | Шайба 6.01.016 ГОСТ 11371-78 | |
| 9 | МТ4.66.115 | Втулка | |
| 10 | МТ4.66.140-01 | Ось защелки | |
| 11 | МТ4.66.144 | Рычаг | |
| 12 | МТ4.66.101 | Кронштейн | |
| 13 | Болт М8-6gх35.88.016 ГОСТ 7795-70 | Болт М8-6gх35.88.016 ГОСТ 7795-70 | |
| 14 | Шайба 8Т 65Г 096 ГОСТ 6402-70 | Шайба 8Т 65Г 096 ГОСТ 6402-70 | |
| 15 | Шайба 8.01.016 ГОСТ 11371-78 | Шайба 8.01.016 ГОСТ 11371-78 | |
| 16 | МТ4.66.140 | Ось защелки | |
| 17 | МТ4.66.125 | Втулка амортизатора | |
| 18 | МТ4.66.124 | Втулка | |
| 19 | МТ4.66.102 | Кронштейн | |
| 20 | МТ4.66.148 | Сегмент | |
| 21 | Болт М6-6gх16.88.016 ГОСТ 7798-70 | Болт М6-6gх16.88.016 ГОСТ 7798-70 | |
| 22 | МТ4.66.146 | Колесо вентилятора | |
| 23 | МТ4.66.118-01 | Корпус вентилятора | |
| 24 | Гайка М6.6Н.6.016 ГОСТ 5915-70 | Гайка М6.6Н.6.016 ГОСТ 5915-70 | |
| 25 | МТ4.66.136 | Уплотнитель | |
| 26 | Гайка М5.6Н.8.016 ГОСТ 5927-70 | Гайка М5.6Н.8.016 ГОСТ 5927-70 | |
| 27 | Шайба 5.01.016 ГОСТ 11371-78 | Шайба 5.01.016 ГОСТ 11371-78 | |
| 28 | МТ4.66.123 | Зажим | |
| 29 | Винт М6-6gх30.58.016 ГОСТ 17473-80 | Винт М6-6gх30.58.016 ГОСТ 17473-80 | |
| 30 | МТ4.66.121 | Воздухораспрелелитель | |
| 31 | Винт М5-6gх30.58.016 ГОСТ 17473-80 | Винт М5-6gх30.58.016 ГОСТ 17473-80 | |
| 32 | МТ4.66.120 | Корпус воздухораспределителя | |
| 33 | МТ4.66.117 | Крьшка вентилятора | |
| 34 | МТ4.66.127 | Шайба | |
| 35 | МТ4.66.126 | Шайба | |
| 36 | 5802.3730 | Электродвигатель | |
| 37 | Шайба 6 65Г 096 ГОСТ 6402-70 | Шайба 6 65Г 096 ГОСТ 6402-70 | |
| 38 | МТ4.66.118 | Корпус вентилятора | |
| 39 | МТ4.66.116 | Колесо вентилятора | |
| 40 | Шайба 12.01.016 ГОСТ 11371-78 | Шайба 12.01.016 ГОСТ 11371-78 | |
| 41 | МТ4.66.117-01 | Крышка вентилятора | |
| 42 | Гайка М12х1,25.04.016 ГОСТ 2526-70 | Гайка М12х1,25.04.016 ГОСТ 2526-70 | |
| 43 | Шайба 12 65Г 096 ГОСТ 6402-70 | Шайба 12 65Г 096 ГОСТ 6402-70 | |
| 44 | МТ4.66.011 | Провод «массы» | |
| 45 | Гайка М10.6Н.6.016 ГОСТ 5915-70 | Гайка М10.6Н.6.016 ГОСТ 5915-70 | |
| 46 | Шайба 10ОТ 65Г 096 ГОСТ 6402-70 | Шайба 10ОТ 65Г 096 ГОСТ 6402-70 | |
| 47 | Шпилька М10-6gх25.58.016 ГОСТ 22032-76 | Шпилька М10-6gх25.58.016 ГОСТ 22032-76 | |
| 48 | МТ4.66.119 | Уплотнитель губчатый | |
| 49 | МТ4.66.108 | Прокладка под фильтр | |
| 50 | МТ4.66.007 | Фильтр | |
| 51 | Шплинт 2х25.016 ГОСТ 397-79 | Шплинт 2х25.016 ГОСТ 397-79 | |
| 52 | 54.47.436 | Ось петли | |
| 53 | МТ4.66.012 | Кулачок | |
| 54 | МТ4.66.006 | Кнопка правая | |
| 55 | МТ4.66.142 | Пружина защелки | |
| 56 | Винт М6-6gх14.58.016 ГОСТ 17473-80 | Винт М6-6gх14.58.016 ГОСТ 17473-80 | |
| 57 | Шайба 6Т 65Г 096 ГОСТ 6402-70 | Шайба 6Т 65Г 096 ГОСТ 6402-70 |
Содержащиеся в справочниках-каталогах запасные части и детали не предлагаются к продаже, а носят исключительно информационный характер