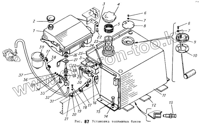
Каталог запасных частей к технике: АТЗ ТТ-4М. Установка топливных баков
1
2
3
4
5
6
7
8
9
10
11
12
13
14
15
16
17
18
19
20
21
22
23
24
25
26
27
28
29
30
31
32
33
34
35
36
37
38
39
| Позиция на иллюстрации | Заводской номер детали | Название детали | |
|---|---|---|---|
| 1 | МТ4.50.003 | Бензобак | |
| 2 | 54.50.045АТ | Пробка бензинового бачка в сборе | |
| 3 | Шайба 12 65Г 096 ГОСТ 6402-70 | Шайба 12 65Г 096 ГОСТ 6402-70 | |
| 4 | МО4.50.013 | Крышка | |
| 5 | МО4.50.174 | Пружина | |
| 6 | Винт М5-6gх12.58.016 ГОСТ 17473-80 | Винт М5-6gх12.58.016 ГОСТ 17473-80 | |
| 7 | Шайба 5 65Г 096 ГОСТ 6402-70 | Шайба 5 65Г 096 ГОСТ 6402-70 | |
| 8 | МТ4.50.102 | Крышка | |
| 9 | Датчик указателя уровня топлива БМ-127Д | Датчик указателя уровня топлива БМ-127Д ОСТ 37.003.002-70 | |
| 10 | МТ4.50.106 | Прокладка | |
| 11 | МТ4.50.006 | Бак топливный | |
| 12 | МТ4.50.103 | Прокладка | |
| 13 | МТ4.50.111 | Штуцер | |
| 14 | Шайба 20ОТ 65Г 096 ГОСТ 6402-70 | Шайба 20ОТ 65Г 096 ГОСТ 6402-70 | |
| 15 | Болт М20-6gх45.88.016 ГОСТ 7796-70 | Болт М20-6gх45.88.016 ГОСТ 7796-70 | |
| 16 | КР-25 | Кран | |
| 17 | Т4.50.024 | Хомут | |
| 18 | Болт М10-6gх20.88.016 ГОСТ 7796-70 | Болт М10-6gх20.88.016 ГОСТ 7796-70 | |
| 19 | Шайба 10 65Г 096 ГОСТ 6402-70 | Шайба 10 65Г 096 ГОСТ 6402-70 | |
| 20 | 54.15.436 | Хомут | |
| 21 | 54.15А.106 | Прокладка | |
| 22 | Болт М12-6gх20.88.016 ГОСТ 7796-70 | Болт М12-6gх20.88.016 ГОСТ 7796-70 | |
| 23 | МО4.50.037А | Фильтр | |
| 24 | Пробка КГ1/4"А12.016 ОСТ 23.1.117-83 | Пробка КГ1/4"А12.016 ОСТ 23.1.117-83 | |
| 25 | МТ4.50.180 | Козырек | |
| 26 | Гайка М24х2.6.88.016 ГОСТ 5927-70 | Гайка М24х2.6.88.016 ГОСТ 5927-70 | |
| 27 | МТ4.50.112 | Кронштейн оболочки | |
| 28 | МТ4.50.013 | Переходник краника | |
| 29 | 16-110 | Болт поворотного угольника | |
| 30 | 16-006 | Прокладка | |
| 31 | МТ4.50.101 | Топливопровод | |
| 32 | КР-12Д-1305000 | Кран | |
| 33 | МО4.50.047 | Рычаг краника | |
| 34 | Шайба 6.01.016 ГОСТ 11371-78 | Шайба 6.01.016 ГОСТ 11371-78 | |
| 35 | Шайба 6 65Г 096 ГОСТ 6402-70 | Шайба 6 65Г 096 ГОСТ 6402-70 | |
| 36 | Гайка М5-6Н.6.016 ГОСТ 5915-70 | Гайка М5-6Н.6.016 ГОСТ 5915-70 | |
| 37 | МТ4.07.131 | Бензопровод | |
| 38 | Т4.50.146 | Шланг | |
| 39 | МТ4.50.004 | Штуцер |
Содержащиеся в справочниках-каталогах запасные части и детали не предлагаются к продаже, а носят исключительно информационный характер