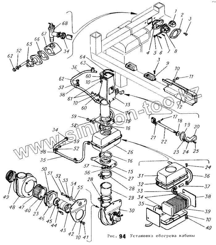
Каталог запасных частей к технике: АТЗ ТТ-4М. Установка обогрева кабины
1
2
3
4
5
6
7
8
9
10
11
12
13
14
15
16
17
18
19
20
21
22
23
24
25
26
27
28
29
30
31
32
33
34
35
36
37
38
39
40
41
42
43
44
45
46
47
48
49
50
51
52
53
54
55
56
57
58
59
60
61
62
63
64
65
66
67
68
| Позиция на иллюстрации | Заводской номер детали | Название детали | |
|---|---|---|---|
| 1 | МТ4.62.113 | Направитель | |
| 2 | МТ4.62.144 | Основание | |
| 3 | Винт М6-6gх14.58.016 ГОСТ 17475-80 | Винт М6-6gх14.58.016 ГОСТ 17475-80 | |
| 4 | МТ4.62.140 | Отражатель | |
| 5 | Шайба 5.01.016 ГОСТ 11371-78 | Шайба 5.01.016 ГОСТ 11371-78 | |
| 6 | МТ4.62.115 | Ось | |
| 7 | Шплинт 1,6х12.016 ГОСТ 397-79 | Шплинт 1,6х12.016 ГОСТ 397-79 | |
| 8 | МТ4.62.112 | Корпус | |
| 9 | МТ4.62.142 | Направитель передний | |
| 10 | Шайба 6 65Г 096 ГОСТ 6402-70 | Шайба 6 65Г 096 ГОСТ 6402-70 | |
| 11 | Винт М6-6gх14.58.016 ГОСТ 17473-80 | Винт М6-6gх14.58.016 ГОСТ 17473-80 | |
| 12 | МТ4.62.105 | Кожух передний | |
| 13 | МТ4.62.002 | Воздухораспределитель | |
| 14 | МТ4.62.132 | Переходник | |
| 15 | МТ4.62.004 | Опора | |
| 16 | МТ4.62.109 | Прокладка | |
| 17 | Шплинт 3,2х18.016 ГОСТ 397-79 | Шплинт 3,2х18.016 ГОСТ 397-79 | |
| 18 | МТ4.62.117 | Уплотнитель | |
| 19 | МТ4.62.114 | Шайба прижимная | |
| 20 | МТ4.62.143 | Ручка | |
| 21 | Шайба 3.01.016 ГОСТ 11371-78 | Шайба 3.01.016 ГОСТ 11371-78 | |
| 22 | МТ4.62.146 | Тяга | |
| 23 | Шайба 5 65Г 096 ГОСТ 6402-70 | Шайба 5 65Г 096 ГОСТ 6402-70 | |
| 24 | Винт М5-6gх12.58.016 ГОСТ 17473-80 | Винт М5-6gх12.58.016 ГОСТ 17473-80 | |
| 25 | Винт М4-6gх12.58.016 ГОСТ 17475-80 | Винт М4-6gх12.58.016 ГОСТ 17475-80 | |
| 26 | МТ4.62.008 | Радиатор отопителя | |
| 27 | Шайба 10.01.016 ГОСТ 11371-78 | Шайба 10.01.016 ГОСТ 11371-78 | |
| 28 | МТ4.62.028 | Хомут | |
| 29 | МТ4.62.134 | Переходник | |
| 30 | МТ4.62.015 | Вентилятор | |
| 31 | МТ4.62.009 | Корпус отопителя | |
| 32 | МТ4.62.161 | Прокладка | |
| 33 | МТ4.62.137 | Переходник | |
| 34 | МТ4.62.027 | Хомут | |
| 35 | МТ4.62.126-01 | Шланг | |
| 36 | МТ4.62.126 | Шланг | |
| 37 | МТ4.62.129 | Трубка | |
| 38 | МТ4.62.162 | Прокладка | |
| 39 | О-Т-2.13.010 | Радиатор отопителя | |
| 40 | Гайка М5-6Н.8.016 ГОСТ 5927-70 | Гайка М5-6Н.8.016 ГОСТ 5927-70 | |
| 41 | Гайка М6.6Н.6.016 ГОСТ 5915-70 | Гайка М6.6Н.6.016 ГОСТ 5915-70 | |
| 42 | МТ4.62.138 | Кронштейн | |
| 43 | 04.38.229 | Кольцо уплотнительное | |
| 44 | МЭ236 | Электродвигатель ГОСТ 9443-79 | |
| 45 | О-Т-2.13.066 | Прокладка | |
| 46 | О-Т-2.13.067 | Диск электродвигателя | |
| 47 | МТ4.62.018 | Колесо вентилятора | |
| 48 | МТ4.62.016 | Кожух вентилятора | |
| 49 | МТ4.62.110 | Решетка | |
| 50 | О-Т-2.12.167 | Прокладка | |
| 51 | Болт М8-6gх35.88.016 ГОСТ 7796-70 | Болт М8-6gх35.88.016 ГОСТ 7796-70 | |
| 52 | Шайба 8 65Г 096 ГОСТ 6402-70 | Шайба 8 65Г 096 ГОСТ 6402-70 | |
| 53 | Шайба 8.01.016 ГОСТ 11371-78 | Шайба 8.01.016 ГОСТ 11371-78 | |
| 54 | МТ4.66.124 | Втулка | |
| 55 | МТ4.66.125 | Втулка амортизатора | |
| 56 | Шайба 10 65Г 096 ГОСТ 6402-70 | Шайба 10 65Г 096 ГОСТ 6402-70 | |
| 57 | Болт М10-6gх20.88.016 ГОСТ 7796-70 | Болт М10-6gх20.88.016 ГОСТ 7796-70 | |
| 58 | МТ4.62.127 | Скоба | |
| 59 | Болт М8-6gх12.88.016 ГОСТ 7796-70 | Болт М8-6gх12.88.016 ГОСТ 7796-70 | |
| 60 | Шайба 6.01.016 ГОСТ 11371-78 | Шайба 6.01.016 ГОСТ 11371-78 | |
| 61 | Болт М6-6gх14.88.016 ГОСТ 7798-70 | Болт М6-6gх14.88.016 ГОСТ 7798-70 | |
| 62 | Гайка М8-6Н.6.016 ГОСТ 5915-70 | Гайка М8-6Н.6.016 ГОСТ 5915-70 | |
| 63 | МТ4.62.128 | Скоба | |
| 64 | МТ4.62.135 | Уплотнитель | |
| 65 | Шпилька М8-6gх65.58.016 ГОСТ 22036-76 | Шпилька М8-6gх65.58.016 ГОСТ 22036-76 | |
| 66 | МТ4.62.130 | Прокладка | |
| 67 | МТ4.62.116 | Переходник | |
| 68 | Кран ВС11 ОСТ 37.001-241-81 | Кран ВС11 ОСТ 37.001-241-81 |
Содержащиеся в справочниках-каталогах запасные части и детали не предлагаются к продаже, а носят исключительно информационный характер