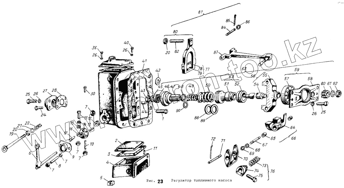
Каталог запасных частей к технике: АТЗ ТТ-4М. Регулятор топливного насоса
1
2
3
4
5
6
7
8
9
10
11
12
13
14
15
16
17
19
20
21
22
24
25
26
27
28
30
36
40
41
42
43
44
45
46
47
48
49
50
51
52
53
54
55
56
57
58
59
60
61
62
63
64
65
66
67
68
69
70
71
72
73
74
75
76
77
78
79
80
81
82
84
85
86
87
88
89
90
| Позиция на иллюстрации | Заводской номер детали | Название детали | |
|---|---|---|---|
| 41-А17С1 | 41-А17С1 | Регулятор РВ880 | |
| 03-17С2-1 | 03-17С2-1 | Корпус | |
| 1 | 17-074 | Упор | |
| 2 | 17-068-3 | Крышка корпуса регулятора верхняя | |
| 3 | 17-067 | Прокладка | |
| 4 | 03-17001-1 | Корпус регулятора | |
| 5 | 01-1763 | Призма | |
| 6 | 17-018-4А | Валях с рычагом | |
| 7 | Гайка М6-6Н.6.013 ГОСТ 5915-70 | Гайка М6-6Н.6.013 ГОСТ 5915-70 | |
| 8 | 17-092 | Шпилька | |
| 9 | 17-027-2 | Крышка упора | |
| 10 | 17-023 | Шпилька-ограничитель выключения подачи | |
| 11 | 17-069А | Штифт | |
| 12 | 17С4 | Сальник | |
| 13 | 17-022-1 | Болт регулировочный | |
| 14 | 17-021-1 | Прокладка регулировочная | |
| 15 | 17-021 | Прокладка регулировочная | |
| 16 | 17-020-1 | Шайба упора | |
| 17 | Винт М6-6gх12.58. 013 ГОСТ 17475-80 | Винт М6-6gх12.58. 013 ГОСТ 17475-80 | |
| 19 | 17С14-2 | Валик обогатителя | |
| 20 | 17-004 | Сальник валика обогатителя | |
| 21 | 17-061 | Шайба сальника валика обогатителя | |
| 22 | 17-062 | Пружина | |
| 24 | Болт 3М6-6gх16.58.013 ГОСТ 7798-70 | Болт 3М6-6gх16.58.013 ГОСТ 7798-70 | |
| 25 | Болт М6-6gх16.88.013 ГОСТ 7798-70 | Болт М6-6gх16.88.013 ГОСТ 7798-70 | |
| 26 | Шайба 6 65Г 05 ГОСТ 6402-70 | Шайба 6 65Г 05 ГОСТ 6402-70 | |
| 27 | 17-056В | Крышка задняя | |
| 28 | 17-055 | Прокладка | |
| 30 | Болт М8-6gх16.88.013 ГОСТ 7796-70 | Болт М8-6gх16.88.013 ГОСТ 7796-70 | |
| 36 | Болт 3М6-6gх14.58.013 ГОСТ 7798-70 | Болт 3М6-6gх14.58.013 ГОСТ 7798-70 | |
| 40 | Болт М6-6gх14.88.013 ГОСТ 7798-70 | Болт М6-6gх14.88.013 ГОСТ 7798-70 | |
| 41 | 17-057 | Прокладка | |
| 42 | 17-054 | Шайба замковая | |
| 43 | Гайка М8-6Н.6.013 ГОСТ 5915-70 | Гайка М8-6Н.6.013 ГОСТ 5915-70 | |
| 44 | 17-002 | Штифт установочный | |
| 45 | Шайба 8 65Г 05 ГОСТ 6402-70 | Шайба 8 65Г 05 ГОСТ 6402-70 | |
| 46 | Подшипник 200 ГОСТ 8338-75 | Подшипник 200 ГОСТ 8338-75 | |
| 47 | 17-052-2А | Седло пружины регулятора | |
| 48 | 17-050 | Прокладка регулировочная | |
| 49 | 17-048-1А | Пружина регулятора внутренняя | |
| 50 | 17-049А | Пружина регулятора наружная | |
| 51 | 17С8-2А | Муфта | |
| 52 | Подшипник 8202 ГОСТ 6874-75 | Подшипник 8202 ГОСТ 6874-75 | |
| 53 | 17С8Р | Муфта с подшипником | |
| 54 | 17-032-4 | Валик регулятора | |
| 55 | 17-033-4 | Крестовина грузов | |
| 56 | 17С3-4 | Валик с крестовиной | |
| 57 | Подшипник 303К2 ГОСТ 8338-75 | Подшипник 303К2 ГОСТ 8338-75 | |
| 58 | 17-036-1 | Гнездо подшипника | |
| 59 | 80.17.021А | Гнездо подшипника | |
| 60 | 17-037-1А.10 | Колесо зубчатое | |
| 61 | Шайба 10 65Г 05 ГОСТ 6402-70 | Шайба 10 65Г 05 ГОСТ 6402-70 | |
| 62 | Гайка М10-6Н.6.013 ГОСТ 5915-70 | Гайка М10-6Н.6.013 ГОСТ 5915-70 | |
| 63 | 41-А17С9-1А | Валик | |
| 64 | 17-042-2А | Груз регулятора | |
| 65 | 17-043-2Б | Втулка груза | |
| 66 | 17С11-2А | Груз с втулками | |
| 67 | 17-045-3 | Ось груза регулятора | |
| 68 | 17-044А | Шайба оси груза | |
| 69 | 17-099 | Кольцо стопорное | |
| 70 | 80.17.102 | Кронштейн вилки | |
| 71 | 17-012-2 | Ось кронштейна | |
| 72 | 80.17.119 | Шплинт | |
| 73 | 17-016Б | Пружина кронштейна | |
| 74 | 17-014-2А | Втулка пружины | |
| 75 | Болт М6-6gх20.88.013 ГОСТ 7798-70 | Болт М6-6gх20.88.013 ГОСТ 7798-70 | |
| 76 | 17С6-1Б | Втулка с пружиной | |
| 77 | 17С20Р | Вилка со штырями | |
| 78 | 17-010А | Штырь вилки | |
| 79 | 17-009-1 | Вилка тяги регулятора | |
| 80 | 17С5Д | Вилка | |
| 81 | 17С10 | Вилка с тягой | |
| 82 | 17-013 | Болт вилки | |
| 84 | 17-075-1А | Ось вилки короткая | |
| 85 | Шплинт 2х12.05 ГОСТ 397-79 | Шплинт 2х12.05 ГОСТ 397-79 | |
| 86 | 17-080 | Шайба пальца | |
| 87 | 17С13-1Б | Тяга | |
| 88 | 17-047А | Прокладка регулировочная | |
| 89 | 17-047-1 | Прокладка регулировочная | |
| 90 | 17-050А | Прокладка регулировочная |
Содержащиеся в справочниках-каталогах запасные части и детали не предлагаются к продаже, а носят исключительно информационный характер