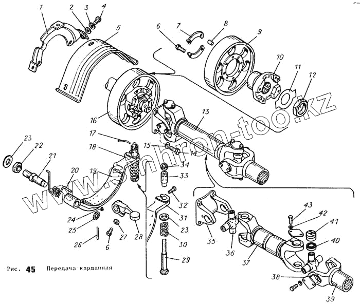
Каталог запасных частей к технике: АТЗ ТТ-4М. Передача карданная
1
2
3
4
5
6
7
8
9
10
11
12
13
14
15
16
17
18
19
20
21
22
23
24
25
26
27
28
29
30
31
32
33
34
35
36
37
38
39
40
41
42
43
| Позиция на иллюстрации | Заводской номер детали | Название детали | |
|---|---|---|---|
| МО4.36.010 | МО4.36.010 | Колодка тормозка (состоит из дет. поз. 19, 24, 32) | |
| Т4.36.023-1 | Т4.36.023-1 | Вал карданный | |
| Подшипник игольчатый 804805 УС 10 ТУ 37. | Подшипник игольчатый 804805 УС 10 ТУ 37. | Подшипник игольчатый 804805 УС 10 ТУ 37.006.065-74 | |
| 1 | Т4.36.009 | Щиток в сборе | |
| 2 | Шайба 10.01.016 ГОСТ 11371-78 | Шайба 10.01.016 ГОСТ 11371-78 | |
| 3 | Шайба 10ОТ 65Г 096 ГОСТ 6402-70 | Шайба 10ОТ 65Г 096 ГОСТ 6402-70 | |
| 4 | Болт М10-6gх18.88.016 ГОСТ 7796-70 | Болт М10-6gх18.88.016 ГОСТ 7796-70 | |
| 5 | Т4.36.146А | Козырек | |
| 6 | Болт М12-6gх35.88.016 ГОСТ 7796-70 | Болт М12-6gх35.88.016 ГОСТ 7796-70 | |
| 7 | МО4.36.138 | Пластина стопорная | |
| 8 | МО4.36.156 | Штифт | |
| 9 | МО4.36.115А | Шкив тормозка | |
| 10 | Т4.36.101 | Фланец | |
| 11 | Т4.36.107 | Шайба стопорная | |
| 12 | Т4.36.102 | Гайка | |
| 13 | Т4.36.023 | Вал карданный | |
| 14 | 04.38.155-1 | Болт М14х1,5 | |
| 15 | Шайба 14ОТ 65Г 096 ГОСТ 6402-70 | Шайба 14ОТ 65Г 096 ГОСТ 6402-70 | |
| 16 | Т4.36.007 | Фланец | |
| 17 | Проволока 3-0-1Ц ГОСТ 3282-74, L=36мм | Проволока 3-0-1Ц ГОСТ 3282-74, L=36мм | |
| 18 | МО4.36.008Б | Колодка тормозка | |
| 19 | МО4.36.132-2 | Лента тормозка | |
| 20 | 77.36.127 | Пружина тормозка | |
| 21 | МО4.36.135А | Ось колодки тормозка | |
| 22 | Гайка М20х1,5-6Н.05.016 ГОСТ 5916-70 | Гайка М20х1,5-6Н.05.016 ГОСТ 5916-70 | |
| 23 | Шайба 20.01.016 ГОСТ 11371-78 | Шайба 20.01.016 ГОСТ 11371-78 | |
| 24 | Заклепка 2.4х12.32 ГОСТ 12642-80 | Заклепка 2.4х12.32 ГОСТ 12642-80 | |
| 25 | Шайба 16.01.016 ГОСТ 11371-78 | Шайба 16.01.016 ГОСТ 11371-78 | |
| 26 | Шплинт 4х25.016 ГОСТ 397-79 | Шплинт 4х25.016 ГОСТ 397-79 | |
| 27 | Шайба 12ОТ 65Г 096 ГОСТ 6402-70 | Шайба 12ОТ 65Г 096 ГОСТ 6402-70 | |
| 28 | МО4.36.136-1 | Рычаг тормозка | |
| 29 | МО4.36.110 | Толкатель | |
| 30 | МО4.36.144А | Пружина тормозка | |
| 31 | МО4.36.134-2 | Колодка тормозка | |
| 32 | Болт М12-6gх30.88.016 ГОСТ 7796-70 | Болт М12-6gх30.88.016 ГОСТ 7796-70 | |
| 33 | МО4.36.150 | Втулка | |
| 34 | Гайка М14х1,5-6Н.8.016 ГОСТ 5932-73 | Гайка М14х1,5-6Н.8.016 ГОСТ 5932-73 | |
| 35 | 695Н-2201023 | Вилка карданного вала | |
| 36 | 130-2201030 | Крестовина кардана | |
| 37 | Т4.36.004 | Труба | |
| 38 | 120-2201050 | Пластина опорная игольчатого подшипника | |
| 39 | Т4.36.008 | Вилка скользящая в сборе | |
| 40 | 130-2201043 | Уплотнение торцовое | |
| 41 | Подшипник игольчатый 804805 К2С10 ТУ 37. | Подшипник игольчатый 804805 К2С10 ТУ 37.006.065-74 | |
| 42 | Шайба 8Т 65Г 096 ГОСТ 6402-70 | Шайба 8Т 65Г 096 ГОСТ 6402-70 | |
| 43 | 201454-П29 | Болт |
Содержащиеся в справочниках-каталогах запасные части и детали не предлагаются к продаже, а носят исключительно информационный характер