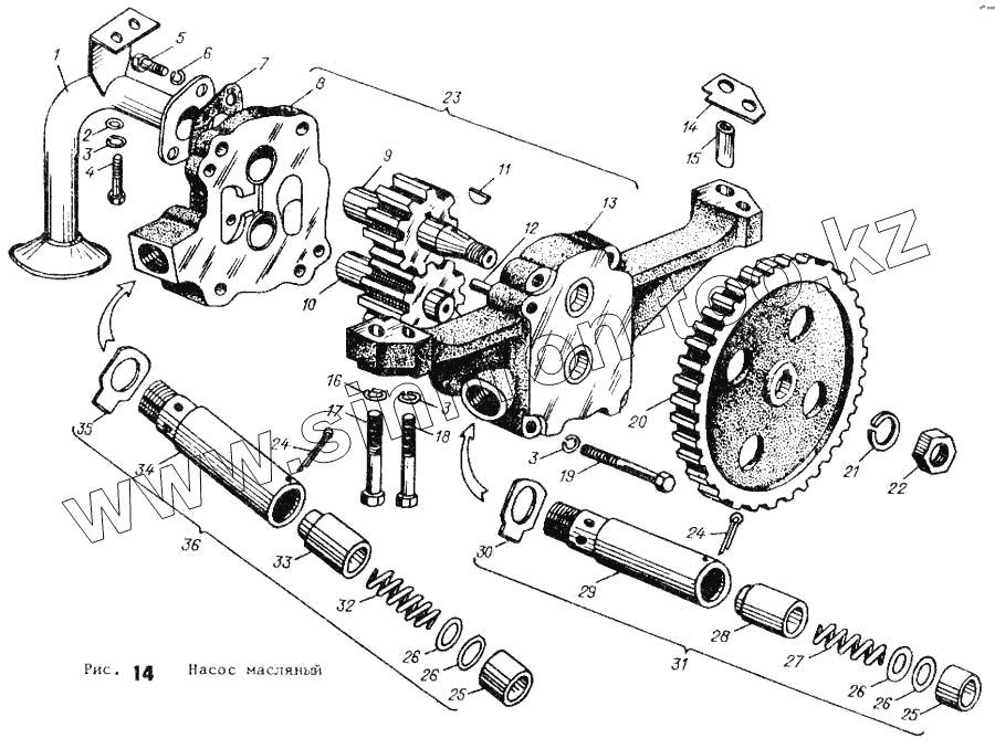
Каталог запасных частей к технике: АТЗ ТТ-4М. Насос масляный
1
2
3
4
5
6
7
8
9
10
11
12
13
14
15
16
17
18
19
20
21
22
24
25
26
27
28
29
30
31
32
33
34
35
36
| Позиция на иллюстрации | Заводской номер детали | Название детали | |
|---|---|---|---|
| МН01-09С1 | МН01-09С1 | Насос с трубами в сборе | |
| 11Т-09С8 | 11Т-09С8 | Корпус с крышкой | |
| 1 | МН01-09С15 | Труба всасывающая | |
| 2 | Шайба 10.01 ГОСТ 10450-78 | Шайба 10.01 ГОСТ 10450-78 | |
| 3 | Шайба 10 65Г 05 ГОСТ 6402-70 | Шайба 10 65Г 05 ГОСТ 6402-70 | |
| 4 | Болт М10-6gх20.88.013 ГОСТ 7796-70 | Болт М10-6gх20.88.013 ГОСТ 7796-70 | |
| 5 | Болт М8-6gх25.88.013 ГОСТ 7796-70 | Болт М8-6gх25.88.013 ГОСТ 7796-70 | |
| 6 | Шайба 8 65Г 05 ГОСТ 6402-70 | Шайба 8 65Г 05 ГОСТ 6402-70 | |
| 7 | А12.03.002-12 | Прокладка | |
| 8 | 11Т-09С4 | Крышка со втулками | |
| 9 | 11Т-09С5 | Шестерня с валиком | |
| 10 | 11Т-09С6 | Шестерня с осью | |
| 11 | Шпонка 5х7,5 ГОСТ 24071-80 | Шпонка 5х7,5 ГОСТ 24071-80 | |
| 12 | 01-0944-01 | Штифт | |
| 13 | 11Т-09С3 | Корпус со втулками | |
| 14 | МН-0931 | Прокладка | |
| 15 | МН-0917 | Втулка-штифт | |
| 16 | Шайба 12 65Г 05 ГОСТ 6402-70 | Шайба 12 65Г 05 ГОСТ 6402-70 | |
| 17 | Болт М12-6gх100.88.013 ГОСТ 7796-70 | Болт М12-6gх100.88.013 ГОСТ 7796-70 | |
| 18 | Болт М10-6gх70.88.013 ГОСТ 7796-70 | Болт М10-6gх70.88.013 ГОСТ 7796-70 | |
| 19 | Болт М10-6gх80.88.013 ГОСТ 7795-70 | Болт М10-6gх80.88.013 ГОСТ 7795-70 | |
| 20 | 11Т-0903 | Шестерня привода | |
| 21 | Шайба 16 65Г 05 ГОСТ 6402-70 | Шайба 16 65Г 05 ГОСТ 6402-70 | |
| 22 | 11Т-0908 | Гайка специальная | |
| 24 | Шплинт 4х36 ГОСТ 397-70 | Шплинт 4х36 ГОСТ 397-70 | |
| 25 | МН-0921-11 | Колпачок | |
| 26 | 01-0941А | Шайба регулировочная | |
| 27 | МН-0922 | Пружина | |
| 28 | МН-0928 | Плунжер | |
| 29 | МН-0924 | Корпус редукционного клапана | |
| 30 | МН-0949 | Шайба стопорная | |
| 31 | МН-09С20 | Клапан редукционный | |
| 32 | МН-0925 | Пружина | |
| 33 | МН-0926-1.10 | Плунжер | |
| 34 | МН-0927 | Корпус предохранительного клапана | |
| 35 | МН-0946 | Шайба стопорная | |
| 36 | МН-09С21 | Клапан предохранительный |
Содержащиеся в справочниках-каталогах запасные части и детали не предлагаются к продаже, а носят исключительно информационный характер