Вернуться на главную
Поиск
Каталоги запчастей к технике
Спецтехника
АТЗ
ТТ-4М
Мост задний
Каталог запасных частей к технике: АТЗ ТТ-4М. Мост задний
zoom-in
zoom-out
enlarge
shrink
circle-right
circle-left
file-text2
info
cart
Тип техники
Не выбрано
Легковые автомобили
Грузовые автомобили и прицепы
Автобусы
Сельхозтехника
Спецтехника
Двигатели
Мототехника
Марка
Не выбрано
Ammann
BOMAG
CARMIX
CASE IH
Changlin
ChengGong
Dimex
Doosan
DYNAPAC
Foton
HAMM
Hidromek
Hitachi
Hyundai
JCB
JLG
John Deere
Komatsu
LIEBHERR
LiuGong
Lonking (LongGong)
Luneng
MANITOU
Mitsuber
New Holland
PENGPU
RM-Terex
SANY
SDLG
SEM
Shantui
Shehwa HBXG
Soosan
TIGARBO
VOGELE
Volvo
WAY
WIRTGEN
XCMG
XGMA
Xiamen
YTO
Yuchai
Zoomlion
Автокран
АЗСМ
Алтайлесмаш
Амкодор
АОМЗ
Атек
АТЗ
Балканкар Рекорд
БелАЗ
Беловеж
Борекс
Брянский Арсенал
Булат
ВЭКС
ГАЗ
Геомаш
Гидромаш
Донекс
Дормаш
Дормашина
Дорэлектромаш
ДЭЗ
ЕлАЗ
ЗЗГТ
Ижнефтемаш
Канаш-электрокар
КЗКТ
ККЗ
Клевер
Клинцовский автокрановый завод
КМЗ
КМЗ 1 Мая
Ковровец
Коммаш
Кранэкс
КЭЗ
КЭМЗ
ЛЗА
МАЗ
МЗИК
МЗКМ
МЗКТ
Михневский РМЗ
МоАЗ
Мозырский МЗ
МТЗ
ОЗП
Онежец
ПАО "ТЗА"
ППС Детва
Промтрактор
ПТЗ
Раскат
СпецАгрегат
ТВЭКС
ТТМ
УВЗ
Угличмаш
УЗТМ
ХТЗ
ЧЗКМ
ЧСДМ
ЧТЗ
ЭКСКО
ЭКСМАШ
ЮрМаш
Модель
Не выбрано
Т-4А (1996)
Т-4А, Т-4.02 (1998)
ТТ-4 (1972)
ТТ-4М
Схема
>
Не выбрано
Установка кабины
Установка кабины
Установка кабины
Установка кабины
Оборудование кабины
Оборудование кабины
Установка сиденья
Установка обогрева кабины
Установка вентилятора
Облицовка трактора
Установка подножки
Двигатель А-01М (вид справа)
Двигатель А-01М (вид слева)
Установка дизеля
Блок-картер и картер маховика
Блок-картер
Картер шестерен
Поршень и шатун
Вал коленчатый
Механизм газораспределения
Головка цилиндров
Головка цилиндров
Устройство пусковое
Устройство пусковое
Установка подогревателя ПЖБ 300ВД
Установка топливных баков
Система топливная
Насос топливный
Насос топливоподкачивающий (помпа)
Регулятор топливного насоса
Форсунка
Управление дизелем
Установка глушителя
Система выпускная
Насос водяной, вентилятор, натяжитель
Установка жалюзи радиатора
Установка водяного радиатора
Радиатор масляный
Крышка картера нижняя
Насос масляный
Насос масляный
Фильтр масляный центробежный
Воздухоочиститель с моноциклоном
Муфта сцепления
Коробка передач
Коробка передач
Коробка передач
Коробка передач
Коробка передач
Коробка передач
Коробка раздаточная
Коробка раздаточная
Коробка раздаточная
Передача карданная
Передача карданная
Мост задний
Мост задний
Мост задний
Мост задний
Мост задний
Передача конечная
Рама
Подвеска
Подвеска
Подвеска
Подвеска
Колесо направляющее с амортизатором
Гусеница
Приводы управления трактором
Приводы управления трактором
Приводы управления трактором
Приводы управления трактором
Приводы управления трактором
Приводы управления трактором
Приводы управления трактором
Приводы управления трактором
Приводы управления трактором
Приводы управления трактором
Приводы управления трактором
Приводы управления трактором
Электрооборудование и приборы
Электрооборудование и приборы
Электрооборудование и приборы
Генератор и счетчик моточасов
Устройство прицепное
Вал отбора мощности
Лебедка
Лебедка
Лебедка
Привод гидронасосов
Бак гидросистемы
Бак гидросистемы
Привод гидравлических насосов
Устройство погрузочное
Гидропривод погрузочного устройства
Гидропривод погрузочного устройства
Гидропривод погрузочного устройства
Расположение подшипников качения
Расположение уплотнительных манжет
Трактор ТТ-4М
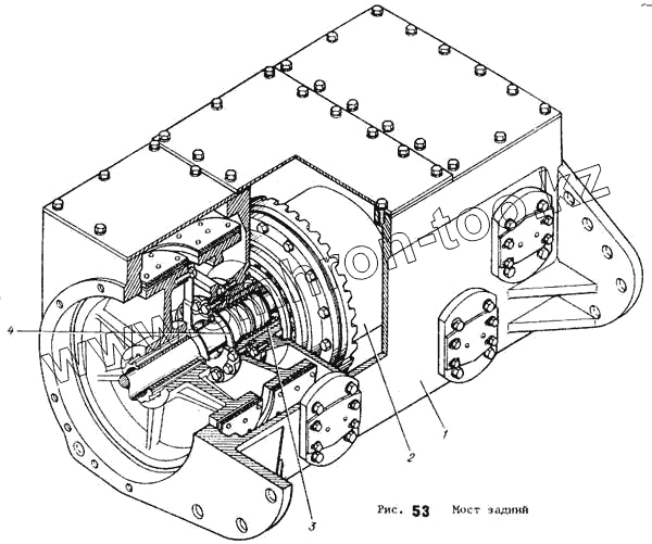
1
2
3
4
Позиция на иллюстрации
Заводской номер детали
Название детали
1
МТ4.38.045Р
Задний мост со вторичным валом
2
04.38.012А
Механизм планетарный в сборе
3
МТ4.38.016
Шестерня солнечная
4
04.38.015А
Уплотнение в сборе
Содержащиеся в справочниках-каталогах запасные части и детали не предлагаются к продаже, а носят исключительно информационный характер
Дополнительная информация
×
Название:
Номер:
Примечание: