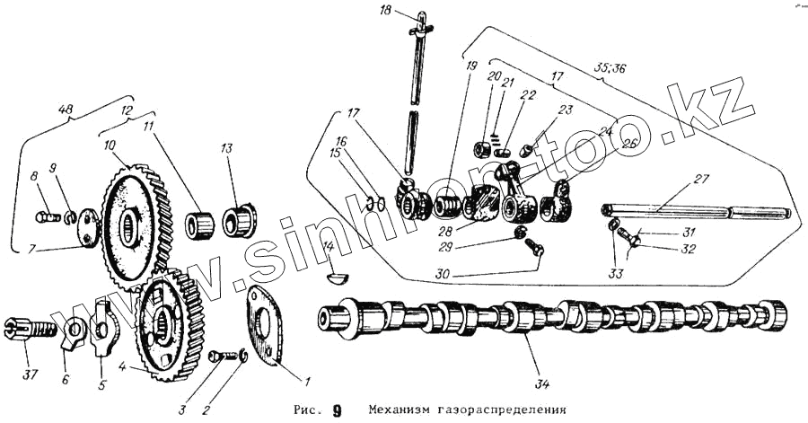
Каталог запасных частей к технике: АТЗ ТТ-4М. Механизм газораспределения
1
2
3
4
5
6
7
8
9
11
12
13
14
15
16
17
19
20
21
22
23
24
26
27
28
29
30
31
32
33
34
35
36
37
48
| Позиция на иллюстрации | Заводской номер детали | Название детали | |
|---|---|---|---|
| 1 | 41-0534-3 | Шайба упорная | |
| 2 | Шайба 12 65Г 05 ГОСТ 6402-70 | Шайба 12 65Г 05 ГОСТ 6402-70 | |
| 3 | Болт М12-6gх40.88.013 ГОСТ 7796-70 | Болт М12-6gх40.88.013 ГОСТ 7796-70 | |
| 4 | 6Т3-0502А | Колесо зубчатое | |
| 5 | 01-0517 | Шайба | |
| 6 | 01-0515А | Шайба стопорная | |
| 7 | СМД55-0506 | Шайба | |
| 8 | Болт. М8-6gх16.88.013 ГОСТ 7796-70 | Болт. М8-6gх16.88.013 ГОСТ 7796-70 | |
| 9 | Шайба 8 65Г 05 ГОСТ 6402-70 | Шайба 8 65Г 05 ГОСТ 6402-70 | |
| 11 | 01-0527-1 | Втулка | |
| 12 | 6Т2-05С9 | Колесо зубчатое в сборе | |
| 13 | 01-0527 | Втулка промежуточной шестерни | |
| 14 | Шпонка 8х11 ГОСТ 24071-80 | Шпонка 8х11 ГОСТ 24071-80 | |
| 15 | Кольцо стопорное Б22 ГОСТ 13942-86 | Кольцо стопорное Б22 ГОСТ 13942-86 | |
| 16 | 6Т2-0505 | Шайба | |
| 17 | 01-05С10 | Толкатель в сборе | |
| 18 | 6Т2-05С8А | Штанга в сборе | |
| 19 | 6Т2-0645 | Пружина распорная | |
| 20 | 01-0538 | Ролик толкателя | |
| 21 | 01-0540 | Ролик игольчатый | |
| 22 | 01-0539 | Ось ролика | |
| 23 | 236-1007187-Б | Пята толкателя | |
| 24 | 236-1007183 | Толкатель | |
| 26 | 01-0510А | Опора маслоподводящая | |
| 27 | А46.22.300 | Ось толкателей (механический узел) | |
| 28 | 01-0512А | Опора | |
| 29 | Шайба 10 65Г 05 ГОСТ 6402-70 | Шайба 10 65Г 05 ГОСТ 6402-70 | |
| 30 | Болт М10-6gх25.88.013 ГОСТ 7796-70 | Болт М10-6gх25.88.013 ГОСТ 7796-70 | |
| 31 | Проволока 1-0-1Ц ГОСТ 3282-74 | Проволока 1-0-1Ц ГОСТ 3282-74 | |
| 32 | 6Т2-0514-1А | Болт специальный | |
| 33 | Шайба 12.2 ГОСТ 11371-78 | Шайба 12.2 ГОСТ 11371-78 | |
| 34 | 6Т2-0501-3 | Вал распределительный | |
| 35 | 6Т2-05С2-1 | Ось толкателя передняя в сборе | |
| 36 | 6Т2-05С3-1 | Ось толкателя задняя в сборе | |
| 37 | 01-0511 | Болт-поводок | |
| 48 | 6Т2-05С6 | Колесо зубчатое в сборе |
Содержащиеся в справочниках-каталогах запасные части и детали не предлагаются к продаже, а носят исключительно информационный характер