Каталог запасных частей к технике: АТЗ ТТ-4М. Коробка передач
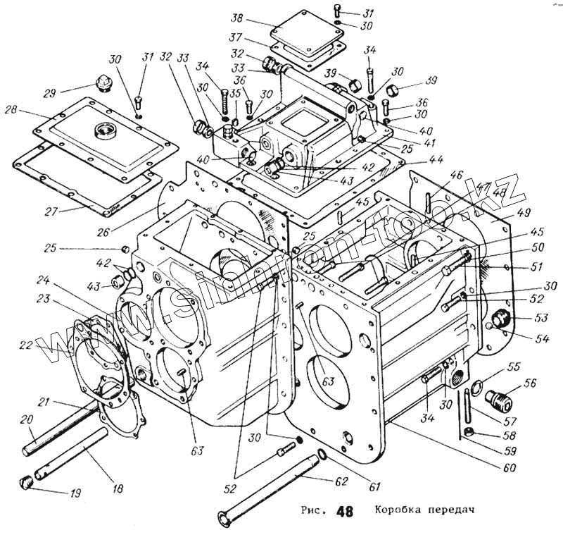
18
19
20
21
22
23
24
25
26
27
28
29
31
32
33
34
35
36
37
38
39
40
41
42
43
44
45
46
47
48
49
50
51
52
53
54
55
56
57
58
59
60
61
62
63
| Позиция на иллюстрации | Заводской номер детали | Название детали | |
|---|---|---|---|
| 18 | Т4.37.276-01 | Питатель | |
| 19 | Пробка 4КГ1/2"А12.016 ОСТ 23.1.117-83 | Пробка 4КГ1/2"А12.016 ОСТ 23.1.117-83 | |
| 20 | Т4.37.276 | Питатель | |
| 21 | Т4.37А.241-1 | Прокладка | |
| 22 | Т4.37А.107 | Прокладка | |
| 23 | Т4.37А.190-1 | Прокладка | |
| 24 | Т4.37А.104-1-01 | Корпус реверс-редуктора | |
| 25 | Пробка 4КГ1/4" А12.016 ОСТ 23.1.117-83 | Пробка 4КГ1/4" А12.016 ОСТ 23.1.117-83 | |
| 26 | Т4.37А.201А | Прокладка | |
| 27 | Т4.37А.155 | Прокладка | |
| 28 | Т4.37А.018-1 | Крышка корпуса реверс-редуктора | |
| 29 | 04.38.275 | Заглушка | |
| 31 | Болт М12-6gх30.88.016 ГОСТ 7796-70 | Болт М12-6gх30.88.016 ГОСТ 7796-70 | |
| 32 | Т4.37.175 | Обойма сальника | |
| 33 | Т4.37.176 | Кольцо | |
| 34 | Болт М12-6gх80.88.016 ГОСТ 7795-70 | Болт М12-6gх80.88.016 ГОСТ 7795-70 | |
| 35 | Пробка 4КГ3/8"А12.016 ОСТ 23.1.117-83 Р1 | Пробка 4КГ3/8"А12.016 ОСТ 23.1.117-83 Р1ид | |
| 36 | Болт М12-6gх35.88.016 ГОСТ 7796-70 | Болт М12-6gх35.88.016 ГОСТ 7796-70 | |
| 37 | 54.37.463А | Прокладка | |
| 38 | Т4.37А.114 | Крышка | |
| 39 | 04.37.197 | Колпачок | |
| 40 | Т4.37А.235 | Заглушка | |
| 41 | Т4.37А.103-3 | Крышка корпуса коробки передач | |
| 42 | Г48-70-111 | Кольцо уплотнительное | |
| 43 | Т4.37.111 | Корпус уплотнения | |
| 44 | Т4.37А.200 | Прокладка | |
| 45 | Штифт 12h8х30 ГОСТ 3128-70 | Штифт 12h8х30 ГОСТ 3128-70 | |
| 46 | Т4.37.159 | Стопор | |
| 47 | Проволока 1,6-0-1Ц ГОСТ 3282-74, L=580мм | Проволока 1,6-0-1Ц ГОСТ 3282-74, L=580мм | |
| 48 | Болт 3М12-6gх60.88.016 ГОСТ 7796-70 | Болт 3М12-6gх60.88.016 ГОСТ 7796-70 | |
| 49 | Т4.37А.206А | Прокладка | |
| 50 | Шайба 16 65Г 096 ГОСТ 6402-70 | Шайба 16 65Г 096 ГОСТ 6402-70 | |
| 51 | Т4.37А.199 | Болт М16х45 кл. 2 | |
| 52 | Болт М12-6gх40.88.016 ГОСТ 7796-70 | Болт М12-6gх40.88.016 ГОСТ 7796-70 | |
| 53 | МТ4.37.275 | Гнездо | |
| 54 | Шарик Б22,225-200 ГОСТ 3722-81 | Шарик Б22,225-200 ГОСТ 3722-81 | |
| 55 | Н.036.28.007 | Шайба | |
| 56 | МТ4.37.277 | Пробка | |
| 57 | 04.37.137 | Винт установочный | |
| 58 | Гайка М14-6Н.6.016 ГОСТ 5915-70 | Гайка М14-6Н.6.016 ГОСТ 5915-70 | |
| 59 | Проволока 1,6-0-1Ц ГОСТ 3282-74, L=75мм | Проволока 1,6-0-1Ц ГОСТ 3282-74, L=75мм | |
| 60 | Т4.37А.116-2-01 | Корпус коробки передач | |
| 61 | Г48-70-107 | Кольцо уплотнительное | |
| 62 | МТ4.37.279 | Труба | |
| 63 | Штифт 6h8х14 ГОСТ 3128-70 | Штифт 6h8х14 ГОСТ 3128-70 |
Содержащиеся в справочниках-каталогах запасные части и детали не предлагаются к продаже, а носят исключительно информационный характер