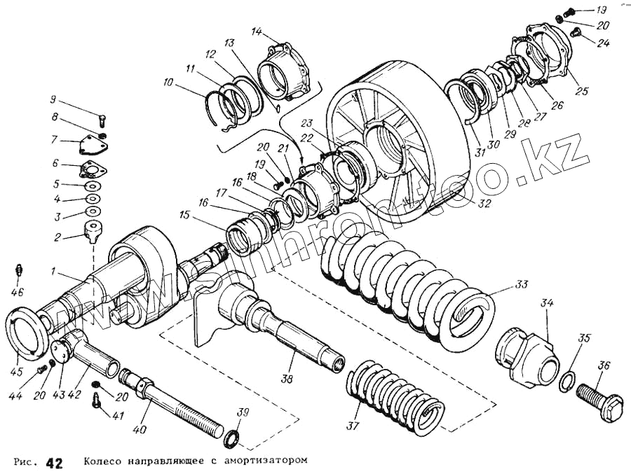
Каталог запасных частей к технике: АТЗ ТТ-4М. Колесо направляющее с амортизатором
1
2
3
4
5
6
7
8
9
10
11
12
13
14
15
16
17
18
19
20
21
22
23
24
25
26
27
28
29
30
31
32
33
34
35
36
37
38
39
40
41
42
43
44
45
46
| Позиция на иллюстрации | Заводской номер детали | Название детали | |
|---|---|---|---|
| МТ4.32.102-1 | МТ4.32.102-1 | Ось направляющего колеса | |
| МТ4.32.003-1Р | МТ4.32.003-1Р | Кривошип (состоит из деталей 1, 27, 28) | |
| 1 | МТ4.32.003-1 | Кривошип | |
| 2 | Т4.31.139А | Стопор | |
| 3 | 60-33-026 | Прокладка регулировочная | |
| 4 | 60-33-027 | Прокладка регулировочная | |
| 5 | 60-33-028 | Прокладка регулировочная | |
| 6 | Т4.31.110А | Прокладка | |
| 7 | Т4.31.109-01 | Крышка стопора | |
| 8 | Шайба 10ОТ 65Г 096 ГОСТ 6402-70 | Шайба 10ОТ 65Г 096 ГОСТ 6402-70 | |
| 9 | Болт М10-6gх18.88.016 ГОСТ 7796-70 | Болт М10-6gх18.88.016 ГОСТ 7796-70 | |
| 10 | МТ4.31.177 | Кольцо стопорное | |
| 11 | МТ4.31.134 | Кольцо уплотнительное | |
| 12 | МТ4.31.176-1 | Прокладка | |
| 13 | МТ4.31.178 | Штифт | |
| 14 | МТ4.31.119-1 | Корпус уплотнения | |
| 15 | Т4.31.130 | Чехол уплотнения | |
| 16 | Т4.31.129-1 | Шайба нажимная | |
| 17 | Т4.31.015 | Пружина уплотнения в сборе | |
| 18 | МТ4.31.131 | Кольцо уплотнительное | |
| 19 | Болт М12-6gх35.88.016 ГОСТ 7796-70 | Болт М12-6gх35.88.016 ГОСТ 7796-70 | |
| 20 | Шайба 12ОТ 65Г 096 ГОСТ 6402-70 | Шайба 12ОТ 65Г 096 ГОСТ 6402-70 | |
| 21 | МТ4.31.016-1 | Корпус уплотнения | |
| 22 | Т4.31.136 | Прокладка | |
| 23 | Подшипник 7615А ГОСТ 520-89 | Подшипник 7615А ГОСТ 520-89 | |
| 24 | Пробка КГ3/8"А12.016 ОСТ 23.1.117-83 | Пробка КГ3/8"А12.016 ОСТ 23.1.117-83 | |
| 25 | Т4.31.125А | Крышка | |
| 26 | Т4.31.126 | Прокладка | |
| 27 | Т4.31.153 | Гайка | |
| 28 | Т4.31.148-1 | Шайба стопорная | |
| 29 | Т4.31.141-1 | Шайба упорная | |
| 30 | Подшипник 7313А ГОСТ 520-89 | Подшипник 7313А ГОСТ 520-89 | |
| 31 | Т4.31.118 | Кольцо стопорное | |
| 32 | Т4.32.101-1-01 | Колесо направляющее | |
| 33 | Т4.32.106-01 | Пружина | |
| 34 | Т4.32.107-01 | Опора амортизатора | |
| 35 | ШП-42зам | Шайба пружинная | |
| 36 | Т4.32.122-1 | Болт | |
| 37 | Т4.32.105-01 | Пружина малая | |
| 38 | Т4.32.006-2А | Шток | |
| 39 | 36-3001058 | Сальник поворотного рычага | |
| 40 | Т4.32.009-1А | Винт натяжной | |
| 41 | 60-31-018 | Болт стопорный | |
| 42 | Т4.32.007-1А | Проушина | |
| 43 | 60-31-002-01 | Шайба | |
| 44 | Болт М12-6gх30.88.016 ГОСТ 7796-7 | Болт М12-6gх30.88.016 ГОСТ 7796-7 | |
| 45 | МТ4.31.012А | Манжета | |
| 46 | Масленка 1.3.Ц6 ГОСТ 19853-74 | Масленка 1.3.Ц6 ГОСТ 19853-74 |
Содержащиеся в справочниках-каталогах запасные части и детали не предлагаются к продаже, а носят исключительно информационный характер