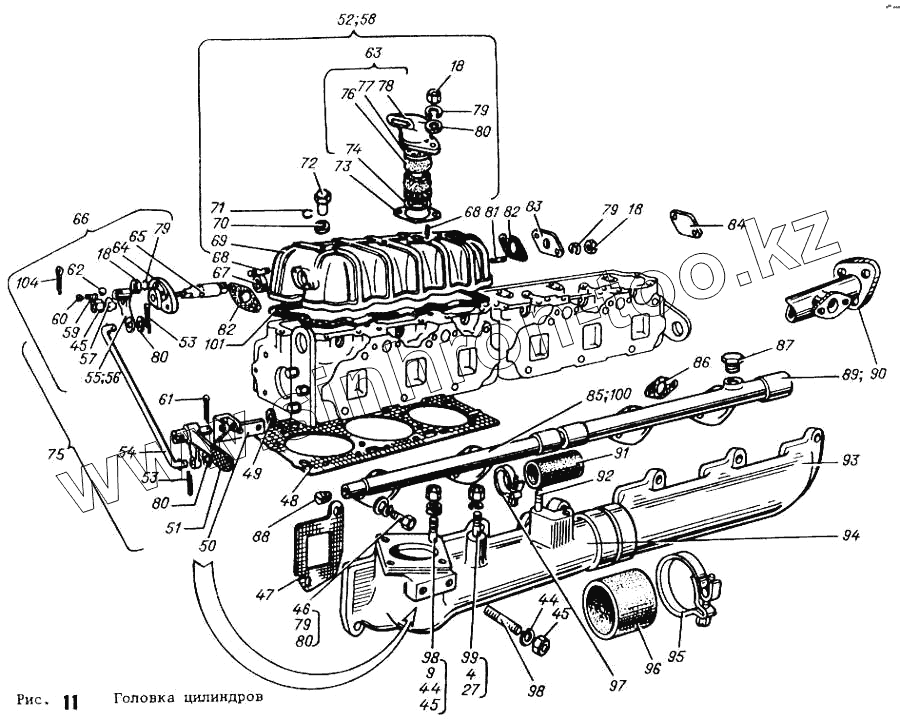
Каталог запасных частей к технике: АТЗ ТТ-4М. Головка цилиндров
44
45
46
47
48
49
50
51
52
53
54
55
57
58
59
60
61
62
63
64
65
66
67
68
69
70
71
72
73
74
75
76
77
78
79
80
81
82
83
84
85
86
87
89
91
92
93
94
95
96
97
98
99
101
104
| Позиция на иллюстрации | Заводской номер детали | Название детали | |
|---|---|---|---|
| 44 | Шайба 10 65Г 05 ГОСТ 6402-70 | Шайба 10 65Г 05 ГОСТ 6402-70 | |
| 45 | Гайка М10-6Н.6.013 ГОСТ 5927-70 | Гайка М10-6Н.6.013 ГОСТ 5927-70 | |
| 46 | Болт М8-6gх25.88.05 ГОСТ 7796-70 | Болт М8-6gх25.88.05 ГОСТ 7796-70 | |
| 47 | 04-0662-1 | Прокладка впускного коллектора | |
| 48 | 04-06С8-1 | Прокладка (механический узел) | |
| 49 | Шайба 12х2.01.011 ГОСТ 10450-78 | Шайба 12х2.01.011 ГОСТ 10450-78 | |
| 50 | 01-0674-2 | Кронштейн тяги декомпрессоре | |
| 51 | 41-06С19А | Рукоятка декомпрессора | |
| 52 | 04-06С7-1.10 | Колпак задний в сборе | |
| 53 | Шплинт 3,2х18.05 ГОСТ 397-79 | Шплинт 3,2х18.05 ГОСТ 397-79 | |
| 54 | 01-0679-3 | Тяга | |
| 55 | 01-0698А | Рычаг | |
| 57 | 41-0648 | Шайба стопорная | |
| 58 | 04-06С6-1.10 | Колпак передний в сборе | |
| 59 | К77.68.410-1 | Пружина | |
| 60 | 14-2619 | Заглушка | |
| 61 | Шплинт 4х22.05 ГОСТ 397-79 | Шплинт 4х22.05 ГОСТ 397-79 | |
| 62 | Шарик Б8-60 ГОСТ 3722-81 | Шарик Б8-60 ГОСТ 3722-81 | |
| 63 | 41-06С11.10 | Сапун в сборе | |
| 64 | 01-0615 | Корпус декомпрессора | |
| 65 | 01-0612 | Ось рукоятки декомпрессора | |
| 66 | 01-06С20 | Корпус декомпрессора | |
| 67 | Манжета 1-20х40 ГОСТ 8752-79 | Манжета 1-20х40 ГОСТ 8752-79 | |
| 68 | Шпилька М8-6gх20.56.013 ГОСТ 22034-76 | Шпилька М8-6gх20.56.013 ГОСТ 22034-76 | |
| 69 | 04-0664-1А | Колпак головки блока цилиндров | |
| 70 | 01-0684.20 | Прокладка | |
| 71 | 01-0624 | Кольцо стопорное | |
| 72 | 01-0630 | Гайка колпака | |
| 73 | 41-0667 | Прокладка сапуна | |
| 74 | 01-0635 | Кольцо стопорное | |
| 75 | 41-06С21-2 | Управление механизмом декомпрессии | |
| 76 | 41-0634-01 | Набивка сапуна | |
| 77 | 01-0633 | Перегородка | |
| 78 | 41-0631Б.10 | Корпус сапуна | |
| 79 | Шайба 8 65Г 05 ГОСТ 6403-70 | Шайба 8 65Г 05 ГОСТ 6403-70 | |
| 80 | Шайба 8.01.011 ГОСТ 11371-78 | Шайба 8.01.011 ГОСТ 11371-78 | |
| 81 | Шпилька М8-6gх12.88.013 ГОСТ 22034-76 | Шпилька М8-6gх12.88.013 ГОСТ 22034-76 | |
| 82 | 01-0616 | Прокладка | |
| 83 | 01-0614 | Крышка средняя | |
| 84 | 01-0613 | Крышка передняя | |
| 85 | 6А1-0683.20 | Труба задняя | |
| 86 | 6А1-0657 | Прокладка водяной трубы | |
| 87 | 01-0696 | Пробка | |
| 89 | 01-0682-1Б.20 | Труба передняя | |
| 91 | 01-0685 | Шланг | |
| 92 | Шпилька М12-6gх28.56.013 ГОСТ 22036-76 | Шпилька М12-6gх28.56.013 ГОСТ 22036-76 | |
| 93 | 04-0660А-1А | Коллектор передний | |
| 94 | 01-0661 | Коллектор задний | |
| 95 | ХС-100 | Хомут 100, Н524-66 | |
| 96 | 01-0637 | Шланг соединительный | |
| 97 | ХС-48 | Хомут 48, Н524-66 | |
| 98 | Шпилька М10-6gх28.56.013 ГОСТ 22036-76 | Шпилька М10-6gх28.56.013 ГОСТ 22036-76 | |
| 99 | Шпилька М12-6gх35.56.013 ГОСТ 22034-76 | Шпилька М12-6gх35.56.013 ГОСТ 22034-76 | |
| 101 | 04-0627-1 | Прокладка колпака | |
| 104 | Шплинт 3,2х25.05 ГОСТ 397-79 | Шплинт 3,2х25.05 ГОСТ 397-79 |
Содержащиеся в справочниках-каталогах запасные части и детали не предлагаются к продаже, а носят исключительно информационный характер