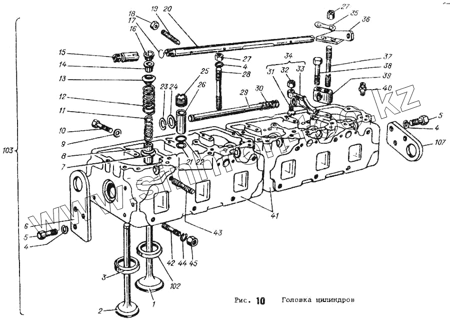
Каталог запасных частей к технике: АТЗ ТТ-4М. Головка цилиндров
1
2
3
4
5
6
7
8
9
10
11
12
13
14
15
16
17
18
19
20
21
22
23
24
25
26
27
28
29
30
31
32
33
34
35
36
37
38
39
40
41
42
43
44
103
107
| Позиция на иллюстрации | Заводской номер детали | Название детали | |
|---|---|---|---|
| 04-06С2-1 | 04-06С2-1 | Головка (механический узел) | |
| 01-06С25 | 01-06С25 | Валик декомпрессора в сборе | |
| 01-06С14 | 01-06С14 | Труба водяная передняя в сборе | |
| 01-06С15А-01.10 | 01-06С15А-01.10 | Труба водяная в сборе | |
| 01-06С15А | 01-06С15А | Труба водяная в сборе | |
| 04-06С13-1.10 | 04-06С13-1.10 | Коллектор передний в сборе | |
| 01М-06С12.10 | 01М-06С12.10 | Коллектор задний в сборе | |
| 04-06С9 | 04-06С9 | Головка с клапанами в сборе | |
| 01-06С5 | 01-06С5 | Механизм передаточный в сборе | |
| 1 | А05.12.012 | Клапан впускной | |
| 2 | А05.12.013 | Клапан выпускной | |
| 3 | 236-1003110 | Седло выпускного клапана | |
| 4 | Шайба 12 65Г 05 ГОСТ 6402-70 | Шайба 12 65Г 05 ГОСТ 6402-70 | |
| 5 | 01-0699 | Болт | |
| 6 | 6А1-0643 | Кронштейн грузовой задний | |
| 7 | 6Т2-0641А | Шайба пружин | |
| 8 | 6Т2-0603А | Втулка клапана направляющая | |
| 9 | Шайба 12х2.01.011 ГОСТ 10450-78 | Шайба 12х2.01.011 ГОСТ 10450-78 | |
| 10 | Болт М10-6gх35.88.05 ГОСТ 7796-70 | Болт М10-6gх35.88.05 ГОСТ 7796-70 | |
| 11 | 236-1007021 | Пружина клапана внутренняя | |
| 12 | 236-1007020 | Пружина клапана наружная | |
| 13 | 236-1007024-В | Тарелка пружины | |
| 14 | 236-1007026-Б | Втулка тарелки | |
| 15 | 6А1-0673-1 | Ось поводка | |
| 16 | 6Т2-0671Б | Сухарь клапана | |
| 17 | СМД1-0672А | Кольцо стопорное | |
| 18 | Гайка М8-6Н.6.013 ГОСТ 2524-70 | Гайка М8-6Н.6.013 ГОСТ 2524-70 | |
| 19 | 01-0620 | Винт декомпрессора | |
| 20 | 6А1-0610 | Валик декомпрессора | |
| 21 | 01-0622 | Шайба | |
| 22 | 236-1003114-В | Кольцо | |
| 23 | Кольцо Б22 ГОСТ 13942-86 | Кольцо Б22 ГОСТ 13942-86 | |
| 24 | 6Т2-0505 | Шайба | |
| 25 | 6А1-0626 | Гайка стакана форсунки | |
| 26 | 6Т2-0628-1 | Стакан форсунки | |
| 27 | Гайка М12.6Н.6.013 ГОСТ 5927-70 | Гайка М12.6Н.6.013 ГОСТ 5927-70 | |
| 28 | 01-0688 | Шпилька | |
| 29 | 01-0644-1 | Ось коромысел | |
| 30 | 6Т2-0645.10 | Пружина распорная | |
| 31 | 01-0689 | Винт коромысла регулировочный | |
| 32 | 01-0617 | Гайка | |
| 33 | 01-06С3 | Коромысло (механический узел) | |
| 34 | 01-06С4 | Коромысло в сборе | |
| 35 | 01-0675-10 | Шайба замковая | |
| 36 | 01-0687А | Стойка валика | |
| 37 | Шпилька М12-6gх80.88.05 ГОСТ 22034-76 | Шпилька М12-6gх80.88.05 ГОСТ 22034-76 | |
| 38 | Болт М12-6gх65.88.013 ГОСТ 7795-70 | Болт М12-6gх65.88.013 ГОСТ 7795-70 | |
| 39 | 04-0686 | Стойка оси коромысел | |
| 40 | 01М-0623 | Ниппель | |
| 41 | 04-0601-1Г | Головка цилиндров | |
| 42 | Шпилька М10-6gх45.56.013 ГОСТ 22034-76 | Шпилька М10-6gх45.56.013 ГОСТ 22034-76 | |
| 43 | Шпилька М10-6gх40.56.013 ГОСТ 22034-76 | Шпилька М10-6gх40.56.013 ГОСТ 22034-76 | |
| 44 | Шайба 10 65Г 05 ГОСТ 6402-70 | Шайба 10 65Г 05 ГОСТ 6402-70 | |
| 103 | 04-06С1-1 | Головка в сборе | |
| 107 | 01М-0666 | Кронштейн грузовой |
Содержащиеся в справочниках-каталогах запасные части и детали не предлагаются к продаже, а носят исключительно информационный характер