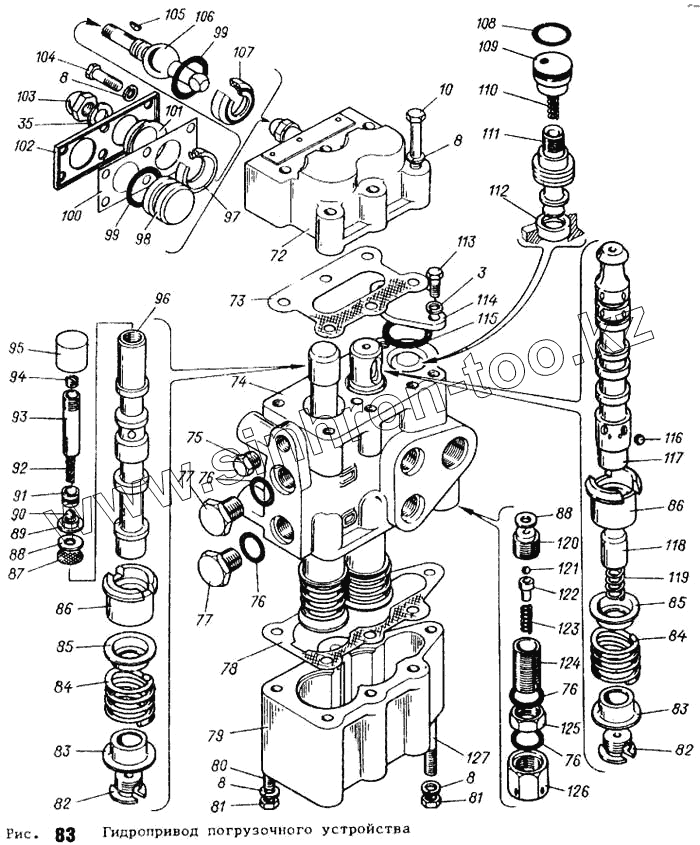
Каталог запасных частей к технике: АТЗ ТТ-4М. Гидропривод погрузочного устройства
3
8
10
35
72
73
74
75
76
77
78
79
80
81
82
83
84
85
86
87
88
89
90
91
92
93
94
95
96
97
98
99
100
101
102
103
104
105
106
107
108
109
110
111
112
113
114
115
116
117
118
119
120
121
122
123
124
125
126
127
| Позиция на иллюстрации | Заводской номер детали | Название детали | |
|---|---|---|---|
| 3 | Шайба 10ОТ 65Г 096 ГОСТ 6402-70 | Шайба 10ОТ 65Г 096 ГОСТ 6402-70 | |
| 8 | Шайба 8Т 65Г 096 ГОСТ 6402-70 | Шайба 8Т 65Г 096 ГОСТ 6402-70 | |
| 10 | Болт М8-6gх55. 88. 016 ГОСТ 7796-70 | Болт М8-6gх55. 88. 016 ГОСТ 7796-70 | |
| 35 | Шайба 12ОТ 65Г 096 ГОСТ 6402-70 | Шайба 12ОТ 65Г 096 ГОСТ 6402-70 | |
| 72 | Р75-2-022А | Крышка верхняя | |
| 73 | Р16-0808138А | Прокладка верхняя | |
| 74 | Р75-11Т-021 | Корпус распределителя | |
| 75 | Пробка КГ1/4"А12.01б ОСТ 23.1.117-83 | Пробка КГ1/4"А12.01б ОСТ 23.1.117-83 | |
| 76 | НШ10-0101034 | Кольцо уплотнительное | |
| 77 | Р75-066 | Заглушка | |
| 78 | Р16А-0808139А | Прокладка нижняя | |
| 79 | Р75-2-023 | Крьппка нижняя | |
| 80 | ШМ8-3 | Шпилька | |
| 81 | Гайка М8-6Н.6.016 ГОСТ 5919-73 | Гайка М8-6Н.6.016 ГОСТ 5919-73 | |
| 82 | Р75-037 | Пробка золотника | |
| 83 | Р75-033 | Стакан нижний | |
| 84 | Р75-035 | Пружина золотника | |
| 85 | Р75-034 | Стакан верхний | |
| 86 | Р75-1-031 | Обойма фиксатора | |
| 87 | Р75-В-052 | Фильтр | |
| 88 | Р75-В-028А | Шайба уплотнительная | |
| 89 | Р75-В-027-А | Гнездо клапана бустера | |
| 90 | Р75-В-026 | Клапан бустера | |
| 91 | Р75-В-045 | Направляющая клапана бустера | |
| 92 | Р75-В-036 | Пружина бустера | |
| 93 | Р75-В-046А | Гильза золотника | |
| 94 | Р75-В-044А | Винт регулировочный | |
| 95 | Р75-Т-025 | Бустер | |
| 96 | Р75-Т-026 | Клапан перегрузочный | |
| 97 | Р75-065А | Кольцо верхнее | |
| 98 | Р75-Т-020 | Втулка верхней крышки | |
| 99 | НШ46-0505037 | Кольцо уплотннтельное | |
| 100 | Р75-2-057 | Пластина колец | |
| 101 | Р75-056М | Пыльник | |
| 102 | Р75-2-055Б | Пластина пыльника | |
| 103 | Гайка М12х1,25-6Н. 8.016 ГОСТ 11860-85 | Гайка М12х1,25-6Н. 8.016 ГОСТ 11860-85 | |
| 104 | Болт М8-6gх16.88.016 ГОСТ 7796-70 | Болт М8-6gх16.88.016 ГОСТ 7796-70 | |
| 105 | Шпонка 3х6,5 ГОСТ 24071-80 | Шпонка 3х6,5 ГОСТ 24071-80 | |
| 106 | Р75-054А | Рычаг | |
| 107 | Р75-064А | Кольцо нижнее | |
| 108 | НШ10-0101031 | Кольцо уплотнительное | |
| 109 | Р75-073А | Направляющая перепускного клапана | |
| 110 | Р75-072 | Пружина перепускного клапана | |
| 111 | Р40/75-0808041Б | Клапан перепускной | |
| 112 | Р40/75-0808040А | Гнездо клапана | |
| 113 | Болт М10-6gх30. 88.016 ГОСТ 7795-70 | Болт М10-6gх30. 88.016 ГОСТ 7795-70 | |
| 114 | Р75-071Г | Упор | |
| 115 | Кольцо У-35х30-3 ГОСТ 8829-73 | Кольцо У-35х30-3 ГОСТ 8829-73 | |
| 116 | Шарик Б6,35-100 ГОСТ 3722-81 | Шарик Б6,35-100 ГОСТ 3722-81 | |
| 117 | Р75-1-024 | Золотник | |
| 118 | Р75-В-029 | Втулка фиксаторная | |
| 119 | Р75-В-032 | Пружина фиксатора | |
| 120 | Р40/75-0808063А | Гнездо клапана | |
| 121 | Шарик Б5,556-100 ГОСТ 3722-81 | Шарик Б5,556-100 ГОСТ 3722-81 | |
| 122 | Р40/75-0808059А | Направляющая | |
| 123 | Р40/75-0808048А | Пружина клапана | |
| 124 | Р40/75-0808049А | Винт регулировочный | |
| 125 | Р75-058Б | Гайка | |
| 126 | Р75-051Б | Колпачок | |
| 127 | ШМ8х120 | Шпилька |
Содержащиеся в справочниках-каталогах запасные части и детали не предлагаются к продаже, а носят исключительно информационный характер