Каталог запасных частей к технике: АТЗ ТТ-4М. Блок-картер
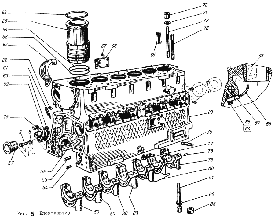
54
55
56
57
58
59
60
61
62
63
64
65
66
67
68
69
70
71
72
73
75
76
77
78
79
80
81
82
83
85
89
| Позиция на иллюстрации | Заводской номер детали | Название детали | |
|---|---|---|---|
| 54 | СМД55-0410А | Штифт | |
| 55 | СМД7-0166А | Втулка | |
| 56 | 01М-0170 | Нитка | |
| 57 | 01-0109 | Втулка распределительного вала передняя | |
| 58 | 01М-0144 | Кольцо нижнее | |
| 59 | 6Т2-01С4 | Палец в сборе | |
| 60 | 6Т2-0133 | Прокладка | |
| 61 | 01М-0135 | Трубка | |
| 62 | 01М-0193 | Пробка | |
| 63 | 01М-0175 | Кожух | |
| 64 | 01М-0143 | Кольцо верхнее | |
| 65 | 01М-0102 | Гильза цилиндра | |
| 66 | 01М-0142 | Кольцо антикавитационное | |
| 67 | Заклепка 3х6 ГОСТ 10299-80 | Заклепка 3х6 ГОСТ 10299-80 | |
| 68 | 01М-0129-Э | Табличка | |
| 69 | 01М-0180 | Втулка прорезная | |
| 70 | 6Т2-0117 | Гайка крепления головки | |
| 71 | 6Т2-0119 | Шайба | |
| 72 | 41-0118-1А | Шпилька крепления головки | |
| 73 | 01-0118-1А | Шпилька крепления головки | |
| 75 | 01М-0195 | Пробка | |
| 76 | 01-0130 | Шпилька АМ16х35 | |
| 77 | 01-0150 | Втулка резьбовая | |
| 78 | 6Т2-0123 | Штифт 4,75х12 | |
| 79 | 01М-0106 | Крышка коренного подшипника | |
| 80 | 01М-0104 | Крышка коренного подшипника | |
| 81 | 01М-0110-02 | Болт крышки подшипника | |
| 82 | 6Т2-0141 | Шайба | |
| 83 | 01М-0105 | Крышка коренного подшипника | |
| 85 | Гайка М22-8Н.6.013 ГОСТ 5927-70 | Гайка М22-8Н.6.013 ГОСТ 5927-70 | |
| 89 | 01-0101 | Блок-картер |
Содержащиеся в справочниках-каталогах запасные части и детали не предлагаются к продаже, а носят исключительно информационный характер