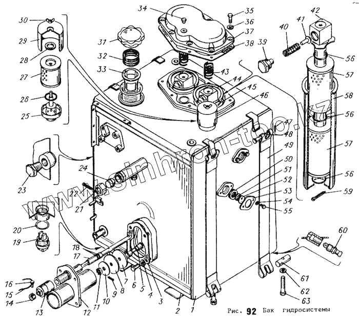
Каталог запасных частей к технике: АТЗ ТТ-4М. Бак гидросистемы
1
2
3
4
5
6
7
8
9
10
11
12
13
14
15
16
17
18
19
20
21
22
23
24
25
26
27
28
29
30
31
32
33
34
35
36
37
38
39
40
41
42
43
44
45
46
47
48
49
50
51
52
53
54
55
56
57
58
59
60
61
62
63
| Позиция на иллюстрации | Заводской номер детали | Название детали | |
|---|---|---|---|
| А70.02.000 | А70.02.000 | Уровнемер | |
| 1 | МТ4.57.003 | Корпус бака | |
| 2 | МТ4.57.135 | Подкладка | |
| 3 | МТ4.57.115 | Прокладка | |
| 4 | Шайба 12 65Г 096 ГОСТ 6402-70 | Шайба 12 65Г 096 ГОСТ 6402-70 | |
| 5 | МТ4.57.124 | Наконечник | |
| 6 | Болт М12-6gх25.88.016 ГОСТ 7796-70 | Болт М12-6gх25.88.016 ГОСТ 7796-70 | |
| 7 | МТ4.57.123 | Накладка | |
| 8 | МТ4.57.125 | Прокладка | |
| 9 | Шплинт 3,2х25.016 ГОСТ 397-79 | Шплинт 3,2х25.016 ГОСТ 397-79 | |
| 10 | МТ4.57.127 | Накладка | |
| 11 | Гайка М12-1,25-6Н.6А.016 ГОСТ 5932-73 | Гайка М12-1,25-6Н.6А.016 ГОСТ 5932-73 | |
| 12 | МТ4.57.015 | Корпус затвора | |
| 13 | МТ4.57.151 | Рукоятка | |
| 14 | МТ4.57.130 | Кольцо | |
| 15 | Проволока 1,6-0-1Ц ГОСТ 3282-74, L=75мм | Проволока 1,6-0-1Ц ГОСТ 3282-74, L=75мм | |
| 16 | Болт 3М6-6gх14.88.016 ГОСТ 7798-70 | Болт 3М6-6gх14.88.016 ГОСТ 7798-70 | |
| 17 | МТ4.57.007 | Стержень | |
| 18 | Г48-70-136 | Кольцо | |
| 19 | 54.38.028-2 | Пробка магнитная | |
| 20 | 54.38.643 | Кольцо уплотняющее | |
| 21 | Н.036.01.007 | Гайка накидная | |
| 22 | Шплинт 4х40.016 ГОСТ 397-79 | Шплинт 4х40.016 ГОСТ 397-79 | |
| 23 | Пробка КГ3/8"А12.016 ОСТ 23.1.117-83 | Пробка КГ3/8"А12.016 ОСТ 23.1.117-83 | |
| 24 | НО36.12.051 | Заглушка сферическая | |
| 25 | А70.03.010-01 | Корпус | |
| 26 | Т4.40.164 | Кольцо У-45х40-2, ГОСТ 9833-61 | |
| 27 | 496-00-00-00 | Элемент фильтрующий воздушный ЭФВ-3-1А | |
| 28 | Т4.47.116 | Кольцо уплотнительное | |
| 29 | А70.03.002-01 | Крышка верхняя | |
| 30 | Гайка. М6-6Н.45Л. 016 ГОСТ 3032-76 | Гайка. М6-6Н.45Л. 016 ГОСТ 3032-76 | |
| 31 | МТ4.50.013 | Переходник краника | |
| 32 | МО4.50.174 | Пружина | |
| 33 | МО4.50.037 | Фильтр | |
| 34 | Пробка КГ1/8"А12.016 ОСТ 23.1.117-83 | Пробка КГ1/8"А12.016 ОСТ 23.1.117-83 | |
| 35 | Болт М10-6gх30.88.016 ГОСТ 7796-70 | Болт М10-6gх30.88.016 ГОСТ 7796-70 | |
| 36 | Шайба 10 65Г 096 ГОСТ 6402-70 | Шайба 10 65Г 096 ГОСТ 6402-70 | |
| 37 | МТ4.57.105 | Крышка | |
| 38 | МТ4.57.166 | Прокладка | |
| 39 | МТ4.57.185 | Направляющая клапана | |
| 40 | МТ4.57.187 | Пружина | |
| 41 | МТ4.57.186 | Клапан | |
| 42 | МТ4.57.009 | Труба фильтра | |
| 43 | МТ4.57.196 | Пружина | |
| 44 | МТ4.57.199 | Манжета | |
| 45 | МТ4.57.008 | Фильтр | |
| 46 | А70.03.000-01 | Сапун | |
| 47 | Шплинт 3,2х18.016 ГОСТ 397-79 | Шплинт 3,2х18.016 ГОСТ 397-79 | |
| 48 | МТ4.37.309 | Палец | |
| 49 | МТ4.57.119 | Лента | |
| 50 | А70.02.003 | Манжета | |
| 51 | А70.02.002 | Отражатель | |
| 52 | А70.02.001 | Стекло | |
| 53 | П4.57.165 | Крышка | |
| 54 | Шайба 8 65Г 096 ГОСТ 6402-70 | Шайба 8 65Г 096 ГОСТ 6402-70 | |
| 55 | Болт М8-6gх14.88.016 ГОСТ 7796-70 | Болт М8-6gх14.88.016 ГОСТ 7796-70 | |
| 56 | МТ4.57.184 | Кольцо | |
| 57 | 761-00-00-00 | Элемент фильтрующий | |
| 58 | МТ4.57.010 | Корпус фильтра | |
| 59 | Шплинт 5х50.016 ГОСТ 397-79 | Шплинт 5х50.016 ГОСТ 397-79 | |
| 60 | МТ4.50.111 | Штуцер | |
| 61 | МТ4.57.311 | Палец | |
| 62 | Шайба 16ОТ 65Г 096 ГОСТ 6402-70 | Шайба 16ОТ 65Г 096 ГОСТ 6402-70 | |
| 63 | МТ4.57.319 | Болт |
Содержащиеся в справочниках-каталогах запасные части и детали не предлагаются к продаже, а носят исключительно информационный характер