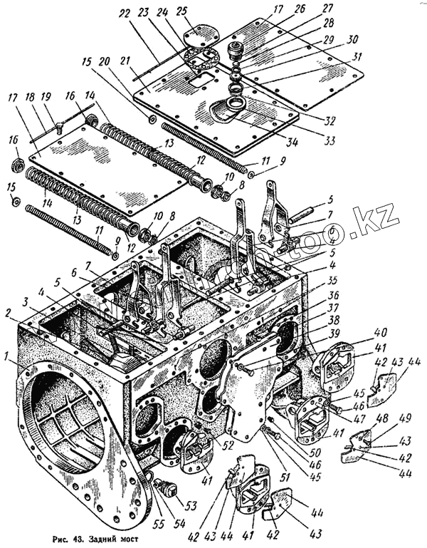
Каталог запасных частей к технике: АТЗ ТТ-4. Задний мост
2
3
4
5
6
7
8
9
10
11
12
13
14
15
16
17
18
19
20
21
22
23
24
25
26
28
29
30
31
32
33
34
35
36
37
38
39
40
41
42
43
44
45
46
47
48
49
50
51
52
53
54
55
| Позиция на иллюстрации | Заводской номер детали | Название детали | |
|---|---|---|---|
| 04.38.008-2 | 04.38.008-2 | Шестерня солнечная в сборе | |
| Т4.38.013-2 | Т4.38.013-2 | Ветвь большая тормозной ленты водила в сборе | |
| 04.38.015 | 04.38.015 | Уплотнение в сборе | |
| 04.38.025 | 04.38.025 | Труба направляющая в сборе | |
| 04.38.017 | 04.38.017 | Стакан в сборе | |
| 04.38.003-1А | 04.38.003-1А | Стакан в сборе | |
| 04.57.014 | 04.57.014 | Сапун в сборе | |
| 04.38.016 | 04.38.016 | Сальник в сборе | |
| 54.38.028-2 | 54.38.028-2 | Пробка магнитная | |
| Т4.38.001 | Т4.38.001 | Мост задний в сборе | |
| Т4.38.002-3 | Т4.38.002-3 | Лента тормозная солнечной шестерни в сборе | |
| Т4.38.012-2 | Т4.38.012-2 | Ветвь большая тормозной ленты солнечной шестерни в сборе | |
| Т4.38.014-2 | Т4.38.014-2 | Ветвь малая тормозной ленты водила в сборе | |
| Т4.38.011-2 | Т4.38.011-2 | Ветвь малая тормозной ленты солнечной шестерни в сборе | |
| М04.38.-002-1 | М04.38.-002-1 | Водило с сателлитами в сборе | |
| Т4.38.007 | Т4.38.007 | Крышка в сборе | |
| 04.38.012А | 04.38.012А | Механизм планетарный в сборе | |
| Т4.38.003-3 | Т4.38.003-3 | Лента тормозная водила в сборе | |
| 04.57.016 | 04.57.016 | Корпус сапуна в сборе | |
| Т4.38.004 | Т4.38.004 | Крышка центральная в сборе | |
| 1 | Т4.38.101 | Корпус заднего моста | |
| 2 | 04.37.109 | Пружина | |
| 3 | 04.38.168 | Штифт | |
| 4 | 04.38.150-1 | Ось | |
| 5 | 04.38.158 | Ось проушины сбегающей ветви | |
| 6 | 04.38.154 | Рычаг тормоза солнечной шестерня | |
| 7 | 04.38.156-1 | Рычаг остановочного тормоза | |
| 8 | ГН-М24Х1,5 | Гайка | |
| 9 | ШЧ-12 | Шайба | |
| 10 | 04.38.177-1 | Гайка регулировочная | |
| 11 | 04.38.153 | Пружина остановочного тормоза | |
| 12 | 04.38.173-1 | Труба направляющая | |
| 13 | 04.38.175 | Заглушка | |
| 14 | 04.38.142 | Пружина тормоза солнечной шестерни | |
| 15 | 04.38.179 | Шайба упорная | |
| 16 | 04.38.176-1 | Втулка направляющая | |
| 17 | Т4.38.115 | Крышка боковая | |
| 18 | ПЖ- диаметром 1,6Х1500 | Проволока | |
| 19 | БНПС-М12Х30 | Болт | |
| 20 | Т4.38.121-1 | Прокладка | |
| 21 | Т4.38.102 | Крышка центральная | |
| 22 | ПЖ- диаметром 1,6Х1600 | Проволока | |
| 23 | ГШ-М12 | Гайка | |
| 24 | 04.41.165-1 | Прокладка | |
| 25 | Т4.38.146 | Крышка | |
| 26 | 04.57.141 | Корпус сапуна | |
| 27 | 04.57.142 | Стакан защитный | |
| 28 | 04.57.140 | Набивка | |
| 29 | 7.37.243 | Заглушка | |
| 30 | 04.57.139 | Пробка | |
| 31 | 04.57.125 | Прокладка сапуна | |
| 32 | 04.57.143 | Кольцо стопорное | |
| 33 | Т4.38.145 | Бонка | |
| 34 | Т4.38.131 | Отражатель | |
| 35 | Ш-2Х12 | Шплинт | |
| 36 | Т4.38.142 | Штифт пружины | |
| 37 | 04.41.155-1 | Прокладка | |
| 38 | Т4.38.147-2 | Крышка | |
| 39 | ШП-12Н | Шайба пружинная 12Н65Г, ГОСТ 6402-61 | |
| 40 | БНП-М12Х30 | Болт | |
| 41 | 04.38.157-1 | Кронштейн управления тормозами | |
| 42 | Т4.38.160 | Пластина стопорная | |
| 43 | ЗП-6Х20 | Заклёпка | |
| 44 | 04.38.159-1 | Крышка | |
| 45 | ШП-14Т | Шайба пружинная | |
| 46 | БНП-М14Х35 | Болт | |
| 47 | ШЦ-12Х30 | Штифт цилиндрический | |
| 48 | ШП-10Т | Шайба пружинная | |
| 49 | БНП-М8Х16 | Болт | |
| 50 | РКIII-1/2" | Пробка КГ-1/2", ГОСТ 12720-67 | |
| 51 | ШЧ-14 | Шайба | |
| 52 | РКIII-3/8" | Пробка | |
| 53 | 54.38.601-1 | Пробка с держателями | |
| 54 | 54.38.602 | Магнит | |
| 55 | 54.38.643 | Кольцо уплотняющее |
Содержащиеся в справочниках-каталогах запасные части и детали не предлагаются к продаже, а носят исключительно информационный характер