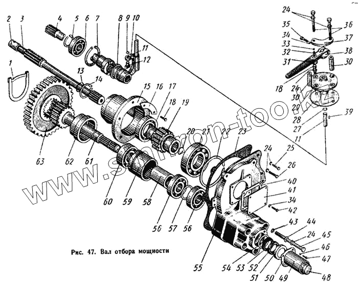
Каталог запасных частей к технике: АТЗ ТТ-4. Вал отбора мощности
1
2
3
4
5
6
7
8
9
10
11
12
13
14
15
16
17
18
19
20
21
22
23
24
25
26
27
28
29
30
31
32
33
34
35
36
37
38
39
40
41
42
43
44
45
46
47
48
49
50
51
52
53
54
55
56
57
58
59
60
61
62
63
| Позиция на иллюстрации | Заводской номер детали | Название детали | |
|---|---|---|---|
| Т4.41.002-1 | Т4.41.002-1 | Вилка переключения в сборе | |
| Т4.41.001-1 | Т4.41.001-1 | Вал отбора мощности | |
| 04.41.010-2 | 04.41.010-2 | Чехол в сборе | |
| Т4.41.003 | Т4.41.003 | Рычаг в сборе | |
| 1 | 04.41.192-1 | Шайба ШЕЗ-85 | |
| 2 | 04.41.146-1 | Втулка | |
| 3 | 04.41.105-2 | Вал приводной задний | |
| 4 | 04.41.219-1 | Вал приводной передний | |
| 5 | 04.41.181-1 | Кольцо НК-50 | |
| 6 | ШРО-210 | Шарикоподшипник радиальный | |
| 7 | 04.41.182-1 | Кольцо ВЭ-90 | |
| 8 | 04.41.104-2 | Муфта кулачковая | |
| 9 | 04.41.137 | Кольцо стопорное | |
| 10 | 04.41-200-1 | Вилка переключения | |
| 11 | 04.41.135-1 | Валик переключения | |
| 12 | 04.41.136-2 | Сухарь | |
| 13 | 04.41.187 | Кольцо стопорное | |
| 14 | 04.41.119-1 | Кольцо НЭ-60 | |
| 15 | 04.41.102-1 | Гнездо подшипников | |
| 16 | 04.41.142 | Пластина замковая | |
| 17 | РРК-102212К1 | Роликоподшипник радиальный | |
| 18 | БНП-М12Х35 | Болт М12Х35, ГОСТ 7796-62 | |
| 19 | 04.41.109-1 | Шестерня ведущая | |
| 20 | 04.57.143 | Кольцо стопорное | |
| 21 | ШРО-313 | Шарикоподшипник | |
| 22 | 04.37.186 | Кольцо 1Б-140 | |
| 23 | 04.41.155-1 | Прокладка | |
| 24 | ШП-12Н | Шайба пружинная 12Н65Г, ГОСТ 6402-61 | |
| 25 | БНП-М12Х40 | Болт М12Х40, ГОСТ 7796-62 | |
| 26 | БНП-М12Х65 | Болт М12Х65, ГОСТ 7795-62 | |
| 27 | 60.40.042 | Кольцо уплотнительное | |
| 28 | 04.41.165-1 | Прокладка | |
| 29 | 04.41.151-1 | Кронштейн | |
| 30 | 04.41.224 | Втулка | |
| 31 | 04.41.179-2 | Колпак | |
| 32 | 04.37.204-1 | Пружина фиксатора | |
| 33 | Шар диаметром 13,494 | Шар | |
| 34 | ШП-10Т | Шайба пружинная | |
| 35 | БНП-10Х35 | Болт | |
| 36 | БНП-М12Х90 | Болт | |
| 37 | 04.41.226 | Планка фиксирующая | |
| 38 | Т4.41.107 | Рычаг | |
| 39 | ШС-4Х9 | Шпонка | |
| 40 | 04.41.228 | Прокладка | |
| 41 | Т4.42.178 | Крышка | |
| 42 | БНП-М10Х20 | Болт | |
| 43 | 04.38.242 | Кольцо уплотнительное | |
| 44 | ШЧ-12 | Шайба | |
| 45 | БНП-М12Х180-05 | Болт | |
| 46 | ШП-8Н | Шайба пружинная | |
| 47 | БНП-М8Х16 | Болт | |
| 48 | 04.41.199 | Колпачок | |
| 49 | 04.41.180-2 | Чехол | |
| 50 | 04.41.183 | Фланец | |
| 51 | 04.41.133 | Обойма сальника | |
| 52 | 04.41.159 | Кольцо-сальник | |
| 53 | АСК45-65-9сб | Уплотнение одинарное | |
| 54 | 04.41.124 | Кольцо НК-45 | |
| 55 | 04.41.101-1 | Корпус вала отбора мощности | |
| 56 | ШРО-309К | Шарикоподшипник радиальный | |
| 57 | 04.41.139 | Кольцо распорное | |
| 58 | 04.41.145-1 | Втулка распорная | |
| 59 | 04.41.220 | Втулка распорная | |
| 60 | РРК-2609КМ | Роликоподшипник радиальный | |
| 61 | 04.41.106-2 | Вал отбора мощности | |
| 62 | 04.41.223 | Стакан | |
| 63 | 04.41.103-2 | Шестерня ведомая |
Содержащиеся в справочниках-каталогах запасные части и детали не предлагаются к продаже, а носят исключительно информационный характер