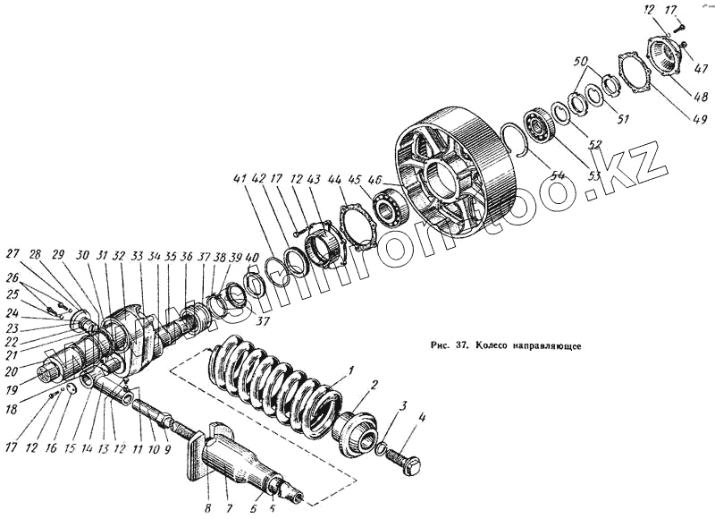
Каталог запасных частей к технике: АТЗ ТТ-4. Колесо направляющее
1
2
3
4
5
6
7
8
9
10
11
12
13
14
15
16
17
18
19
20
21
22
23
24
25
26
27
28
29
30
31
32
33
34
35
36
37
38
39
40
41
42
43
44
45
46
47
48
49
50
51
52
53
54
| Позиция на иллюстрации | Заводской номер детали | Название детали | |
|---|---|---|---|
| Т4.32.004 | Т4.32.004 | Амортизатор с натяжным винтом в сборе | |
| Т4.32.005 | Т4.32.005 | Амортизатор в сборе | |
| Т4.32.006 | Т4.32.006 | Шток в сборе | |
| Т4.31.015 | Т4.31.015 | Пружина уплотнения в сборе | |
| Т4.32.007 | Т4.32.007 | Проушина в сборе | |
| Т4.32.003 | Т4.32.003 | Кривошип в сборе | |
| Т4.31.012 | Т4.31.012 | Кольцо уплотнительное в сборе | |
| Т4.32.001 | Т4.32.001 | Колесо направляющее с амортизатором в сборе | |
| Т4.32.002 | Т4.32.002 | Колесо направляющее в сборе | |
| Т4.32.009 | Т4.32.009 | Винт натяжной в сборе | |
| Т4.31.016 | Т4.31.016 | Корпус уплотнения в сборе | |
| 1 | Т4.32.106 | Пружина | |
| 2 | Т4.32.107 | Опора амортизатора | |
| 3 | ШП-42Н | Шайба пружинная | |
| 4 | Т4.32.122 | Болт | |
| 5 | Т4.32.109 | Труба штока | |
| 6 | 60-31-005 | Кольцо упорное | |
| 7 | Т4.32.108 | Фланец штока | |
| 8 | 36-3001058 | Сальник поворотного рычага | |
| 9 | 60-31-012 | Поводок натяжного винта | |
| 10 | Т4.32.114 | Винт натяжной | |
| 11 | 60-31-017 | Бонка | |
| 12 | ШП-12Т | Шайба пружинная | |
| 13 | 60-31-018 | Болт стопорный | |
| 14 | Т4.32.112 | Труба проушины | |
| 15 | Т4.32.110 | Проушина | |
| 16 | 60-31-002 | Шайба | |
| 17 | БНП-М12Х35 | Болт М12Х35, ГОСТ 7796-62 | |
| 18 | I-А1 | Масленка I-А1, ГОСТ 1303-56 | |
| 19 | 60-33-025 | Пробка | |
| 20 | Т4.32.104 | Ось | |
| 21 | Т4.31.139 | Стопор | |
| 22 | 60-33-026 | Прокладка регулировочная | |
| 23 | 60-33-027 | Прокладка регулировочная | |
| 24 | 60-33-028 | Прокладка регулировочная | |
| 25 | ШП-10Т | Шайба пружинная | |
| 26 | БНП-М10Х18 | Болт | |
| 27 | Т4.31.109 | Крышка стопора | |
| 28 | Т4.31.110 | Прокладка | |
| 29 | Т4.31.143 | Кольцо уплотнительное | |
| 30 | Т4.31.133 | Кольцо | |
| 31 | Т4.31.132 | Кольцо уплотнительное | |
| 32 | Т4.32.121 | Щека кривошипа | |
| 33 | 12-33-13 | Заглушка | |
| 34 | Т4.31.124 | Кольцо защитное | |
| 35 | Т4.32.102 | Ось направляющего колеса | |
| 36 | Т4.31.130 | Чехол уплотнения | |
| 37 | Т4.31.129 | Шайба нажимная | |
| 38 | Т4.31.128 | Пружина уплотнения | |
| 39 | Т4.31.149 | Нитка №00 ГОСТ 6309-59 | |
| 40 | Т4.31.131 | Кольцо уплотнительное малое | |
| 41 | 04.31.116 | Кольцо уплотнительное | |
| 42 | Т4.31.134 | Кольцо уплотнительное | |
| 43 | Т4.31.119 | Корпус уплотнения | |
| 44 | Т4.31.136 | Прокладка | |
| 45 | РК-7615 | Роликоподшипник конический | |
| 46 | Т4.32.101 | Колесо направляющее | |
| 47 | РКIII-3/8" | Пробка | |
| 48 | Т4.31.125 | Крышка | |
| 49 | Т4.31.126 | Прокладка | |
| 50 | ГКр-М64Х2 | Гайка круглая | |
| 51 | Т4.31.148 | Шайба стопорная | |
| 52 | Т4.31.141 | Шайба упорная | |
| 53 | РК-7313К1 | Роликоподшипник конический | |
| 54 | Т4.31.118 | Кольцо стопорное |
Содержащиеся в справочниках-каталогах запасные части и детали не предлагаются к продаже, а носят исключительно информационный характер