Каталог запасных частей к технике: АТЗ ТТ-4. Электрооборудование и приборы
1
1
2
3
4
4
5
5
6
7
7
8
8
9
9
10
10
11
12
12
13
14
15
16
17
18
19
20
21
22
23
23
24
25
26
27
28
29
30
31
32
33
34
35
36
37
38
39
40
41
42
42
43
43
44
45
46
47
48
48
49
50
51
52
53
54
55
57
58
58
59
59
60
61
62
63
64
65
66
67
68
69
70
71
72
73
74
75
76
77
78
79
80
81
81
82
83
84
85
86
87
88
89
90
91
92
93
94
95
96
97
97
99
99
100
101
102
103
104
105
106
107
108
109
110
111
112
113
114
115
116
117
118
119
120
120
121
121
122
123
123
124
125
126
127
128
129
130
131
132
132
133
134
135
136
137
137
138
138
139
140
141
142
143
143
144
144
145
145
146
146
147
147
148
148
149
149
150
150
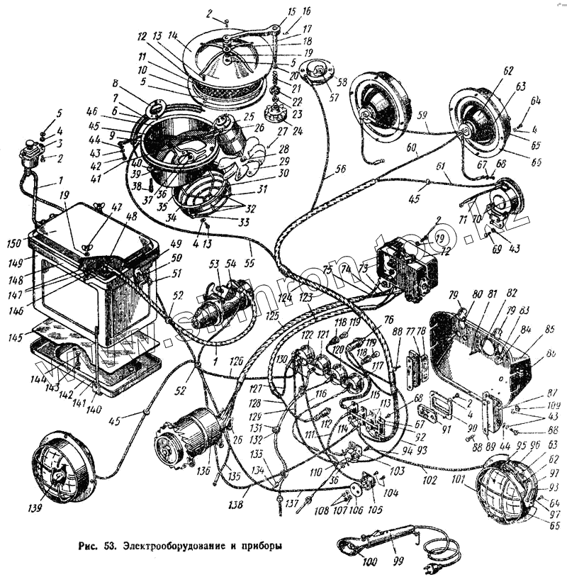
| Позиция на иллюстрации | Заводской номер детали | Название детали | |
|---|---|---|---|
| 04.48.050 | 04.48.050 | Кожух в сборе | |
| Т4.48.024 | Т4.48.024 | Кожух в сборе | |
| Т4.48.029 | Т4.48.029 | Кольцо распорное наружное в сборе | |
| 04.48.064-1 | 04.48.064-1 | Корпус вентилятора в сборе | |
| 04.48.071 | 04.48.071 | Кронштейн крышки вентилятора в сборе | |
| 04.48.067 | 04.48.067 | Крыльчатка в сборе | |
| Т4.48.023 | Т4.48.023 | Ограждение в сборе | |
| 04.48.056 | 04.48.056 | Пластина амортизатора в сборе | |
| 04.48.009-2 | 04.48.009-2 | Поддон аккумулятора в сборе | |
| Т4.48.032 | Т4.48.032 | Пучок проводов кабины | |
| Т4.48.052 | Т4.48.052 | Пучок проводов от генератора к реле-регулятору | |
| Т4.48.053 | Т4.48.053 | Пучок проводов от реле-регулятора к щитку приборов | |
| 04.48.053-5 | 04.48.053-5 | Рамка аккумулятора в сборе | |
| 04.48.092-1 | 04.48.092-1 | Рамка в сборе | |
| Т4.48.001-4 | Т4.48.001-4 | Расположение и монтаж электрооборудования | |
| 04.48.030 | 04.48.030 | Сетка вентилятора в сборе | |
| Т4.48.СХ1-7 | Т4.48.СХ1-7 | Схема электрооборудования трактора ТТ-4 | |
| 04.48.072-5 | 04.48.072-5 | Трубка манометра масла в сборе | |
| Т4.48.037 | Т4.48.037 | Установка аккумуляторной батареи | |
| Т4.48.027 | Т4.48.027 | Установка вентилятора | |
| Т4.48.025 | Т4.48.025 | Установка задней фары | |
| Т4.48.019 | Т4.48.019 | Установка фары | |
| 04.48.007-4 | 04.48.007-4 | Щиток приборов в сборе | |
| Т4.48.002-4 | Т4.48.002-4 | Щиток приборов в сборе | |
| 1 | РКII-3/4" | Пробка | |
| 1 | 04.48.042-3 | Провод от аккумулятора на массу | |
| 2 | БНП-М6Х20 | Болт | |
| 3 | СК-ВК318-3704000Б | Выключатель массы В К318-Б | |
| 4 | БНП-М12Х45 | Болт | |
| 4 | ШП-6Т | Шайба пружинная | |
| 5 | ГШ-М6 | Гайка | |
| 5 | ШП-12Н | Шайба пружинная 12Н65Г, ГОСТ 6402-61 | |
| 6 | 04.48.209 | Окантовка вентилятора | |
| 7 | ГШ-М12 | Гайка | |
| 7 | 04.48.210 | Шнур распорный | |
| 8 | 04.48.205 | Прокладка электромотора | |
| 8 | Ш-3,2Х32 | Шплинт 3,2Х32, ГОСТ 397-66 | |
| 9 | ГК-М6 | Гайка | |
| 9 | ГП-М12Х1,25 | Гайка | |
| 10 | Т4.48.113 | Кольцо распорное наружное | |
| 10 | ШЧ-12 | Шайба | |
| 11 | Т4.48.115 | Сетка вентилятора | |
| 12 | Т4.48.114 | Ободок сетки вентилятора | |
| 12 | Ш-3,2Х20 | Шплинт | |
| 13 | В2-М6Х12 | Винт | |
| 14 | 04.48.206 | Крышка вентилятора | |
| 15 | 04.48.200 | Кронштейн крышки вентилятора | |
| 16 | ШЦ-3Х22 | Штифт цилиндрический | |
| 17 | 04.48.201 | Ось | |
| 18 | 04.48.207 | Амортизатор крышки вентилятора | |
| 19 | ШЧ-6 | Шайба | |
| 20 | ШЧ-12 | Шайба | |
| 21 | 12-12-91 | Пружина | |
| 22 | 04.48.199 | Шайба опорная | |
| 23 | ГШ-М10 | Гайка | |
| 23 | ГШ-М12Х1,25 | Гайка | |
| 24 | 04.48.202 | Ручка крышки вентилятора | |
| 25 | МЭ219-3730000Г | Электродвигатель МЭ219 | |
| 26 | 54.24.445 | Наконечник изоляционный | |
| 27 | В4-М6Х8 | Винт | |
| 28 | 04.48.180 | Ступица | |
| 29 | 75.66.108 | Крыльчатка | |
| 30 | 04.48.191 | Кольцо | |
| 31 | 04.48.192 | Кольцо | |
| 32 | 04.48.188 | Перемычка | |
| 33 | 04.48.189 | Кольцо | |
| 34 | 04.48.190 | Кольцо | |
| 35 | 04.48.178-2 | Основание кожуха | |
| 36 | Г-М5 | Гайка | |
| 37 | ШП-5Н | Шайба пружинная | |
| 38 | 04.48.208 | Фиксатор вентилятора | |
| 39 | 04.48.203 | Кольцо распорное внутреннее | |
| 40 | 04.48.171-1 | Кронштейн фиксатора вентилятора | |
| 41 | Т4.48.028 | Провод от вентилятора на массу | |
| 42 | БНП-М8Х14 | Болт | |
| 42 | ПЖ- диаметром 1,2Х80 | Проволока контровочная | |
| 43 | ШП-8Н | Шайба пружинная | |
| 43 | Шар диаметром 15,081 | Шар | |
| 44 | ШЧ-8 | Шайба | |
| 45 | 36-3723024 | Втулка | |
| 46 | 04.48.173-1 | Корпус вентилятора | |
| 47 | ГБ-М6 | Гайка-барашек | |
| 48 | БНП-М12Х30 | Болт | |
| 48 | ГШ-М8 | Гайка | |
| 49 | 04.48.216-1 | Петля | |
| 50 | 04.48.213 | Стяжка | |
| 51 | 04.48.214 | Рамка защелки | |
| 52 | 54.48.609 | Кольцо изоляционное | |
| 53 | 01-14С3 | Стартер Ст 350-В | |
| 54 | 04.48.187 | Наконечник изоляционный | |
| 55 | Т4.48.033 | Провод от включателя к вентилятору | |
| 56 | БНП-М16Х32 | Болт М16Х32, ГОСТ 7796-62 | |
| 56 | Т4.48.034 | Провод от включателя к плафону | |
| 57 | А12-6 | Электролампа 12 в, 6 св | |
| 58 | ПК201-3714010 | Плафон ПК201 | |
| 58 | ШП-8Н | Шайба пружинная | |
| 59 | БНП-М8Х25 | Болт | |
| 59 | Т4.48.012 | Провод от прожектора правого к прожектору левому | |
| 60 | Т4.48.049 | Провод от включателя к прожектору | |
| 61 | Т4.48.013 | Провод включателя сигнала | |
| 62 | ФП2-3711200-Б2 | Оптический элемент ФГ12-200-Б2 | |
| 63 | Т4.48.104 | Прокладка | |
| 64 | В2-М6Х14 | Винт | |
| 65 | Т4.48.101 | Обод | |
| 66 | Т4.48.103 | Обойма | |
| 67 | ШП-4Т | Шайба пружинная | |
| 68 | В2-М4Х12 | Винт | |
| 69 | БНП-М8Х20 | Болт | |
| 70 | СК-С44-3721000Г | Сигнал звуковой безупорный С-44 | |
| 71 | Т4.48.041 | Провод от сигнала на массу | |
| 72 | РР362-3702000Б | Реле-регулятор РР362-Б | |
| 73 | Т4.48.036-1 | Провод от клеммы «Ш» генератора к клемме «Ш» реле-регулятора | |
| 74 | Т4.48.050 | Провод от клеммы В генератора к клемме В реле-регулятора | |
| 75 | Т4.48.057 | Провод от клеммы М генератора к клемме М реле-регулятора | |
| 76 | 76Т-52сб.106 | Включатель сигнала ВК 322 | |
| 77 | 04.48.215 | Пластина амортизатора | |
| 78 | ГК-М8 | Гайка | |
| 79 | 04.48.224 | Колпачок | |
| 80 | 04.48.225 | Фланец | |
| 81 | 04.48.131 | Перемычка от фонаря на массу | |
| 81 | Ш-4Х25 | Шплинт | |
| 82 | 04.48.227 | Перемычка от включателя сигнала на массу | |
| 83 | ЗТ2-4Х6ПФ | Заклепка | |
| 84 | 04.48.120-3 | Таблица включателей | |
| 85 | 04.48.140-3 | Щиток приборов | |
| 86 | 76Т.23.382 | Скоба | |
| 87 | 04.48.226 | Амортизатор щитка приборов | |
| 88 | БНП-М8Х30 | Болт | |
| 89 | 04.48.230 | Пластина амортизатора | |
| 90 | Т4.48.118 | Кожух уплотнителя | |
| 91 | Т4.48.117 | Уплотнитель | |
| 92 | Г-М4 | Гайка | |
| 93 | Т4.48.018 | Провод от предохранителя к выключателю сигнала | |
| 94 | В2-М5Х22 | Винт | |
| 95 | Т4.48.102 | Окантовка | |
| 96 | Т4.48.107 | Прокладка | |
| 97 | ГШ-М14 | Гайка М14 | |
| 97 | Т4.48.105 | Кожух | |
| 99 | ЗДБ-516147А | Лампа переносная ПЛ-64РIК | |
| 99 | ХС-51 | Хомутик стяжной | |
| 100 | А12-15 | Электролампа 12 в, 15 св | |
| 101 | 60.51.002 | Проволока ограждения | |
| 102 | Т4.48.048 | Провод от включателя к левой фаре | |
| 103 | 04.48.228 | Прокладка | |
| 104 | В2-М3Х25 | Винт | |
| 105 | 6ТБ-266003 | Розетка штепсельная 47 «К» | |
| 106 | Т4.48.119 | Прокладка | |
| 107 | ШЧ-3 | Шайба | |
| 108 | ГШ-М3 | Гайка | |
| 109 | ГШ-М8 | Гайка | |
| 110 | 04.48.035 | Предохранитель термобиметаллический ПР2-Б | |
| 111 | 04.48.017-1 | Провод от переключателя к предохранителю | |
| 112 | 75Т-07сб.333 | Фонарь контрольной лампы ПД20-Е | |
| 113 | 04.48.159 | Включатель ВК57 | |
| 114 | 04.48.119-2 | Перемычка выключателей | |
| 115 | 54.48.060зам | Переключатель П-57 | |
| 116 | Т4.48.058 | Провод от штепсельной розетки к клемме «-» амперметра | |
| 117 | 76Т-52сб.120-1 | Указатель температуры воды дистанционный парожидкостный УТ 200-Г | |
| 118 | 04.48.065-2 | Патрон. контрольной лампы (ПП24-Б) | |
| 119 | А12-1,5 | Электролампа 12 в, 1,5 св | |
| 120 | 60-48-017 | Кольцо уплотнительное | |
| 120 | 76Т-52сб.121-1 | Указатель температуры масла дистанционный парожидкостный УТ 201-И | |
| 121 | МД224-3810500Г | Манометр масла МД-224Г | |
| 121 | РКIII-1/4" | Пробка КГ-1/4", ГОСТ 12720-67 | |
| 122 | АП200-3811000Г | Амперметр АП200 | |
| 123 | ПЖ- диаметром 1Х175 | Проволока контровочная | |
| 123 | Ф8Х1 | Трубка | |
| 124 | Ф12Х0,8 | Трубка | |
| 125 | Ф12Х1 | Трубка | |
| 126 | Т4.48.046 | Провод от стартера к клемме «-» амперметра | |
| 127 | Т4.48.051 | Провод от клеммы В реле-регулятора к клемме «+» амперметра | |
| 128 | Т4.48.039 | Провод от клеммы Ш реле-регулятора к фонарю контрольной лампы | |
| 129 | 04.48.013-6 | Провод от клеммы «+» амперметра к предохранителю | |
| 130 | 04.48.212-5 | Трубка манометра масла | |
| 131 | 04.48.211 | Скоба закрытая | |
| 132 | БНП-М8Х14 | Болт | |
| 132 | 54.48.419 | трубка капиллярная защитная | |
| 133 | ГСМ-М10Х1 | Гайка | |
| 134 | МС-6 | Муфта конусная | |
| 135 | 04.48.037-2 | Провод от генератора на массу | |
| 136 | Г304Б1-3701000Г | Генератор Г304Б1 | |
| 137 | БНП-М10Х20 | Болт | |
| 137 | Т4.48.059 | Провод от штепсельной розетки к клемме «-» аккумулятора | |
| 138 | Т4.48.047 | Провод от включателя к правой фаре | |
| 138 | ШП-10Н | Шайба пружинная 10Н65Г, ГОСТ 6402-61 | |
| 139 | А12-50+21 | Электролампа 120, 50+21 св | |
| 140 | 12-51-135 | Лапка | |
| 141 | 04.48.170-2 | Болт стяжной | |
| 142 | 04.48.147-1 | Поддон аккумулятора | |
| 143 | ШП-10Т | Шайба пружинная | |
| 143 | 60-48-031 | Шайба стопорная | |
| 144 | БНП-М10Х20 | Болт | |
| 144 | 60-48-010 | Головка штока | |
| 145 | 60-48-021 | Втулка шарнира | |
| 145 | 04.48.111 | Прокладка | |
| 146 | БНП-М8Х30 | Болт | |
| 146 | ЗП-10Х70 | Заклепка | |
| 147 | 04.48.109-1 | Прокладка | |
| 147 | 60-48-022 | Шарнир | |
| 148 | 60-48-030 | Манжетодержатель | |
| 148 | 04.42.240-2 | Рамка | |
| 149 | 75.48.052-1 | Аккумуляторная батарея 6ТСТ-45ПМС | |
| 149 | 60-48-011 | Манжета 60Х80 ГОСТ 6969-54 | |
| 150 | 76Т-48-025-1 | Втулка | |
| 150 | 04.48.132-2 | Крышка | |
| 151 | 36-4202035 | Кольцо пружинное | |
| 152 | 60-48-016 | Прокладка цилиндра | |
| 153 | 60-48-027 | Шток | |
| 155 | 60-48-028 | Хвостовик штока | |
| 156 | 60-48-026 | Кольцо уплотнительное | |
| 158 | 60-48-007 | Кольцо поршневое | |
| 159 | 60-48-009-А | Гайка | |
| 160 | Ш-6Х90 | Шплинт | |
| 161 | БНП-М16Х1,5ХХ50 | Болт | |
| 162 | ШП-16Т | Шайба пружинная |
Содержащиеся в справочниках-каталогах запасные части и детали не предлагаются к продаже, а носят исключительно информационный характер