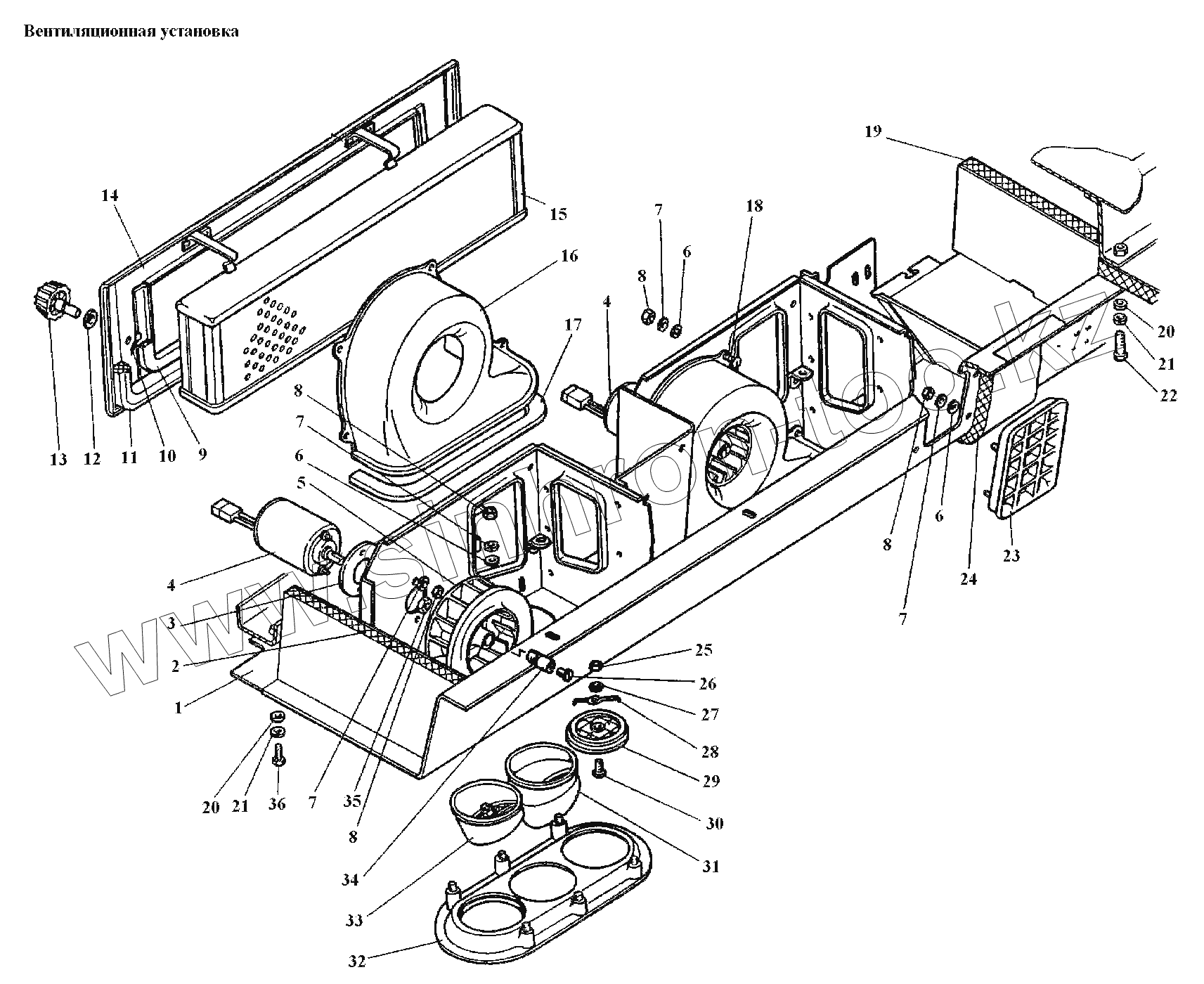
Каталог запасных частей к технике: АТЗ Т-4А, Т-4.02. Вентиляционная установка
1
2
3
4
4
5
7
7
7
7
9
10
11
13
14
15
16
17
19
21
21
22
23
24
26
28
29
31
32
33
34
35
36
| Позиция на иллюстрации | Заводской номер детали | Название детали | |
|---|---|---|---|
| 402.66А.001-01 | 402.66А.001-01 | Вентиляционная установка | |
| 1 | 402.66А.003-1 | Панель в сборе | |
| 2 | МТ4.62А.140 | Обивка боковая | |
| 3 | ОТ2.13.066 | Прокладка | |
| 4 | 19.3730 | Электродвигатель | |
| 5 | МТ4.62А.009 | Колесо вентилятора | |
| 7 | 565Г019 | Шайба 5 65Г | |
| 7 | 565Г019 | Шайба 5 65Г | |
| 7 | 565Г019 | Шайба 5 65Г | |
| 7 | 565Г019 | Шайба 5 65Г | |
| 9 | 402.66А.120 | Уплотнитель | |
| 10 | 1,6x12.0.019 | Шплинт 1,6x12 | |
| 11 | Т4.45.194-05 | Уплотнитель | |
| 13 | 402.66А.008 | Ручка | |
| 14 | 402.66А.007 | Крышка фильтра | |
| 15 | МТ4.66.007 | Фильтр | |
| 16 | МТ4.62А.117 | Корпус вентилятора | |
| 17 | МТ4.62А.137 | Уплотнитель | |
| 19 | МТ4.62А.140-01 | Обивка боковая | |
| 21 | 6.65Г.019 | Шайба 6.65Г | |
| 21 | 6.65Г.019 | Шайба 6.65Г | |
| 22 | М6-6gx35.88.019 | Болт М6-6gx35.88.016 | |
| 23 | МТ4.62А.011 | Решетка | |
| 24 | 402.66А.123 | Панель люка | |
| 26 | МТ4.62А.120 | Винт | |
| 28 | МТ4.62А.132 | Прижим | |
| 29 | МТ4.62А.129 | Дифлектор | |
| 31 | МТ4.62А.131 | Переходник | |
| 32 | МТ4.62А.010 | Ложемент | |
| 33 | МТ4.62А.130 | Переходник | |
| 34 | МТ4.62А.118 | Втулка цанговая | |
| 35 | МТ4.62А.119 | Гайка | |
| 36 | М6-6gx20.46.06 | Болт М6-6gx20.46.06 |
Содержащиеся в справочниках-каталогах запасные части и детали не предлагаются к продаже, а носят исключительно информационный характер