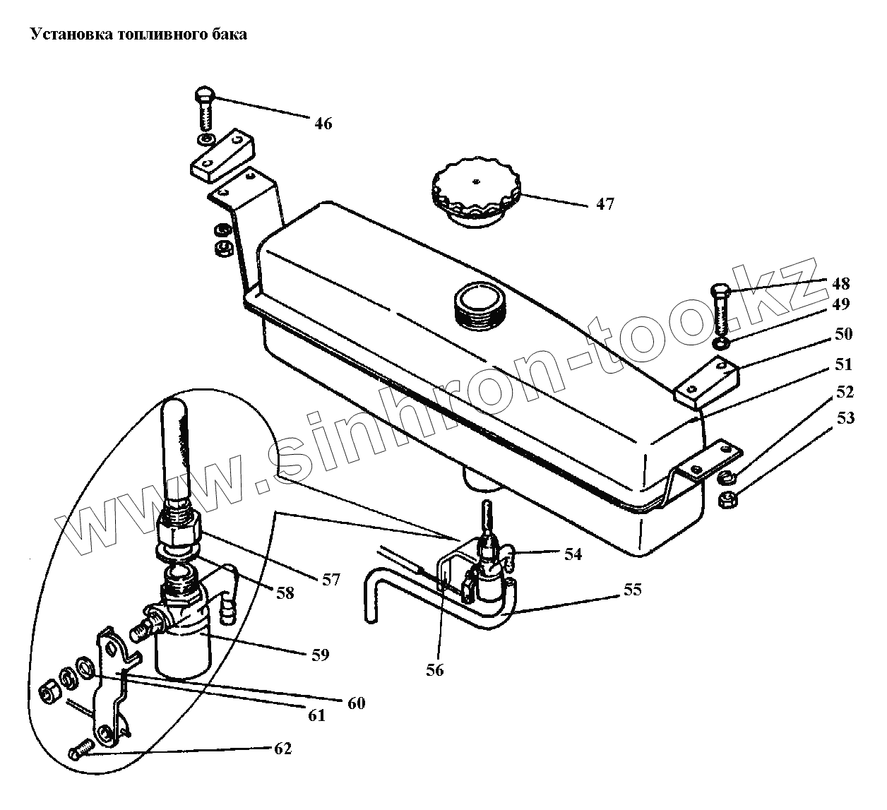
Каталог запасных частей к технике: АТЗ Т-4А, Т-4.02. Установка топливного бака
46
47
48
50
51
52
53
54
55
56
57
58
59
60
62
| Позиция на иллюстрации | Заводской номер детали | Название детали | |
|---|---|---|---|
| 46 | М8-6gx25.88.35.016 | Болт М8-6gx25.88.35.016 | |
| 47 | 54.50.045АТ | Пробка бензинового бачка в сборе | |
| 48 | М8-6gx30.66 | Болт М8-6gx30.66 | |
| 50 | 04.50.105-2 | Прокладка | |
| 51 | М04.50.029 | Бензобак в сборе | |
| 52 | 8.65Г05 | Шайба 8 65Г | |
| 53 | М8-6Н.6.016 | Гайка М8-6Н.6.016 | |
| 54 | МТ4.50.005 | Кран | |
| 55 | 04.50.114-1 | Бензопровод | |
| 56 | МТ4.50.112 | Кронштейн оболочки | |
| 57 | МТ4.50.013 | Переходник краника | |
| 58 | 16-006 | Прокладка | |
| 59 | Кр12Д-1305000 | Кран | |
| 60 | М04.50.047А | Рычаг краника | |
| 62 | М4-6gx8.58.016 | Винт М4-6gx8.58.016 |
Содержащиеся в справочниках-каталогах запасные части и детали не предлагаются к продаже, а носят исключительно информационный характер