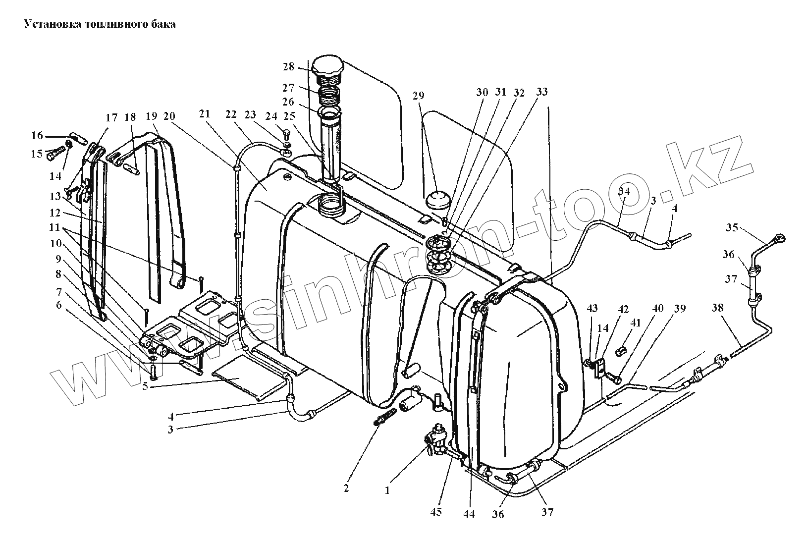
Каталог запасных частей к технике: АТЗ Т-4А, Т-4.02. Установка топливного бака
1
2
3
3
4
4
5
6
7
8
10
11
12
13
14
14
16
17
18
19
20
21
22
23
24
25
26
27
28
29
30
31
32
33
34
35
36
36
37
37
38
39
40
41
42
43
44
45
| Позиция на иллюстрации | Заводской номер детали | Название детали | |
|---|---|---|---|
| М04.50.001-4 | М04.50.001-4 | Установка топливных баков и топливопроводов | |
| 1 | Кр25-1013000 | Кран | |
| 2 | 76Т-25-033 | Штуцер | |
| 3 | М04.50.144 | Шланг соединительный | |
| 4 | М04.50.204 | Хомут | |
| 5 | М04.50.157-1 | Подкладка | |
| 6 | М16-6gx40.88.35.016 | Болт М16-6gx40.88.35.016 | |
| 7 | М04.50.164-1 | Палец | |
| 8 | 16ОТ.65Г.06 | Шайба 16 65Г | |
| 10 | М04.50.152-2 | Кронштейн | |
| 11 | 3,2x20.019 | Шплинт 3,2x20 | |
| 12 | М04.50.162-1 | Прокладка | |
| 13 | М04.50.048 | Лента задняя левая | |
| 14 | 1265Г | Шайба 12 65Г | |
| 14 | 1265Г | Шайба 12 65Г | |
| 16 | М04.50.163 | Палец | |
| 17 | М04.45.082 | Винт упора с гайкой в сборе | |
| 18 | М04.50.166 | Палец | |
| 19 | М04.50.040-2 | Лента передняя | |
| 20 | М04.50.215 | Прокладка | |
| 21 | М04.50.021-А | Корпус топливного бака | |
| 22 | М04.50.022 | Топливопровод | |
| 23 | М04.50.143 | Шайба | |
| 24 | М04.50.141 | Болт поворотного угольника | |
| 25 | М04.50.113 | Линейка мерная | |
| 26 | М04.50.037А | Фильтр | |
| 27 | М04.50.174 | Пружина | |
| 28 | М04.50.013 | Крышка | |
| 29 | М04.50.135 | Колпак | |
| 30 | М5-6gx12.58.019 | Винт М5-6gx12.58.016 | |
| 31 | 565Г019 | Шайба 5 65Г | |
| 32 | 56.3827010 | Датчик указателя уровня топлива | |
| 33 | МТ4.50.106 | Прокладка | |
| 34 | М04.50.145 | Трубка | |
| 35 | М04.50.056 | Трубка | |
| 36 | Т4.50.024 | Хомут | |
| 37 | Т4.50.146 | Шланг | |
| 38 | М04.50.206 | Трубка | |
| 39 | М04.50.205 | Трубка | |
| 40 | М12-6gx25.88.35.016 | Болт М12-6gx25.88.35.016 | |
| 41 | 54.15А.106 | Прокладка | |
| 42 | 54.15А.107 | Хомутик | |
| 43 | М12-6Н.6.016 | Гайка М12-6Н.6.016 | |
| 44 | М04.50.049 | Лента задняя правая | |
| 45 | М04.50.052 | Трубка |
Содержащиеся в справочниках-каталогах запасные части и детали не предлагаются к продаже, а носят исключительно информационный характер