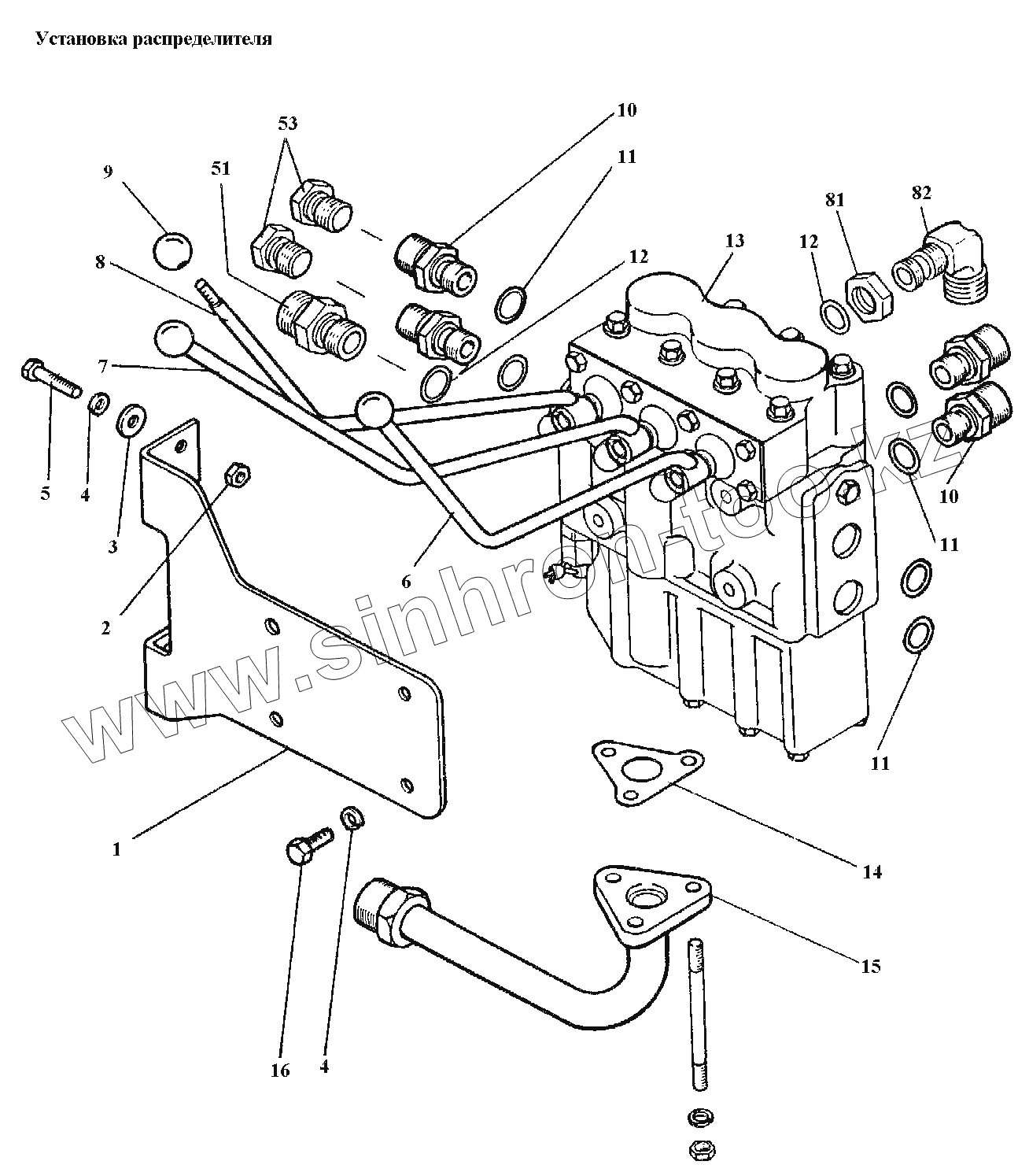
Каталог запасных частей к технике: АТЗ Т-4А, Т-4.02. Установка распределителя
1
3
4
4
5
6
6
7
7
8
8
9
10
10
11
11
11
12
12
13
14
15
16
51
53
81
82
| Позиция на иллюстрации | Заводской номер детали | Название детали | |
|---|---|---|---|
| 04.53.001-2 | 04.53.001-2 | Установка распределителя | |
| 1 | 04.53.102 | Кронштейн крепления распределителя | |
| 3 | 10.01-8КП.019 | Шайба 10.01 | |
| 4 | 10ОТ65Г | Шайба 10 ОТ 65Г | |
| 4 | 10ОТ65Г | Шайба 10 ОТ 65Г | |
| 5 | М10-6gx35.88.35.016 | Болт М10-6gx35.88.35.016 | |
| 6 | 04.53.103-3 | Рычаг правый | |
| 6 | 402.53.103 | Рычаг правый | |
| 7 | 04.53.104-3 | Рычаг средний | |
| 7 | 402.53.104 | Рычаг средний | |
| 8 | 04.53.105-3 | Рычаг левый | |
| 8 | 402.53.105 | Рычаг левый | |
| 9 | А13.03.000А | Рукоятка управления | |
| 10 | Н.036.04.004 | Штуцер ввертной | |
| 11 | Г48-70-111 | Кольцо уплотнительное | |
| 12 | Т4.37.182 | Кольцо | |
| 13 | Р80-3/1-221 | Гидрораспределитель Р80-3/1-221 | |
| 14 | 54.53.402 | Прокладка | |
| 15 | М04.53.006-1 | Труба с фланцем и штуцером в сборе | |
| 16 | М10-6gx18.88.35.019 | Болт М10-6gx18.88.35.019 | |
| 51 | Н.036.04.011 | Штуцер ввертной | |
| 53 | Р75-066 | Заглушка | |
| 81 | Н.036.23.022 | Контргайка | |
| 82 | М04.59.102-01 | Корпус замедлительного клапана |
Содержащиеся в справочниках-каталогах запасные части и детали не предлагаются к продаже, а носят исключительно информационный характер