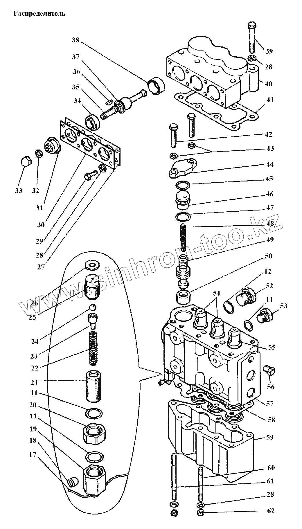
Каталог запасных частей к технике: АТЗ Т-4А, Т-4.02. Распределитель
11
11
11
12
18
19
20
21
22
23
25
26
27
28
28
28
29
30
31
32
33
34
35
36
37
38
39
40
41
42
43
44
45
46
47
48
49
50
52
53
54
55
56
57
58
59
60
61
| Позиция на иллюстрации | Заводской номер детали | Название детали | |
|---|---|---|---|
| 11 | Г48-70-111 | Кольцо уплотнительное | |
| 12 | Т4.37.182 | Кольцо | |
| 18 | Р40/75-08.08.076 | Пломба | |
| 19 | Р75-051Б | Колпачок | |
| 20 | Р75-058Б | Гайка | |
| 21 | Р80-049 | Винт регулировочный | |
| 22 | Р40/75-08.08.048Б | Пружина предохранительного клапана | |
| 23 | Р80-23.20.059 | Направляющая предохранительного клапана | |
| 25 | Р80-23.20.063 | Гнездо предохранительного клапана | |
| 26 | Р75-В-028А | Шайба уплотнительная | |
| 27 | Р75-3-057 | Пластина колец | |
| 28 | 8Т65Г06 | Шайба 8 Т 65Г | |
| 28 | 8Т65Г06 | Шайба 8 Т 65Г | |
| 28 | 8Т65Г06 | Шайба 8 Т 65Г | |
| 29 | М8-6gx20.88.35.016 | Болт М8-6gx20.88.35.016 | |
| 30 | Р75-3-055Б | Пластина пыльника | |
| 31 | Р75-056М | Пыльник | |
| 32 | 1265Г | Шайба 12 65Г | |
| 33 | Р75-061 | Гайка | |
| 34 | Р80-23.20.065 | Кольцо верхнее | |
| 35 | Р75-054Б | Рычаг | |
| 36 | 4598240257 | Шпонка 3x6,5 | |
| 37 | НШ46-0505037 | Кольцо уплотннтельное | |
| 38 | Р80-23.20.064 | Кольцо нижнее | |
| 39 | М8-6gx55.88.35.019 | Болт М8-6gx55.88.35.019 | |
| 40 | Р80-23.20.122 | Крышка верхняя | |
| 41 | Р75-3-038 | Прокладка верхняя | |
| 42 | М10-6gx25.88.35.019 | Болт М10-6gx25.88.35.019 | |
| 43 | 1065Г | Шайба 10 65Г | |
| 44 | Р80-23.20.071 | Упор | |
| 45 | Р75-077 | Кольцо У-35х30-2 ГОСТ 9833-61 | |
| 46 | Р80-23.20.073 | Направляющая клапана | |
| 47 | 025-030-30-2-3 | Кольцо 025-030-30-2-3 | |
| 48 | Р75-072 | Пружина перепускного клапана | |
| 49 | Р80-23.20.041 | Клапан перепускной | |
| 50 | Р80-23.20.043 | Гнездо клапана | |
| 52 | Р75-067 | Заглушка | |
| 53 | Р75-066 | Заглушка | |
| 54 | Р80-23.20.030 | Золотник | |
| 55 | Р80-13.20.030 | Золотник | |
| 56 | Р75-ВЗА-078А | Пробка КГ 1/4 | |
| 57 | Р80-23.20.021 | Корпус гидрораспределителя | |
| 58 | Р40/75-0808.039А | Прокладка нижняя | |
| 59 | Р75-3-023 | Крышка нижняя | |
| 60 | Р75-079 | Шпилька | |
| 61 | Р75-080 | Шпилька |
Содержащиеся в справочниках-каталогах запасные части и детали не предлагаются к продаже, а носят исключительно информационный характер