Каталог запасных частей к технике: АТЗ Т-4А, Т-4.02. Радиатор водяной
1
2
3
4
6
7
7
7
7
8
9
9
9
9
10
10
11
11
11
11
11
11
11
11
12
12
12
12
12
12
12
12
13
14
14
15
16
17
18
19
19
20
20
21
22
23
24
25
25
26
26
27
27
28
29
30
31
31
32
32
33
34
35
36
37
38
39
41
42
43
44
45
46
47
48
49
50
52
53
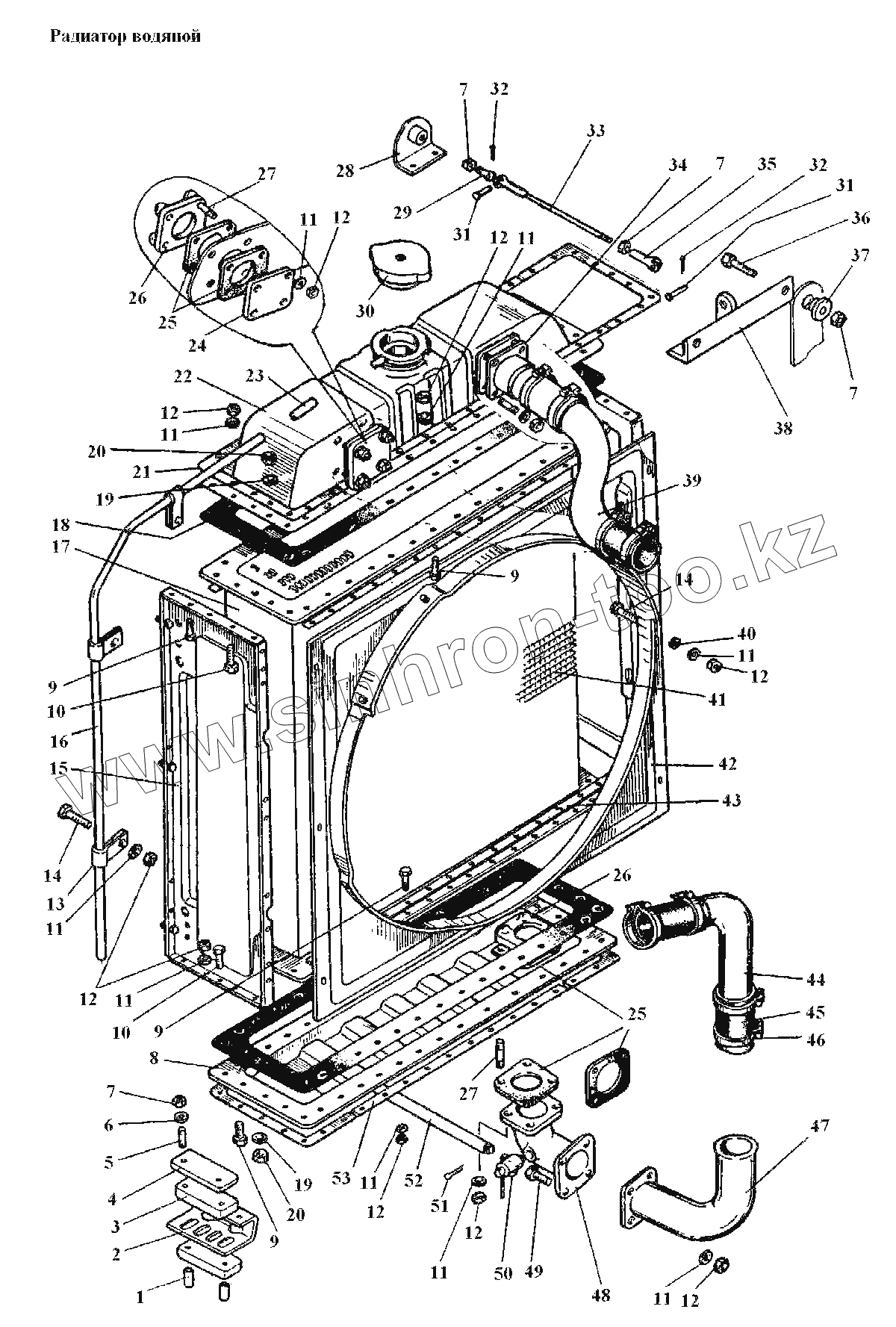
| Позиция на иллюстрации | Заводской номер детали | Название детали | |
|---|---|---|---|
| 402.13.001 | 402.13.001 | Установка водяного радиатора | |
| 1 | М04.13.169 | Втулка | |
| 2 | 150У.13.101 | Опора | |
| 3 | М04.13.171 | Подушка | |
| 4 | М04.13.170 | Накладка | |
| 6 | 12ОТ65Г | Шайба 12 ОТ 65Г | |
| 7 | М12-6Н.5.016 | Гайка М12-6Н.5.016 | |
| 7 | М12-6Н.5.016 | Гайка М12-6Н.5.016 | |
| 7 | М12-6Н.5.016 | Гайка М12-6Н.5.016 | |
| 7 | М12-6Н.5.016 | Гайка М12-6Н.5.016 | |
| 8 | 160У.13.045 | Бак радиатора нижний | |
| 9 | М8-6gx25.56 | Болт М8-6gx25.88.019 | |
| 9 | М8-6gx25.56 | Болт М8-6gx25.88.019 | |
| 9 | М8-6gx25.56 | Болт М8-6gx25.88.019 | |
| 9 | М8-6gx25.56 | Болт М8-6gx25.88.019 | |
| 10 | М10-6gx25.88.35 | Болт М10-6gx25.88.019 | |
| 10 | М10-6gx25.88.35 | Болт М10-6gx25.88.019 | |
| 11 | 8.65Г05 | Шайба 8 65Г | |
| 11 | 8.65Г05 | Шайба 8 65Г | |
| 11 | 8.65Г.05 | Шайба 8 65Г | |
| 11 | 8.65Г.05 | Шайба 8 65Г | |
| 11 | 8.65Г.05 | Шайба 8 65Г | |
| 11 | 8.65Г.05 | Шайба 8 65Г | |
| 11 | 8.65Г.05 | Шайба 8 65Г | |
| 11 | 8.65Г.05 | Шайба 8 65Г | |
| 12 | М8-6Н.6.019 | Гайка М8-6Н.6.019 | |
| 12 | М8-6Н.6.019 | Гайка М8-6Н.6.019 | |
| 12 | М8-6Н.6.019 | Гайка М8-6Н.6.019 | |
| 12 | М8-6Н.6.019 | Гайка М8-6Н.6.019 | |
| 12 | М8-6Н.6.019 | Гайка М8-6Н.6.019 | |
| 12 | М8-6Н.6.019 | Гайка М8-6Н.6.019 | |
| 12 | М8-6Н.6.019 | Гайка М8-6Н.6.019 | |
| 12 | М8-6Н.6.019 | Гайка М8-6Н.6.019 | |
| 13 | 150У.13.237 | Скоба | |
| 14 | М8-6gx18.88 | Болт М8-6gx18.88.019 | |
| 14 | М8-6gx18.88 | Болт М8-6gx18.88.019 | |
| 15 | 150У.13.139-3 | Стойка радиатора | |
| 16 | 150У.13.309-2 | Трубка пароотводящая | |
| 17 | 150У.13.100 | Радиатор водяной | |
| 18 | 150У.13.236 | Прокладка | |
| 19 | 1065Г019 | Шайба 10 65Г 019 | |
| 19 | 1065Г019 | Шайба 10 65Г 019 | |
| 20 | М10-6Н.6 | Гайка М10-6Н.6 | |
| 20 | М10-6Н.6 | Гайка М10-6Н.6 | |
| 21 | 150У.13.234 | Накладка угловая | |
| 22 | 150У.13.030-4 | Бак радиатора верхний | |
| 23 | 65-13-40-10 | Рукав-деталь | |
| 24 | 85У.13.313 | Заглушка | |
| 25 | М04У.13.133 | Прокладка | |
| 26 | М04У.13.109-1 | Фланец | |
| 27 | М8-6gx25.66.019 | Шпилька М8-6gx25.66.019 | |
| 27 | М8-6gx25.66.019 | Шпилька М8-6gx25.66.019 | |
| 28 | 150У.13.110А | Кронштейн | |
| 29 | М04.13.127-2 | Проушина | |
| 30 | А21.01.270-1 | Пробка | |
| 31 | Т4.40.106 | Ось | |
| 32 | 3,2x20.019 | Шплинт 3,2x20 | |
| 32 | 3,2x20.019 | Шплинт 3,2x20 | |
| 33 | МТ4.13.130 | Тяга | |
| 34 | М04У.13.107 | Патрубок верхнего бака | |
| 35 | А40-17-1 | Вилка | |
| 36 | М12-6gx25.88.35.016 | Болт М12-6gx25.88.35.016 | |
| 37 | МТ4.13.132 | Гайка специальная | |
| 38 | МТ4.13.033 | Кронштейн | |
| 39 | 402.13.105 | Патрубок переходной верхний | |
| 41 | 150У.13.020 | Сердцевина радиатора | |
| 42 | 402.13.009 | Кожух вентилятора | |
| 43 | 150У.13.232 | Накладка внутренняя | |
| 44 | 402.13.106 | Труба переходная | |
| 45 | М04.13.160 | Муфта | |
| 46 | М04.13.035 | Хомут стяжной | |
| 47 | 402.13.104 | Патрубок соединительный | |
| 48 | 402.13.103 | Патрубок нижний | |
| 49 | М8-6gx35.66 | Болт М8-6gx35.88.016 | |
| 50 | ПС10 | Кран | |
| 52 | М04.13.181 | Трубка | |
| 53 | 150У.13.233 | Накладка наружная |
Содержащиеся в справочниках-каталогах запасные части и детали не предлагаются к продаже, а носят исключительно информационный характер