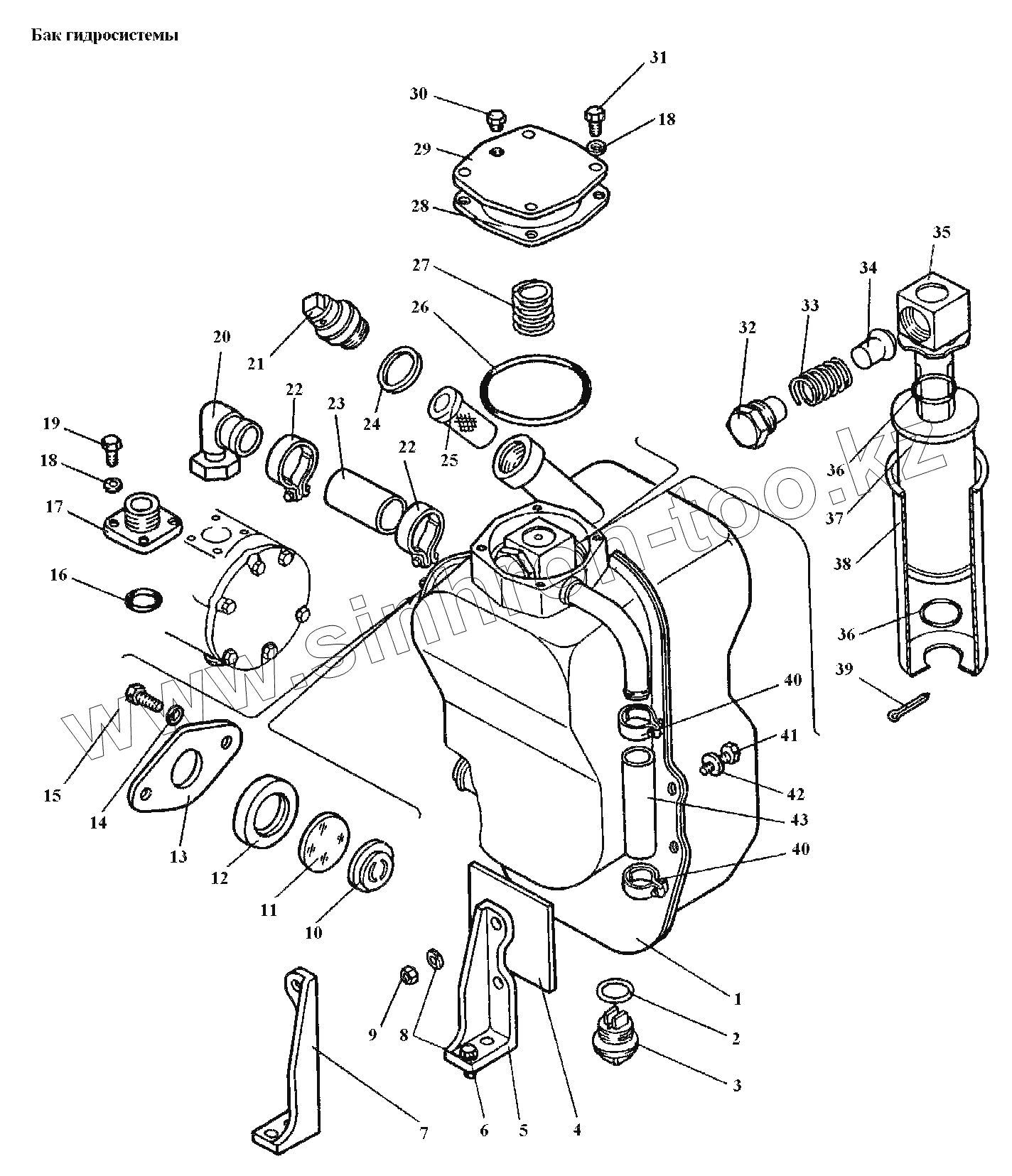
Каталог запасных частей к технике: АТЗ Т-4А, Т-4.02. Бак гидросистемы
1
2
3
4
5
6
7
9
10
11
12
13
14
15
16
17
18
18
19
20
21
22
22
23
24
25
26
27
28
29
30
31
32
33
34
35
36
36
37
38
39
40
40
41
43
| Позиция на иллюстрации | Заводской номер детали | Название детали | |
|---|---|---|---|
| М04.57.001-2 | М04.57.001-2 | Установка бака гидросистемы | |
| 1 | М04.57.003-5 | Корпус бака | |
| 2 | 54.38.643 | Кольцо уплотняющее | |
| 3 | 54.38.028-2 | Пробка магнитная | |
| 4 | М04.57.120 | Прокладка | |
| 5 | М04.57.109 | Кронштейн задний | |
| 6 | М12-6gx30.88.35.016 | Болт М12-6gx30.88.35.016 | |
| 7 | М04.57.112 | Кронштейн передний | |
| 9 | М12-6Н.5.016 | Гайка М12-6Н.5.016 | |
| 10 | А70.02.002 | Отражатель | |
| 11 | А70.02.001 | Стекло | |
| 12 | А70.02.003 | Манжета | |
| 13 | П4.57.165 | Крышка | |
| 14 | 8.65Г05 | Шайба 8 65Г | |
| 15 | М8-6gx14.88 | Болт М8-6gx14.88.35.016 | |
| 16 | Г48-70-109 | Кольцо уплотнительное | |
| 17 | М04.57.157-1 | Муфта прямая | |
| 18 | 10ОТ65Г | Шайба 10 ОТ 65Г | |
| 18 | 10ОТ65Г | Шайба 10 ОТ 65Г | |
| 19 | М10-6gx25.88.35.016 | Болт М10-6gx25.88.35.016 | |
| 20 | М04.57.007 | Угольник с гайкой соединительной и ниппелем в сборе | |
| 21 | 04.57.014А | Сапун | |
| 22 | М04.07.027 | Хомутик стяжной | |
| 23 | М04.57.108 | Рукав МРТУ-6-07-6016-63 | |
| 24 | 04.57.125А | Прокладка сапуна | |
| 25 | Т4.40.063 | Фильтр заливной в сборе | |
| 26 | П4.57.153 | Кольцо | |
| 27 | МТ4.57.196 | Пружина | |
| 28 | М04.57.163 | Прокладка | |
| 29 | М04.57.164 | Крышка | |
| 30 | КГ1/8 | Пробка КГ 1/8 | |
| 31 | М10-6gx20.88.35.016 | Болт М10-6gx20.88.35.016 | |
| 32 | МТ4.57.185 | Направляющая клапана | |
| 33 | МТ4.57.187 | Пружина | |
| 34 | МТ4.57.186 | Клапан | |
| 35 | МТ4.57.025 | Труба фильтра | |
| 36 | МТ4.57.184 | Кольцо | |
| 37 | 761-00-00-00 | Элемент фильтрующий | |
| 38 | МТ4.57.026 | Корпус фильтра | |
| 39 | 5x50.019 | Шплинт 5x50 | |
| 40 | М04.57.027 | Хомутик стяжной | |
| 41 | М12-6gx35.88.35.016 | Болт М12-6gx35.88.35.016 | |
| 43 | 04.57.121 | Шланг |
Содержащиеся в справочниках-каталогах запасные части и детали не предлагаются к продаже, а носят исключительно информационный характер