Каталог запасных частей к технике: АТЗ Т-4А. Задний мост
1
1
1
2
2
3
3
4
4
5
6
6
7
7
8
9
9
10
10
10
11
11
11
12
12
13
13
13
14
14
14
14
15
15
15
16
16
16
16
17
18
19
20
21
22
23
24
25
26
27
28
29
30
31
32
32
33
34
35
35
36
36
37
37
38
38
39
39
40
40
41
42
43
43
44
45
46
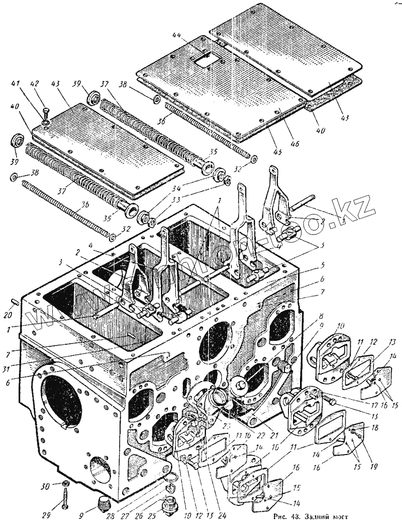
| Позиция на иллюстрации | Заводской номер детали | Название детали | |
|---|---|---|---|
| 04.38.001 | 04.38.001 | Задний мост в сборе | |
| 04.38.175 | 04.38.175 | Заглушка | |
| 04.38.173-1 | 04.38.173-1 | Труба направляющая | |
| 54.38.028-2 | 54.38.028-2 | Пробка магнитная | |
| 04.38-007-2 | 04.38-007-2 | Крышка в сборе | |
| 04.38.009-1 | 04.38.009-1 | Крышка центральная заднего моста с гайкой в сборе | |
| 1 | 04.38.158 | Ось проушины сбегающей ветви | |
| 2 | 04.38.156-1 | Рычаг остановочного тормоза | |
| 3 | 04.38.150 | Ось | |
| 4 | 04.38.154 | Рычаг тормоза солнечной шестерня | |
| 5 | 04.38.101-3 | Корпус заднего моста | |
| 6 | Шплинт 2х12 ГОСТ 397-66 | Шплинт 2х12 ГОСТ 397-66 | |
| 7 | 04.38.168 | Штифт | |
| 8 | 04.38.163 | Пробка | |
| 9 | Пробка КГ 1.1/4" ГОСТ 12719-67 | Пробка КГ 1.1/4" ГОСТ 12719-67 | |
| 10 | 04.38.157-2 | Кронштейн управления тормозами | |
| 11 | 04.38.151-1 | Прокладка | |
| 12 | 04.38.205 | Пластина замковая | |
| 13 | Болт М14.2х35.58 ГОСТ 7796-70 | Болт М14.2х35.58 ГОСТ 7796-70 | |
| 14 | 04.38.160-2 | Пластина стопорная | |
| 15 | Заклепка 6х14 ГОСТ 10299-62 | Заклепка 6х14 ГОСТ 10299-62 | |
| 16 | 04.38.159-2 | Крышка | |
| 17 | Шайба 14ОТ 65Г ГОСТ 6402-70 | Шайба 14ОТ 65Г ГОСТ 6402-70 | |
| 18 | Шайба 8Н 65Г ГОСТ 6402-70 | Шайба 8Н 65Г ГОСТ 6402-70 | |
| 19 | Болт М8.2х16.58 ГОСТ 7796-70 | Болт М8.2х16.58 ГОСТ 7796-70 | |
| 20 | Штифт 12Пр2/2ах30 ГОСТ 3128-60 | Штифт 12Пр2/2ах30 ГОСТ 3128-60 | |
| 21 | 04.38.149 | Прокладка | |
| 22 | 04.38.165 | Патрубок для заливки масла | |
| 23 | 04.38.164 | Прокладка | |
| 24 | Пробка КГ 3/8" ГОСТ 12720-67 | Пробка КГ 3/8" ГОСТ 12720-67 | |
| 25 | 54.38.601-1 | Пробка с держателями | |
| 26 | Проволока диаметр 3х36 ГОСТ 3282-46 | Проволока диаметр 3х36 ГОСТ 3282-46 | |
| 27 | 54.38.602 | Магнит | |
| 28 | 54.38.643 | Кольцо уплотняющее | |
| 29 | 04.41.185 | Винт установочный | |
| 30 | Гайка М12х1,25.2а.5 ГОСТ 5915-70 | Гайка М12х1,25.2а.5 ГОСТ 5915-70 | |
| 31 | 04.37.109 | Пружина | |
| 32 | Шайба 12 ГОСТ 11371-68 | Шайба 12 ГОСТ 11371-68 | |
| 33 | Гайка М24х2.2а.А.6 ГОСТ 5929-70 | Гайка М24х2.2а.А.6 ГОСТ 5929-70 | |
| 34 | 04.38.177-1 | Гайка регулировочная | |
| 35 | 04.38.025 | Труба направляющая в сборе | |
| 36 | 04.38.153 | Пружина остановочного тормоза | |
| 37 | 04.38.142 | Пружина тормоза солнечной шестерни | |
| 38 | 04.38.179 | Шайба упорная | |
| 39 | 04.38.176-1 | Втулка направляющая | |
| 40 | 04.38.186 | Прокладка | |
| 41 | Шайба 12Н 65Г ГОСТ 6402-70 | Шайба 12Н 65Г ГОСТ 6402-70 | |
| 42 | Болт М12.2х25.88.35 ГОСТ 7796-70 | Болт М12.2х25.88.35 ГОСТ 7796-70 | |
| 43 | 04.38.185 | Крышка заднего моста боковая | |
| 44 | Гайка М12.5 ГОСТ 5915-70 | Гайка М12.5 ГОСТ 5915-70 | |
| 45 | 04.38.137 | Прокладка | |
| 46 | 04.38.136-2 | Крышка заднего моста центральная |
Содержащиеся в справочниках-каталогах запасные части и детали не предлагаются к продаже, а носят исключительно информационный характер