Каталог запасных частей к технике: АТЗ Т-4А. Топливные баки
1
2
3
4
5
6
7
8
8
9
9
10
10
10
11
11
11
12
12
13
13
13
14
14
15
15
16
17
17
18
19
20
20
20
21
22
23
24
25
26
27
28
29
30
31
32
33
34
35
36
37
38
39
40
41
42
43
44
45
46
47
48
48
48
48
49
49
50
51
52
52
52
53
53
53
54
54
54
54
55
56
57
58
59
60
60
61
62
63
64
65
66
66
67
68
69
70
71
72
73
74
75
76
77
78
79
80
81
82
83
84
85
86
87
88
89
90
91
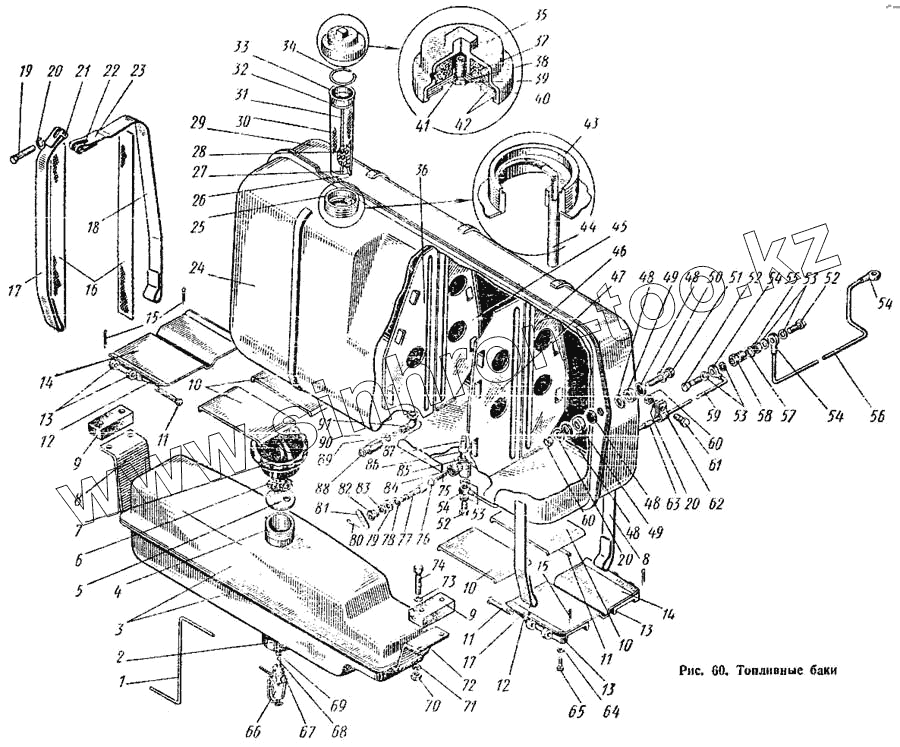
| Позиция на иллюстрации | Заводской номер детали | Название детали | |
|---|---|---|---|
| М04.50.029 | М04.50.029 | Бензобак в сборе | |
| М04.50.042 | М04.50.042 | Втулка с шайбой в сборе | |
| 54.50.024 | 54.50.024 | Горловина бака с направляющей щупа в сборе | |
| 54.50.033 | 54.50.033 | Каркас фильтра в сборе | |
| М04.50.021-1 | М04.50.021-1 | Корпус топливного бака в сборе | |
| 74.50.039 | 74.50.039 | Краник топливный | |
| М04.50.038-1 | М04.50.038-1 | Кронштейн левый в сборе | |
| М04.50.039-1 | М04.50.039-1 | Кронштейн правый в сборе | |
| 54.50.022-1 | 54.50.022-1 | Крышка в сборе | |
| М04.50.040-1 | М04.50.040-1 | Лента передняя с петлей в сборе | |
| 54.50.045АТ | 54.50.045АТ | Пробка бензинового бачка в сборе | |
| А17-С/3 | А17-С/3 | Сетка-фильтр на переходном штуцере | |
| М04.50.025П | М04.50.025П | Топливопровод задний с угольником поворотным в сборе | |
| 04.50.026-4 | 04.50.026-4 | Топливопровод передний | |
| М04.50.028 | М04.50.028 | Установка бензобака | |
| М04.50.001-1 | М04.50.001-1 | Установка топливного бака | |
| М04.50.002П | М04.50.002П | Установка топливопроводов дизельного топлива | |
| 54.50.023А | 54.50.023А | Фильтр в сборе | |
| 1 | 04.50.114-1 | Бензопровод | |
| 2 | 54.50.451-1 | Сборник | |
| 3 | 54.50.429-1 | Половины бензинового бачка верхняя и нижняя | |
| 4 | М04.50.169 | Горловина | |
| 5 | 54.50.499АТ | Прокладка крышки бачка | |
| 6 | 54.50.500 | Фильтрующая набивка | |
| 7 | 54.50.498АТ | Крышка горловины бензинового бачка | |
| 8 | М04.50.168 | Кронштейн задний | |
| 9 | 04.50.105 | Прокладка | |
| 10 | М04.50.157-1 | Подкладка | |
| 11 | М04.50.164 | Ось | |
| 12 | М04.50.175 | Ребро | |
| 13 | М04.50.152-1 | Опора | |
| 14 | М04.50.151-1 | Пластина | |
| 15 | Шплинт 3,2х20 ГОСТ 397-66 | Шплинт 3,2х20 ГОСТ 397-66 | |
| 16 | М04.50.162-1 | Прокладка | |
| 17 | М04.50.155 | Лента задняя | |
| 18 | М04.50.156-1 | Лента передняя | |
| 19 | Бслт М12.2х90.58 ГОСТ 7795-70 | Бслт М12.2х90.58 ГОСТ 7795-70 | |
| 20 | Шайба 12Н 65Г ГОСТ 6402-70 | Шайба 12Н 65Г ГОСТ 6402-70 | |
| 21 | М04.50.163 | Палец | |
| 22 | М04.50.166 | Палец | |
| 23 | М04.50.125-2 | Петля | |
| 24 | М04.50.102-3 | Половина корпуса топливного бака задняя | |
| 25 | 04.50.113 | Линейка топливного бака мерная | |
| 26 | 54.50.601 | Полоса фильтра | |
| 27 | 54.50.420 | Дно фильтра | |
| 28 | 54.50.422 | Каркас сетки | |
| 29 | М04.50.101-3 | Половина корпуса топливного бака передняя | |
| 30 | 54.50.423А | Сетка-фильтра | |
| 31 | 54.50.602 | Полоса фильтра | |
| 32 | 54.50.603 | Полоса фильтра | |
| 33 | 54.50.421 | Ободок фильтра | |
| 34 | 54.50.401 | Кольцо пружинное горловины бака | |
| 35 | 54.50.419-1 | Крышка горловины топливного бака | |
| 36 | М04.50.173-1 | Перегородка центральная задняя | |
| 37 | 54.50.412-1 | Набивка фильтрующая | |
| 38 | 54.50.415 | Шайба | |
| 39 | 54.50.414 | Прокладка шайбы | |
| 40 | 54.50.418 | шайба опорная | |
| 41 | 54.50.416-2 | Болт | |
| 42 | 54.50.417 | Прокладка заливной горловины | |
| 43 | 54.50.424-1 | Горловина бака | |
| 44 | 54.50.425 | Направляющая щупа | |
| 45 | М04.50.191 | Перегородка центральная передняя | |
| 46 | М04.50.116-2 | Перегородка передняя | |
| 47 | М04.50.154-1 | Перегородка задняя | |
| 48 | 54.50.441 | Шайба | |
| 49 | 54.50.438 | Прокладка | |
| 50 | Шайба 12 ГОСТ 11371-68 | Шайба 12 ГОСТ 11371-68 | |
| 51 | Болт М12.2х80.88.40 ГОСТ 7795-70 | Болт М12.2х80.88.40 ГОСТ 7795-70 | |
| 52 | 16-110 | Болт поворотного угольника | |
| 53 | 10-006 | Прокладка | |
| 54 | 54.15.416 | Поворотный угольник | |
| 55 | Гайка М24х2.2а.А.6 ГОСТ 5929-70 | Гайка М24х2.2а.А.6 ГОСТ 5929-70 | |
| 56 | 04.50.108-4 | Трубка топливопровода переднего | |
| 57 | Шайба 24Н 65Г ГОСТ 6402-70 | Шайба 24Н 65Г ГОСТ 6402-70 | |
| 58 | 04.50.109 | Штуцер | |
| 59 | М04.50.107П | Трубка топливопровода заднего | |
| 60 | Гайка М12.5 ГОСТ 5915-70 | Гайка М12.5 ГОСТ 5915-70 | |
| 61 | Болт М12.2х25.88.35 ГОСТ 7796-70 | Болт М12.2х25.88.35 ГОСТ 7796-70 | |
| 62 | 04.50.111 | Хомутик | |
| 63 | 54.15.437 | Прокладка под хомут | |
| 64 | Шайба 16Н 65Г ГОСТ 6402-70 | Шайба 16Н 65Г ГОСТ 6402-70 | |
| 65 | Болт М16.2х40.88.35 ГОСТ 7796-70 | Болт М16.2х40.88.35 ГОСТ 7796-70 | |
| 66 | М04.50.044 | Кран Кр-12Д в сборе(Фильтр-отстойник ОФ-150В) | |
| 66 | А17-20В | Фильтр-отстойник в сборе | |
| 67 | 05-87А/Н | Штуцер | |
| 68 | 01-147А/Н | Трубка | |
| 69 | А17-36 | Сетка-фильтр топливных кранов | |
| 70 | Гайка М8.5 ГОСТ 5915-70 | Гайка М8.5 ГОСТ 5915-70 | |
| 71 | Шайба 8Н 65Г ГОСТ 6402-70 | Шайба 8Н 65Г ГОСТ 6402-70 | |
| 72 | М04.50.139 | Кронштейн передний | |
| 73 | Шайба 8 ГОСТ 11371-68 | Шайба 8 ГОСТ 11371-68 | |
| 74 | Болт М8.2х45,58 ГОСТ 7795-70 | Болт М8.2х45,58 ГОСТ 7795-70 | |
| 75 | 54.15.442 | Пружина краника | |
| 76 | Шарик Б V 12,303мм Н ГОСТ 3722-60 | Шарик Б V 12,303мм Н ГОСТ 3722-60 | |
| 77 | 54.15.421-3 | Стержень краника | |
| 78 | 54.15.438 | Шайба | |
| 79 | 54.15.440 | Сальник графито-асбестовый | |
| 80 | Шплннт 2х12 ГОСТ 397-66 | Шплннт 2х12 ГОСТ 397-66 | |
| 81 | 54.15.424-1 | Ручка краника | |
| 82 | 54.15.422-1 | Гайка поджимная | |
| 83 | 54.15.439 | Шайба сальника | |
| 84 | 74.50.410 | Корпус краника | |
| 85 | 54.15.446СТ | Прокладка краника | |
| 86 | 54.50.409-1 | Втулка | |
| 87 | М04.50.165 | Трубка | |
| 88 | 54.15.430-1 | Штуцер | |
| 89 | 54.15.431-1 | Шайба специальная | |
| 90 | Шарик Б V 15,081мм Н ГОСТ 3722-60 | Шарик Б V 15,081мм Н ГОСТ 3722-60 | |
| 91 | 54.50.410 | Угольник |
Содержащиеся в справочниках-каталогах запасные части и детали не предлагаются к продаже, а носят исключительно информационный характер