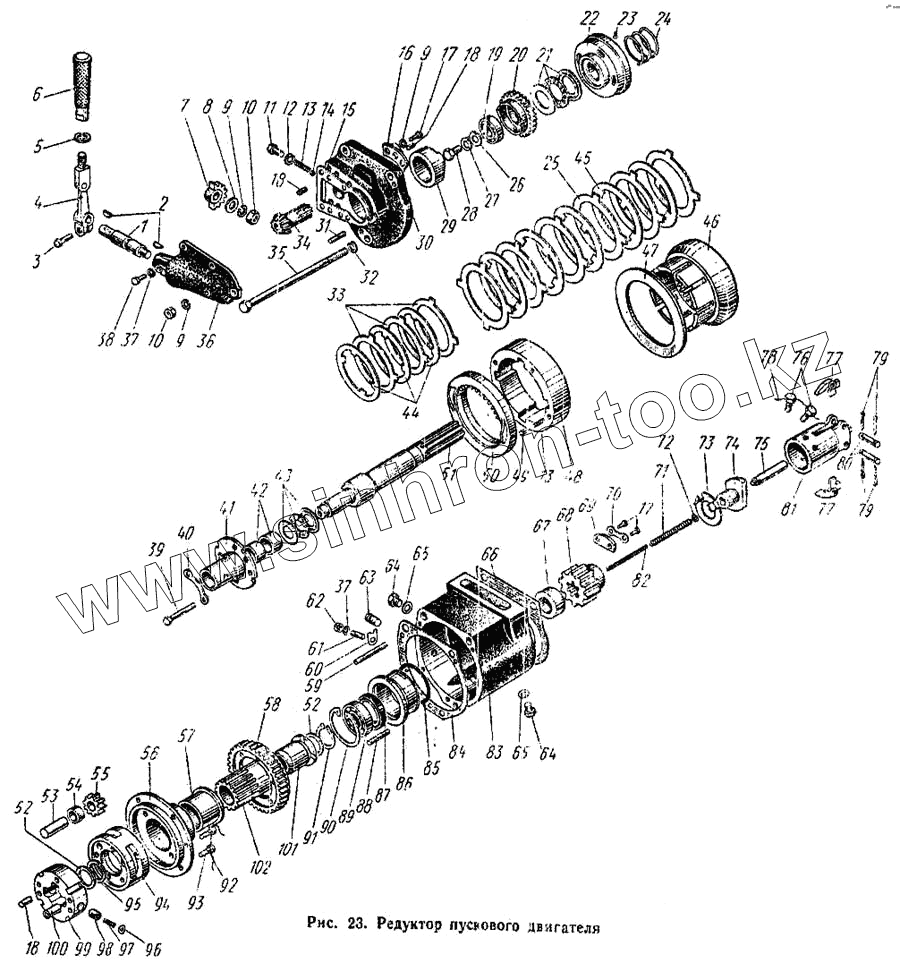
Каталог запасных частей к технике: АТЗ Т-4А. Редуктор пускового двигателя
1
2
3
4
5
6
7
8
9
9
9
10
10
11
12
13
13
14
15
16
17
17
18
18
18
19
20
21
22
23
24
25
26
27
28
29
30
31
32
33
34
35
36
37
37
38
39
40
41
42
43
44
45
46
47
48
49
50
51
52
52
53
54
55
56
57
58
59
60
61
62
63
64
64
65
65
66
67
68
69
70
71
72
73
74
75
76
77
77
78
79
79
80
81
82
83
84
85
86
87
88
89
90
91
92
93
94
95
96
97
98
99
100
101
102
| Позиция на иллюстрации | Заводской номер детали | Название детали | |
|---|---|---|---|
| 6Т3-19с8-2 | 6Т3-19с8-2 | Водило в сборе | |
| СМД8-19с6 | СМД8-19с6 | Держатель в сборе | |
| 6Т2-19с11 | 6Т2-19с11 | Диск нажимной в сборе | |
| 01-19с11 | 01-19с11 | Крышка в сборе | |
| 6Т3-19с10 | 6Т3-19с10 | Крышка в сборе | |
| 03А-19с2 | 03А-19с2 | Редуктор пускового двигателя | |
| 6Т3-19с9-1 | 6Т3-19с9-1 | Сателлит в сборе | |
| 01-19с5-2 | 01-19с5-2 | Ступица в сборе | |
| 6Т3-19с7 | 6Т3-19с7 | Ступица в сборе | |
| 6Т2-1904 | 6Т2-1904 | Шестерня муфты | |
| 01-19с22 | 01-19с22 | Шестерня солнечная в сборе | |
| 1 | 6Т3-1912-1 | Валик включения | |
| 2 | Шпонка сегментная 4х6,5 ГОСТ 8795-68 | Шпонка сегментная 4х6,5 ГОСТ 8795-68 | |
| 3 | Болт М8.2х25.58 ГОСТ 7796-70 | Болт М8.2х25.58 ГОСТ 7796-70 | |
| 4 | 6Т3-1914-1 | Рычаг включения | |
| 5 | шайба 10Н 65 ГОСТ 6402-70 | шайба 10Н 65 ГОСТ 6402-70 | |
| 6 | 6Т3-19с16 | Рукоятка рычага включения | |
| 7 | 6Т3-1913 | Шестерни механизма включения | |
| 8 | Шайба 9х20х2Н 495-66 | Шайба 9х20х2Н 495-66 | |
| 9 | Шайба 8Н 65Г ГОСТ 6402-70 | Шайба 8Н 65Г ГОСТ 6402-70 | |
| 10 | Гайка М8.2.А.6 ГОСТ 2524-70 | Гайка М8.2.А.6 ГОСТ 2524-70 | |
| 11 | 6Т3-1919 | Болт | |
| 12 | Шайба 12Н 65Г ГОСТ 6402-70 | Шайба 12Н 65Г ГОСТ 6402-70 | |
| 13 | 6Т3-1920 | Пружина | |
| 14 | Шарик Б V8мм Р ГОСТ 3722-60 | Шарик Б V8мм Р ГОСТ 3722-60 | |
| 15 | 01-1968 | Прокладка | |
| 16 | 6Т3-1908 | Упор неподвижный | |
| 17 | Болт М8.2х18.58 ГОСТ 7796-70 | Болт М8.2х18.58 ГОСТ 7796-70 | |
| 18 | Штифт 8Пр.1х16 ГОСТ 3128-70 | Штифт 8Пр.1х16 ГОСТ 3128-70 | |
| 19 | Шарикоподшипник 205 ГОСТ 8338-57 | Шарикоподшипник 205 ГОСТ 8338-57 | |
| 20 | 6Т3-1906 | Упор нажимной | |
| 21 | Шарикоподшипник 8109 ГОСТ 6874-54 | Шарикоподшипник 8109 ГОСТ 6874-54 | |
| 22 | 6Т2-1906-1 | Диск нажимной | |
| 23 | СМД2-1927 | Палец | |
| 24 | 6Т2-1937 | Пружина | |
| 25 | 6Т2-1921 | Диск тормозной | |
| 26 | 6Т3-1921 | Шайба | |
| 27 | 6Т3-1922 | Шайба стопорная | |
| 28 | Болт М12.2х30.58 ГОСТ 7796-70 | Болт М12.2х30.58 ГОСТ 7796-70 | |
| 29 | 6Т3-1905 | Упор неподвижный | |
| 30 | 6Т3-1902 | Крышка | |
| 31 | Шпилька М8х18Н 478-66 | Шпилька М8х18Н 478-66 | |
| 32 | Шайба 14Н 65Г ГОСТ 6402-70 | Шайба 14Н 65Г ГОСТ 6402-70 | |
| 33 | 6Т2-1932 | Диск | |
| 34 | 6Т3-1911 | Шестерня | |
| 35 | 6Т2-1943 | Болт | |
| 36 | 01-1903-1 | Крышка механизма включения | |
| 37 | Шайба 6Н 65Г ГОСТ 6402-70 | Шайба 6Н 65Г ГОСТ 6402-70 | |
| 38 | 6Т3-1936 | Винт установочный | |
| 39 | Болт М8.2х45.58 ГОСТ 7795-70 | Болт М8.2х45.58 ГОСТ 7795-70 | |
| 40 | 01-1971 | шайба замковая | |
| 41 | 01-1907-2 | Ступица | |
| 42 | 01-1972 | Втулка | |
| 43 | Шарикоподшипник 8106 ГОСТ 6874-54 | Шарикоподшипник 8106 ГОСТ 6874-54 | |
| 44 | 01-1917 | Диск ведомый | |
| 45 | 6Т2-1934 | Диск ведомый | |
| 46 | 6Т3-1926 | Эпициклическая шестерня | |
| 47 | 6Т3-1927 | Диск упорный | |
| 48 | 6Т3-1928 | Втулка | |
| 49 | 6Т3-1938 | Стержень | |
| 50 | 6Т3-1909 | Упор нажимной | |
| 51 | 6Т3-1910 | Вал редуктора | |
| 52 | 6Т2-1949 | Кольцо регулировочное | |
| 53 | 6Т2-1919 | Палец сателлита | |
| 54 | 6Т2-1918-1 | Втулка сателлита | |
| 55 | 6Т3-1932-1 | Сателлит | |
| 56 | 6Т3-1925 | Ступица | |
| 57 | 6Т3-1937 | Пружина | |
| 58 | 01-19с6 | Шестерни муфты сцепления в сборе | |
| 59 | Шпилька М8х55Н 477-66 | Шпилька М8х55Н 477-66 | |
| 60 | 01-1939 | Пластина | |
| 61 | 6Т3-1935 | Шпилька | |
| 62 | Гайка М6.5 ГОСТ 5915-70 | Гайка М6.5 ГОСТ 5915-70 | |
| 63 | 01-1933 | Палец | |
| 64 | Пробка 1М14х13 кл. 2а Н 519-66 | Пробка 1М14х13 кл. 2а Н 519-66 | |
| 65 | СМД7-1539 | Прокладка | |
| 66 | 6Т3-1924 | Прокладка | |
| 67 | 6Т3-1940 | Втулка | |
| 68 | 03-1919 | Шестерня включения | |
| 69 | 6Т2-1920-1 | Пластина | |
| 70 | 01-19108 | Шайба стопорная | |
| 71 | СМД2-1928 | Пружина толкателя большая | |
| 72 | СМД8-1997 | Шайба | |
| 73 | 14-5953 | Шайба замковая | |
| 74 | 14-1926 | Втулка толкателя | |
| 75 | СМД2-1925-1 | Толкатель | |
| 76 | СМД8-1994 | Болт | |
| 77 | СМД2-1937Б | Груз держателя | |
| 78 | Проволока диаметр 1,2х160 ГОСТ 3282-46 | Проволока диаметр 1,2х160 ГОСТ 3282-46 | |
| 79 | Шплинт 3,2х18-005 ГОСТ 397-66 | Шплинт 3,2х18-005 ГОСТ 397-66 | |
| 80 | СМД2-1933 | Ось груза | |
| 81 | СМД2-1931 | Держатель | |
| 82 | 01-1967 | Пружина толкателя малая | |
| 83 | 01-1901Л | Корпус редуктора | |
| 84 | 6Т3-1923 | Прокладка | |
| 85 | 6Т2-1938-1 | Кольцо уплотнительное | |
| 86 | 4Т6-1908 | Втулка | |
| 87 | Манжета II-55 ОН13-47-56 | Манжета II-55 ОН13-47-56 | |
| 88 | Шпилька М8х22Н 478-66 | Шпилька М8х22Н 478-66 | |
| 89 | Шарикоподшипник 208 ГОСТ 8338-57 | Шарикоподшипник 208 ГОСТ 8338-57 | |
| 90 | Кольцо Б-80 ГОСТ 13943-68 | Кольцо Б-80 ГОСТ 13943-68 | |
| 91 | Кольцо Б-40 ГОСТ 13942-68 | Кольцо Б-40 ГОСТ 13942-68 | |
| 92 | Проволока диаметр 1,2х200 ГОСТ 3282-46 | Проволока диаметр 1,2х200 ГОСТ 3282-46 | |
| 93 | Болт 3М8.2х25.58 ГОСТ 7796-70 | Болт 3М8.2х25.58 ГОСТ 7796-70 | |
| 94 | 01-1931-1 | Водило | |
| 95 | 6Т2-1959 | Кольцо | |
| 96 | 01-1974 | Упор | |
| 97 | 01-1975 | Пружина | |
| 98 | 01-1984-1 | Плунжер | |
| 99 | 01-1908-1 | Корпус обгонной муфты | |
| 100 | Д VI 15х30 ГПН | Д VI 15х30 ГПН | |
| 101 | 6Т2-1911-1 | Втулка | |
| 102 | 01-1930 | Шестерня солнечная |
Содержащиеся в справочниках-каталогах запасные части и детали не предлагаются к продаже, а носят исключительно информационный характер