Каталог запасных частей к технике: АТЗ Т-4А. Пусковой подогреватель
1
2
3
4
5
6
7
8
9
10
11
12
13
14
14
14
14
15
15
15
15
15
16
17
17
18
18
18
19
19
19
20
21
22
23
24
25
26
27
28
29
30
31
32
33
34
35
36
37
38
39
40
40
40
40
40
41
41
41
42
42
43
44
44
45
45
45
46
47
48
49
50
50
50
51
51
52
52
52
53
53
54
54
55
56
57
58
59
60
61
62
63
64
65
66
67
68
69
70
70
71
72
73
74
75
75
76
77
78
79
80
81
82
83
84
85
85
85
86
86
86
87
87
88
89
90
91
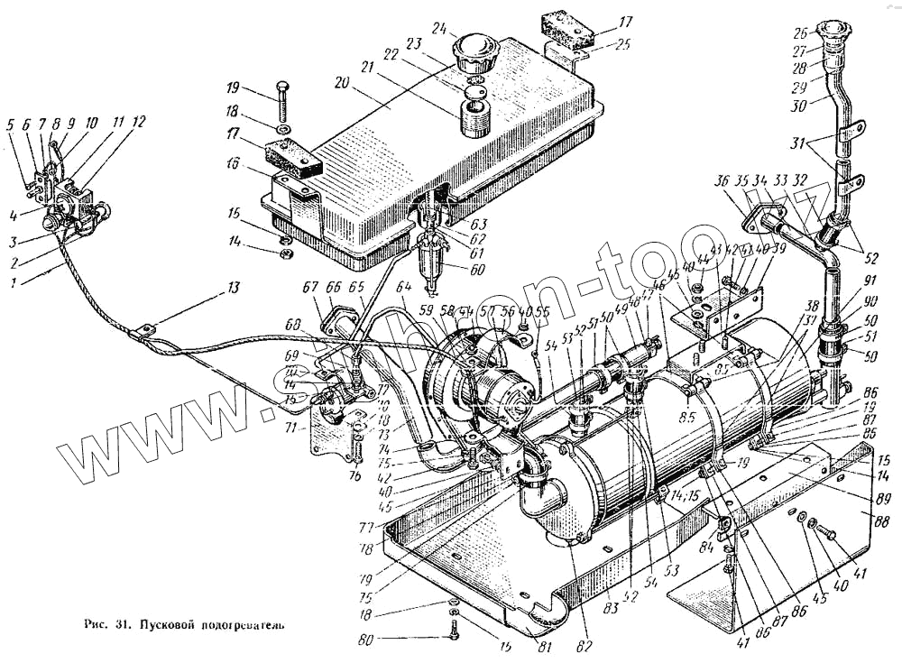
| Позиция на иллюстрации | Заводской номер детали | Название детали | |
|---|---|---|---|
| М04.07.002 | М04.07.002 | Бензиновый бак в сборе | |
| 04.07.019 | 04.07.019 | Горловина заливной трубы с чашкой в сборе | |
| 04.07.006 | 04.07.006 | Кожух поддона двигателя с патрубком в сборе | |
| 04.07.010 | 04.07.010 | Кронштейн подогревателя в сборе | |
| 04.07.003 | 04.07.003 | Кронштейн подогревателя с хомутами в сборе | |
| 75Т-07-сб320 | 75Т-07-сб320 | Левая половина хомута подогревателя с накладкой в сборе | |
| 04.07.013-2 | 04.07.013-2 | Монтаж электрооборудования подогревателя | |
| 04.07.016 | 04.07.016 | Половина коллектора отводного в сборе | |
| 75Т-07-сб321 | 75Т-07-сб321 | Правая половина хомута подогревателя с накладкой в сборе | |
| 54.50.045АТ | 54.50.045АТ | Пробка бензинового бачка в сборе | |
| 04.07.009-1 | 04.07.009-1 | Пусковой подогреватель в сборе | |
| 01.07.018 | 01.07.018 | Топливопровод с гайкой накидной и муфтой шаровой в сборе | |
| М04.07.005 | М04.07.005 | Труба для отвода воды от двигателя в сборе | |
| М04.07.004 | М04.07.004 | Труба заливная с кронштейном в сборе | |
| 04.07.007-3 | 04.07.007-3 | Труба подводная в сборе | |
| 54.23А.055-1 | 54.23А.055-1 | Трубка сливная с муфтой шаровой в сборе | |
| 04.07.008 | 04.07.008 | Угольник щитка с гайкой в сборе | |
| М04.07.001 | М04.07.001 | Установка пускового подогревателя ПЖ-300 | |
| 04.07.020 | 04.07.020 | Хомут крепления вентилятора с опорой в сборе | |
| 1 | 0-1.07.015-1 | Пучок проводов | |
| 2 | 04.07.138 | Провод от переключателя к фонарю | |
| 3 | 75Т-07-сб333 | Фонарь контрольной лампы | |
| 4 | ПЖБ200-1015425 | Переключатель с ручкой | |
| 5 | Винт II М4.2х10.58 ГОСТ 1489-62 | Винт II М4.2х10.58 ГОСТ 1489-62 | |
| 6 | П100-4050 | Выключатель свечи (тип ВН 45М) | |
| 7 | Шайба 4Т 65Г ГОСТ 6402-70 | Шайба 4Т 65Г ГОСТ 6402-70 | |
| 8 | Гайка М4.5 ГОСТ 5927-70 | Гайка М4.5 ГОСТ 5927-70 | |
| 9 | 04.07.017 | Пучок проводов | |
| 10 | 75Т-07-сб316 | Провод от включателя свечи к спирали в сборе | |
| 11 | 0В65-2000 | Контрольная спираль в сборе | |
| 12 | 0В65-2009 | Спираль контрольная | |
| 13 | 04.07.123 | Скоба | |
| 14 | Гайка М8.5 ГОСТ 5915-70 | Гайка М8.5 ГОСТ 5915-70 | |
| 15 | Шайба 8Н 65Г ГОСТ 6402-70 | Шайба 8Н 65Г ГОСТ 6402-70 | |
| 16 | М04.50.168 | Кронштейн задний | |
| 17 | 04.50.105 | Прокладка | |
| 18 | Шайба 8 ГОСТ 11371-68 | Шайба 8 ГОСТ 11371-68 | |
| 19 | Болт М8.2х45.58 ГОСТ 7795-70 | Болт М8.2х45.58 ГОСТ 7795-70 | |
| 20 | 04.07.102-1 | Половина бачка | |
| 21 | М04.50.169 | Горловина | |
| 22 | 54.50.499АТ | Прокладка крышки бачка | |
| 23 | 54.50.500 | Фильтрующая набивка | |
| 24 | 54.50.498АТ | Крышка горловины бензинового бачка | |
| 25 | М04.50.139 | Кронштейн передний | |
| 26 | А50-6-01 | Крышка | |
| 27 | А50-28 | Прокладка | |
| 28 | 04.07.101-1 | Горловина заливной трубы | |
| 29 | 04.07.148 | Чашка | |
| 30 | М04.07.104 | Труба заливная | |
| 31 | 04.07.105 | Кронштейн заливной трубы | |
| 32 | 04.07.131 | Шланг соединительный | |
| 33 | 04.07.107 | Патрубок трубы отвода воды от двигателя | |
| 34 | М04.07.106 | Труба отвода воды от двигателя | |
| 35 | М04.07.147 | Фланец | |
| 36 | М04.07.132 | Прокладка | |
| 37 | 75Т-07-350 | Левая половина хомута подогревателя | |
| 38 | Шплинт 2,5х14 ГОСТ 397-66 | Шплинт 2,5х14 ГОСТ 397-66 | |
| 39 | 04.07.121 | Опора подогревателя | |
| 40 | Шайба 10ОТ 65 ГОСТ 6402-70 | Шайба 10ОТ 65 ГОСТ 6402-70 | |
| 41 | Болт М10.2х20.88.35 ГОСТ 7796-70 | Болт М10.2х20.88.35 ГОСТ 7796-70 | |
| 42 | Болт М10.2х25.88.35 ГОСТ 7796-70 | Болт М10.2х25.88.35 ГОСТ 7796-70 | |
| 43 | 04.07.103 | Плита кронштейна подогревателя | |
| 44 | Гайка М10.5 ГОСТ 5915-70 | Гайка М10.5 ГОСТ 5915-70 | |
| 45 | Шайба 10 ГОСТ 11371-68 | Шайба 10 ГОСТ 11371-68 | |
| 46 | 75Т-07-349 | Планка крепления хомута подогревателя | |
| 47 | 353-1305010А | Краник сливной | |
| 48 | 75Т-07-340 | Бонка | |
| 49 | 75Т-07-304 | Половина трубы отводной левая | |
| 50 | Хомутик 43 | Хомутик 43 | |
| 51 | 75Т-07-333 | Шланг соединительный | |
| 52 | Хомутик 26 | Хомутик 26 | |
| 53 | 75Т-07-305 | Патрубок | |
| 54 | 75Т-07-338 | Шланг соединительный | |
| 55 | 75Т-07-сб318 | Провод | |
| 56 | 04.07.116 | Хомут крепления вентилятора | |
| 57 | 04.07.134 | Прокладка вентилятора | |
| 58 | ПЖБ300Б-1015200 | Вентилятор подогревателя ПЖ-300 в сборе | |
| 59 | 54.48.417 | Скоба | |
| 60 | А17-20В | Фильтр-отстойник в сборе | |
| 61 | А17-С3 | Сетка-фильтр на переходном штуцере | |
| 62 | 54.50.451-1 | Сборник | |
| 63 | А17-36 | Сетка-фильтр топливных кранов | |
| 64 | 04.07.141 | Топливопровод | |
| 65 | 04.07.114-1 | Бензопровод | |
| 66 | 04.07.133-1 | Фланец | |
| 67 | 04.07.132-1 | Прокладка | |
| 68 | 015-3113 | Гайка накидная | |
| 69 | 030-3255 | Муфта шаровая | |
| 70 | 04.07.140-1 | Хомут электромагнитного клапана | |
| 71 | 04.07.117-3 | Кронштейн электромагнитного клапана | |
| 72 | ПЖБ12-1015500 | Электромагнитный клапан в сборе | |
| 73 | 04.07.111-3 | Труба подводная | |
| 74 | 04.07.122-1 | Хомут крепления велтилятора | |
| 75 | Хомутик 51 | Хомутик 51 | |
| 76 | Болт М8.2х25.58 ГОСТ 7796-70 | Болт М8.2х25.58 ГОСТ 7796-70 | |
| 77 | 04.07.128 | Опора хомута крепления вентилятора | |
| 78 | 04.07.146 | Шланг воздухоподводной | |
| 79 | 015-1500 | Свеча накаливания ср. 65А | |
| 80 | Болт М8.2х20.58 ГОСТ 7796-70 | Болт М8.2х20.58 ГОСТ 7796-70 | |
| 81 | 04.07.149 | Патрубок | |
| 82 | 54.23А.531-1 | Трубка сливная | |
| 83 | 04.07.110-1 | Кожух поддона двигателя | |
| 84 | Гайка М10.2.5 ОН 23-01-017-68 | Гайка М10.2.5 ОН 23-01-017-68 | |
| 85 | 75Т-07-348 | Палец | |
| 86 | 75Т-07-352 | Накладка | |
| 87 | 75Т-07-351 | Правая половина хомута подогревателя | |
| 88 | 04.07.109-1 | Щиток | |
| 89 | 04.07.108 | Угольник щитка | |
| 90 | 04.07.142 | Труба переходная | |
| 91 | ПЖБ300Б-1015010 | Котел пускового подогревателя в сборе |
Содержащиеся в справочниках-каталогах запасные части и детали не предлагаются к продаже, а носят исключительно информационный характер