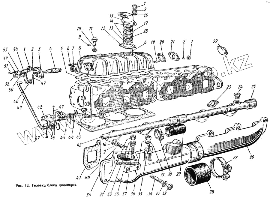
Каталог запасных частей к технике: АТЗ Т-4А. Головка блока цилиндров
1
1
1
2
2
2
2
3
4
5
6
6
7
8
9
10
11
12
13
14
15
16
16
17
18
19
20
21
22
23
24
25
26
27
28
29
30
31
32
32
32
33
33
34
35
36
37
38
39
40
41
42
43
44
45
46
46
47
47
47
48
49
50
51
52
53
54
| Позиция на иллюстрации | Заводской номер детали | Название детали | |
|---|---|---|---|
| 04-06с6-1 | 04-06с6-1 | Колпак головки блока цилиндров передний в сборе | |
| 04-06с7-1 | 04-06с7-1 | Колпак головки блока цилиндров задний в сборе | |
| 41-06с11 | 41-06с11 | Сапун в сборе | |
| 1 | Гайка М8.2.А.6 ГОСТ 2524-70 | Гайка М8.2.А.6 ГОСТ 2524-70 | |
| 2 | Шайба 8Н 65Г ГОСТ 6402-70 | Шайба 8Н 65Г ГОСТ 6402-70 | |
| 3 | СМД7-615 | Корпус декомпрессора | |
| 4 | СМД7-0612 | Ось рукоятки | |
| 5 | 04-0627-1 | Прокладка колпака | |
| 6 | Шпилька М8х22Н 478-66 | Шпилька М8х22Н 478-66 | |
| 7 | Манжета I-I-20 ОН 13-4756 | Манжета I-I-20 ОН 13-4756 | |
| 8 | 04-0664-1А | Колпак головки блока цилиндров | |
| 9 | СМД1-0624 | Кольцо стопорное | |
| 10 | СМД7-0684 | Прокладка | |
| 11 | СМД7-0630 | Гайка крепления колпака | |
| 12 | 41-0667 | Прокладка сапуна | |
| 13 | СМД1-0635 | Кольцо стопорное | |
| 14 | 41-0632 | Диафрагма | |
| 15 | 41-0631 | Корпус сапуна | |
| 16 | Шайба 8.5х16х1,5Н 495-66 | Шайба 8.5х16х1,5Н 495-66 | |
| 17 | СМД1-0633 | Перегородка | |
| 18 | 41-0634 | Набивка сапуна | |
| 19 | Шпилька М8х12-055Н 478-66 | Шпилька М8х12-055Н 478-66 | |
| 20 | СМД1-0616 | Прокладка | |
| 21 | 01-0614 | Крышка средняя | |
| 22 | СМД22М-0613 | Крышка передняя | |
| 23 | 6А1-0657 | Прокладка водяной трубы | |
| 24 | 41-0659 | Втулка резьбовая | |
| 25 | 01-0682-1А | Труба водяная передняя | |
| 26 | 04-0660А-1 | Коллектор впускной передний | |
| 27 | Хомут 100Н 524-66 | Хомут 100Н 524-66 | |
| 28 | 01-0637 | Шланг соединительный | |
| 29 | СМД24-0685 | Шланг промежуточный | |
| 30 | Хомут 48Н 524-66 | Хомут 48Н 524-66 | |
| 31 | Шайба 12Н 65Г ГОСТ 6402-70 | Шайба 12Н 65Г ГОСТ 6402-70 | |
| 32 | Гайка М10.2.А.6 ГОСТ 2524-70 | Гайка М10.2.А.6 ГОСТ 2524-70 | |
| 33 | Шайба 10Н 65Г ГОСТ 6402-70 | Шайба 10Н 65Г ГОСТ 6402-70 | |
| 34 | Шпилька М10х23Н 478-66 | Шпилька М10х23Н 478-66 | |
| 35 | Шпилька М12х28Н 478-66 | Шпилька М12х28Н 478-66 | |
| 36 | Гайка М12.2.А.6 ГОСТ 2524-70 | Гайка М12.2.А.6 ГОСТ 2524-70 | |
| 37 | Шпилька М10х28Н 478-66 | Шпилька М10х28Н 478-66 | |
| 38 | Шайба 10.5х17.5х2Н 495-66 | Шайба 10.5х17.5х2Н 495-66 | |
| 39 | 04-0661А-1 | Коллектор впускной задний | |
| 40 | Болт М8.2х25.58 ГОСТ 7796-70 | Болт М8.2х25.58 ГОСТ 7796-70 | |
| 41 | 04-0662-1 | Прокладка впускного коллектора | |
| 42 | 6А1-0683 | Труба водяная задняя | |
| 43 | 04-06с8-1 | Прокладка головки в сборе | |
| 44 | Шайба 13х24х2Н 495-66 | Шайба 13х24х2Н 495-66 | |
| 45 | 01-0674-2 | Кронштейн тяги декомпрессоре | |
| 46 | Шайба 9х20х2Н 495-66 | Шайба 9х20х2Н 495-66 | |
| 47 | Шплинт 3.2х18-005 ГОСТ 397-66 | Шплинт 3.2х18-005 ГОСТ 397-66 | |
| 48 | 01-06с19 | Рукоятка декомпрессора в сборе | |
| 49 | 01-0679-2А | Тяга | |
| 50 | Шайба стопорная II ГОСТ 3693-52 | Шайба стопорная II ГОСТ 3693-52 | |
| 51 | СМД55-0653 | Заглушка стакана | |
| 52 | СМД55-0652 | Пружина рукоятки | |
| 53 | СМД55-0651 | Плунжер рукоятки | |
| 54 | 01-0698 | Рукоятка декомпрессора |
Содержащиеся в справочниках-каталогах запасные части и детали не предлагаются к продаже, а носят исключительно информационный характер